Kenmore
Countertop Microwave

Model #72169129010 Official Kenmore microwave

Here are the diagrams and repair parts for Kenmore 72169129010 microwave, as well as links to manuals and error code tables, if available.

There are a couple of ways to find the part or diagram you need:

  • Click a diagram to see the parts shown on that diagram.
  • In the search box below, enter all or part of the part number or the part’s name.

Not all parts are shown on the diagrams—those parts are labeled NI, for “not illustrated”.

We encourage you to save the model to your profile, so it’s easy to access parts and manuals for your appliance whenever you log in.

For DIY troubleshooting advice and repair guides, visit our repair help section.

Owner’s manual

Showing 10 of 61 parts

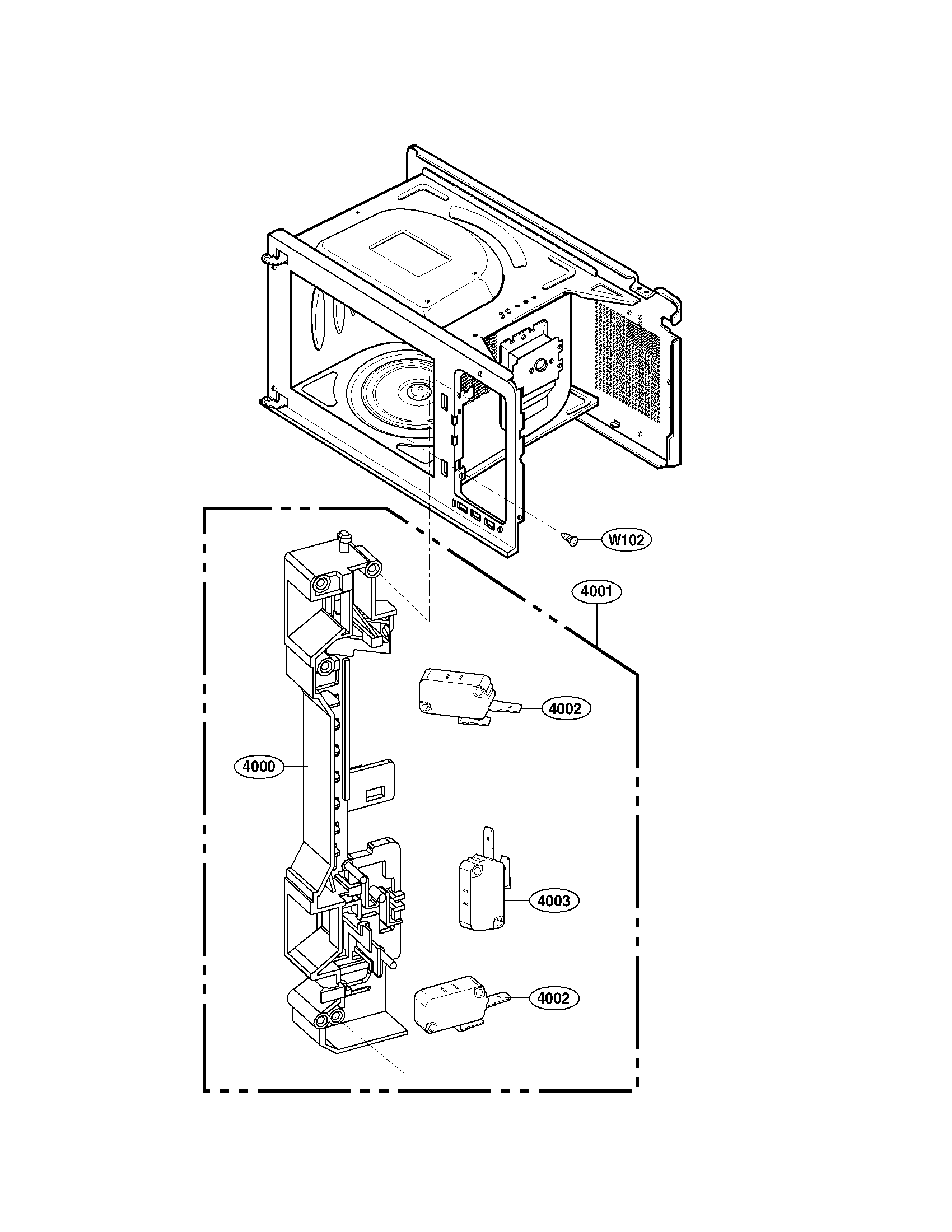
Microwave Door Interlock Switch#4003

Latchboard parts Diagram

Microwave door interlock switch

Part #6600W1K001C
BEST SELLER
In Stock
$7.52 | 
12% OFF 
Phone Price: $8.52
Microwave Light Bulb#5015

Interior parts Diagram

Microwave light bulb

Part #6912W3B002L
BEST SELLER
This item is not returnable
In Stock
$9.57 | 
9% OFF 
Phone Price: $10.57
Microwave Door Interlock Switch#4002

Latchboard parts Diagram

Microwave door interlock switch

Part #6600W1K001D
BEST SELLER
In Stock
$6.82 | 
13% OFF 
Phone Price: $7.82
Microwave Door Latch Hook#1006

Door parts Diagram

Microwave door latch hook

Part #4026W2A016A
BEST SELLER
This item is not returnable
In Stock
$5.41 | 
16% OFF 
Phone Price: $6.41
Microwave Magnetron#5009

Interior parts Diagram

Microwave magnetron

Part #6324W1A001L
BEST SELLER
In Stock
$57.75 | 
8% OFF 
Phone Price: $62.75
Microwave Turntable Motor#3009

Oven cavity parts Diagram

Microwave turntable motor

Part #6549W1S011B
BEST SELLER
This item is not returnable
In Stock
$18.31 | 
10% OFF 
Phone Price: $20.31
Microwave Fuse#5001

Interior parts Diagram

Microwave fuse

Part #3B74133Q
BEST SELLER
This item is not returnable
In Stock
$4.69 | 
18% OFF 
Phone Price: $5.69
Microwave Thermostat#5016

Interior parts Diagram

Microwave thermostat

Part #6930W1A003B
This item is not returnable
In Stock
$5.41 | 
16% OFF 
Phone Price: $6.41
Microwave Diode#5018

Interior parts Diagram

Microwave diode

Part #6851W1A002D
In Stock
$8.09 | 
11% OFF 
Phone Price: $9.09
Microwave Door Latch Lever#2003

Controller parts Diagram

Microwave door latch lever

Part #4510W3L003A
This item is not returnable
In Stock
$6.03

Articles and videos common to all microwaves

November 12, 2022

5 Holiday Cleaning Tasks Essential to Boosting Your Home’s Image

By Lyle Weischwill

Get tips on completing essential holiday cleaning tasks to brighten your home.

August 19, 2022

Are DIY appliance repairs safe?

By Lyle Weischwill

Find out how to stay safe when repairing your appliances.

August 5, 2022

Introducing new technical repair content that we’re developing for the Sears Technical Institute

By Lyle Weischwill

Learn about Sears Technical Institute and the advanced technical content being developed for aspiring appliance techs.