Whirlpool
Washer

Model #LA5300XSG1 Official Whirlpool washer

Here are the diagrams and repair parts for Whirlpool LA5300XSG1 washer, as well as links to manuals and error code tables, if available.

There are a couple of ways to find the part or diagram you need:

  • Click a diagram to see the parts shown on that diagram.
  • In the search box below, enter all or part of the part number or the part’s name.

Not all parts are shown on the diagrams—those parts are labeled NI, for “not illustrated”.

We encourage you to save the model to your profile, so it’s easy to access parts and manuals for your appliance whenever you log in.

For DIY troubleshooting advice and repair guides, visit our repair help section.

Showing 10 of 230 parts

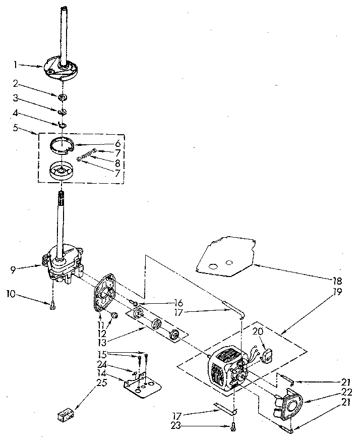
Washer Motor Coupling#13

Brake, clutch, gearcase, motor and pump Diagram

Coupling

Part #285140
Replaced by #285753A
?
Manufacturer substitution
This part replaces 285140. Substitute parts can look different from the original.
BEST SELLER
In Stock
$27.30 | 
15% OFF 
Phone Price: $32.30
Washer Agitator Bolt#2

Agitator, basket and tub Diagram

Washer agitator bolt

Part #358237
Replaced by #WP358237
?
Manufacturer substitution
This part replaces 358237. Substitute parts can look different from the original.
BEST SELLER
This item is not returnable
In Stock
$4.23 | 
19% OFF 
Phone Price: $5.23
Washer Drain Pump#22

Brake, clutch, gearcase, motor and pump Diagram

Water pump

Part #3348015
Replaced by #WP3363394
?
Manufacturer substitution
This part replaces 3348015. Substitute parts can look different from the original.
BEST SELLER
In Stock
$33.36 | 
28% OFF 
MSRP: $46.50
Washer Clutch#5

Brake, clutch, gearcase, motor and pump Diagram

Clutch

Part #388949
Replaced by #285785
?
Manufacturer substitution
This part replaces 388949. Substitute parts can look different from the original.
BEST SELLER
In Stock
$41.19 | 
15% OFF 
MSRP: $48.43
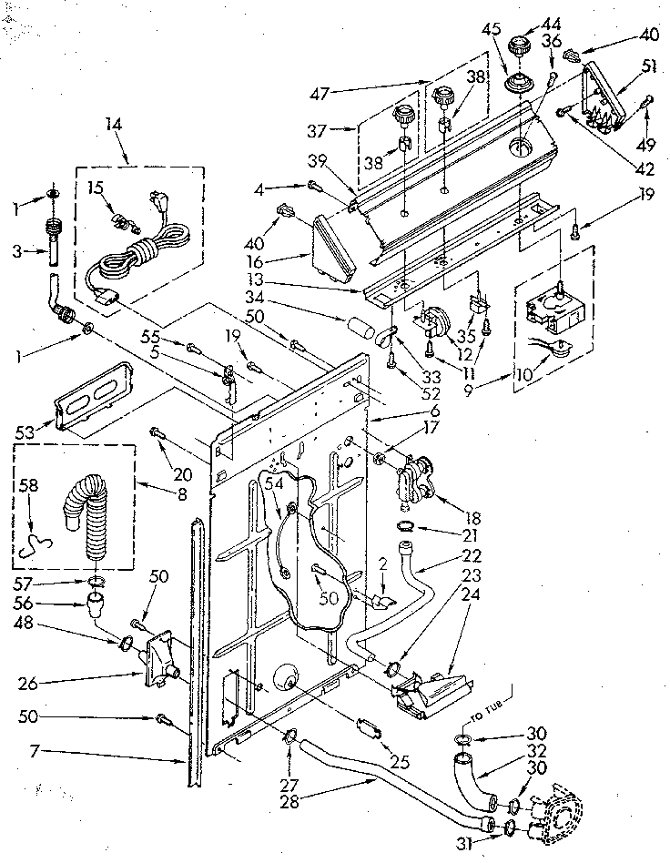
Washer Water Inlet Valve#18

Controls and rear panel Diagram

Valve

Part #358992
Replaced by #285805
?
Manufacturer substitution
This part replaces 358992. Substitute parts can look different from the original.
BEST SELLER
In Stock
$39.12 | 
11% OFF 
Phone Price: $44.12
Washer Counterweight Spring#15

Machine base Diagram

Counterweight spring (red)

Part #388492
Replaced by #WPW10250667
?
Manufacturer substitution
This part replaces 388492. Substitute parts can look different from the original.
BEST SELLER
This item is not returnable
In Stock
$4.23 | 
19% OFF 
Phone Price: $5.23
Washer Suspension Spring#3

Machine base Diagram

Washer suspension spring

Part #63907
Replaced by #WP63907
?
Manufacturer substitution
This part replaces 63907. Substitute parts can look different from the original.
BEST SELLER
This item is not returnable
In Stock
$4.19 | 
24% OFF 
MSRP: $5.50
Appliance Touch-Up Paint, 0.6-oz (White)

#NI

All parts Diagram

In Stock
$8.29 | 
11% OFF 
Phone Price: $9.29
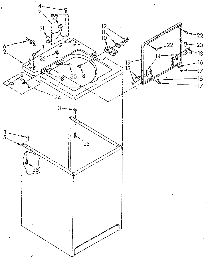
Laundry Appliance Door Switch Kit#11

Top and cabinet Diagram

Switch

Part #661517
Replaced by #W10820036
?
Manufacturer substitution
This part replaces 661517. Substitute parts can look different from the original.
BEST SELLER
In Stock
$27.04 | 
18% OFF 
MSRP: $33.00
Washer Gear Case#25

Gearcase Diagram

Gear

Part #62570
Replaced by #3360629
?
Manufacturer substitution
This part replaces 62570. Substitute parts can look different from the original.
BEST SELLER
In Stock
$190.39 | 
5% OFF 
MSRP: $200.00

Symptoms common to all washers

Choose a symptom to see related washer repairs.

Main causes: leaky water inlet valve, faulty water-level pressure switch, bad electronic control board
Main causes: lack of electrical power, wiring failure, bad power cord, electronic control board failure, bad user interface board
Main causes: water heater failure, bad water temperature switch, faulty control board, bad water valve, faulty water temperature sensor
Main causes: unbalanced load, loose spanner nut, worn drive block, broken shock absorber or suspension spring, debris in drain pump
Main causes: broken lid switch or lid lock, bad pressure switch, broken shifter assembly, faulty control system
Main causes: clogged drain hose, house drain clogged, bad drain pump, water-level pressure switch failure, bad control board or timer
Main causes: worn agitator dogs, bad clutch, broken motor coupler, shifter assembly failure, broken door lock, suspension component failure
Main causes: no water supply, bad water valves, water-level pressure switch failure, control system failure, bad door lock or lid switch
Main causes: bad lid switch or door lock, bad timer or electronic control board, wiring failure, bad water inlet valve assembly

Articles and videos common to all washers

Use the advice and tips in these articles and videos to get the most out of your washer.

January 3, 2022

Why is my washing machine leaking when not in use?

By Lyle Weischwill

Learn how to fix a washing machine leak

December 30, 2021

How to fix a washing machine

By Lyle Weischwill

Learn how to fix your broken washing machine

April 10, 2020

Cleaning your appliances after a drinking water advisory

By Julie Riebe

Find out how to clean and flush household appliances once a boil water advisory is lifted.