Craftsman
Accessory

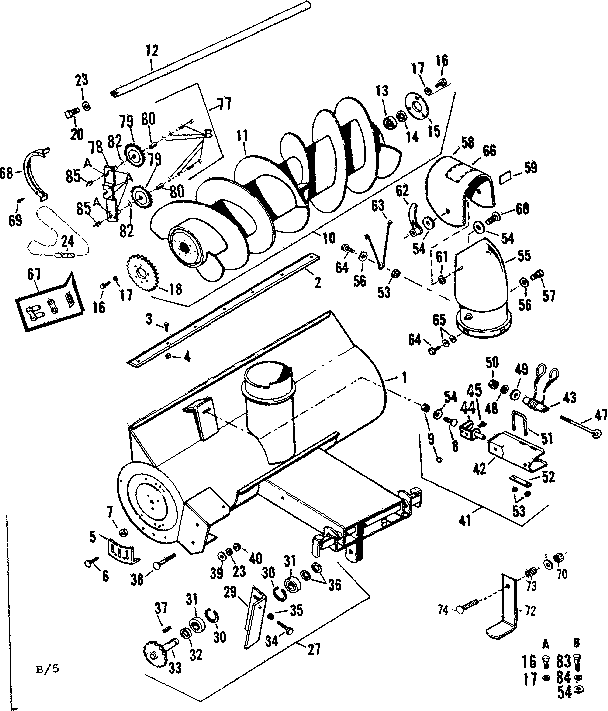
Model #842260052 Official Craftsman 42" snow thrower attachment

Here are the diagrams and repair parts for Craftsman 842260052 42" snow thrower attachment, as well as links to manuals and error code tables, if available.

There are a couple of ways to find the part or diagram you need:

  • Click a diagram to see the parts shown on that diagram.
  • In the search box below, enter all or part of the part number or the part’s name.

Not all parts are shown on the diagrams—those parts are labeled NI, for “not illustrated”.

We encourage you to save the model to your profile, so it’s easy to access parts and manuals for your appliance whenever you log in.

For DIY troubleshooting advice and repair guides, visit our repair help section.

Showing 10 of 135 parts

Bolt

See All Related Diagrams

Bolt

Part #7953

The manufacturer no longer makes this part, and there's no substitute part

Nut

See All Related Diagrams

Nut

Part #4119

The manufacturer no longer makes this part, and there's no substitute part

Washer

See All Related Diagrams

Washer

Part #GM120388

The manufacturer no longer makes this part, and there's no substitute part

Bolt#60

Auger assembly Diagram

Bolt

Part #GM126358

The manufacturer no longer makes this part, and there's no substitute part

Snowblower Chain Guard#68

Auger assembly Diagram

Snowblower chain guard

Part #3036

The manufacturer no longer makes this part, and there's no substitute part

Washer#14

Auger assembly Diagram

Washer

Part #4143

The manufacturer no longer makes this part, and there's no substitute part

Bolt#16

Main frame Diagram

Bolt

Part #GM180044

The manufacturer no longer makes this part, and there's no substitute part

Washer

See All Related Diagrams

Washer

Part #GM120382

The manufacturer no longer makes this part, and there's no substitute part

Washer#17

Auger assembly Diagram

Washer

Part #GM120214

The manufacturer no longer makes this part, and there's no substitute part

Bolt#60

Main frame Diagram

Bolt

Part #GM180087

The manufacturer no longer makes this part, and there's no substitute part