Kenmore
Countertop Microwave

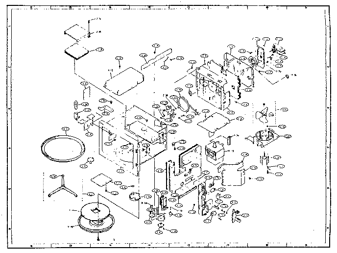
Model #99766 (1988) Official Kenmore convection microwave

Here are the diagrams and repair parts for Kenmore 99766-1988 convection microwave, as well as links to manuals and error code tables, if available.

There are a couple of ways to find the part or diagram you need:

  • Click a diagram to see the parts shown on that diagram.
  • In the search box below, enter all or part of the part number or the part’s name.

Not all parts are shown on the diagrams—those parts are labeled NI, for “not illustrated”.

We encourage you to save the model to your profile, so it’s easy to access parts and manuals for your appliance whenever you log in.

For DIY troubleshooting advice and repair guides, visit our repair help section.

Showing 10 of 158 parts

Switch

#1D

All parts Diagram

Switch

Part #QSW-MA018WRE0

The manufacturer no longer makes this part, and there's no substitute part

Nut

#7ZC

All parts Diagram

Nut

Part #XNEUW40-32000

The manufacturer no longer makes this part, and there's no substitute part

Coupling

#4D

All parts Diagram

Coupling

Part #NCPL-A021WRF0

The manufacturer no longer makes this part, and there's no substitute part

Nut

#7ZD

All parts Diagram

Nut

Part #XNESD40-32000

The manufacturer no longer makes this part, and there's no substitute part

Owner's Manual

#6P

All parts Diagram

Owner's manual

Part #TINSEA291WRR0

The manufacturer no longer makes this part, and there's no substitute part

Connector

#3E

All parts Diagram

Connector

Part #QCNCMA039DRE0

The manufacturer no longer makes this part, and there's no substitute part

Screw

#7M

All parts Diagram

Screw

Part #XCBWW30P08000

The manufacturer no longer makes this part, and there's no substitute part

Nut

#7ZE

All parts Diagram

Nut

Part #XNESD30-24000

The manufacturer no longer makes this part, and there's no substitute part

Switch

#1F

All parts Diagram

Switch

Part #QSW-MA022WRE0

The manufacturer no longer makes this part, and there's no substitute part

Screw

#7R

All parts Diagram

Screw

Part #XCPSD30P06000

The manufacturer no longer makes this part, and there's no substitute part

Articles and videos common to all microwaves

November 12, 2022

5 Holiday Cleaning Tasks Essential to Boosting Your Home’s Image

By Lyle Weischwill

Get tips on completing essential holiday cleaning tasks to brighten your home.

August 19, 2022

Are DIY appliance repairs safe?

By Lyle Weischwill

Find out how to stay safe when repairing your appliances.

August 5, 2022

Introducing new technical repair content that we’re developing for the Sears Technical Institute

By Lyle Weischwill

Learn about Sears Technical Institute and the advanced technical content being developed for aspiring appliance techs.