Kenmore
Boiler

Model #229962560 Official Kenmore gas-fired cast iron hot water boiler

Here are the diagrams and repair parts for Kenmore 229962560 gas-fired cast iron hot water boiler, as well as links to manuals and error code tables, if available.

There are a couple of ways to find the part or diagram you need:

  • Click a diagram to see the parts shown on that diagram.
  • In the search box below, enter all or part of the part number or the part’s name.

Not all parts are shown on the diagrams—those parts are labeled NI, for “not illustrated”.

We encourage you to save the model to your profile, so it’s easy to access parts and manuals for your appliance whenever you log in.

For DIY troubleshooting advice and repair guides, visit our repair help section.

Showing 10 of 153 parts

Boiler Circulation Pump#11

Boiler controls Diagram

Circulator

Part #94001
Replaced by #103251
?
Manufacturer substitution
This part replaces 94001. Substitute parts can look different from the original.
In Stock
$167.58 | 
6% OFF 
Phone Price: $177.58
End Section#20

Jacket-sections & base parts Diagram

Section end

Part #122-2
Replaced by #410-00-021
?
Manufacturer substitution
This part replaces 122-2. Substitute parts can look different from the original.
In Stock
$180.49
Gas Manifold#6G

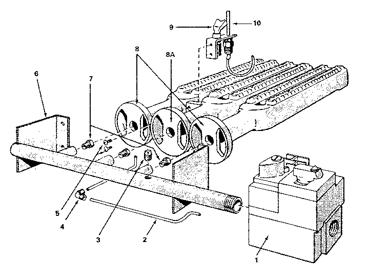
Gas burners and manifold parts Diagram

Manifold

Part #108-9
Replaced by #146-16-016-60
?
Manufacturer substitution
This part replaces 108-9. Substitute parts can look different from the original.
In Stock
$79.50
Pilot Tube#2A

Gas burners and manifold parts Diagram

Pilot tube

Part #102-10
Replaced by #433-00-201
?
Manufacturer substitution
This part replaces 102-10. Substitute parts can look different from the original.
In Stock
$59.49
Pilot Burner#9

Gas burners and manifold parts Diagram

Pilot burner

Part #Q314-3687

The manufacturer no longer makes this part, and there's no substitute part

Jckt Dr Knob#12

Jacket-sections & base parts Diagram

Knob

Part #61-039
Replaced by #137-02-153
?
Manufacturer substitution
This part replaces 61-039. Substitute parts can look different from the original.
This item is not returnable
In Stock
$6.99
Thermocouple#10

Gas burners and manifold parts Diagram

Thermocouple

Part #Q309A1996

The manufacturer no longer makes this part, and there's no substitute part

Boiler#6A

Jacket-sections & base parts Diagram

Broiler base

Part #104-3
Replaced by #42500734
?
Manufacturer substitution
This part replaces 104-3. Substitute parts can look different from the original.
In Stock
$191.49
Gas Manifold#6D

Gas burners and manifold parts Diagram

Manifold

Part #108-6
Replaced by #146-16-013
?
Manufacturer substitution
This part replaces 108-6. Substitute parts can look different from the original.
In Stock
$53.99
Manifold#6C

Gas burners and manifold parts Diagram

Manifold

Part #108-5
Replaced by #146-16-012
?
Manufacturer substitution
This part replaces 108-5. Substitute parts can look different from the original.
In Stock
$50.49