Craftsman
Snowblower

Model #88426 Official Craftsman snow blower

Here are the diagrams and repair parts for Craftsman 88426 snow blower, as well as links to manuals and error code tables, if available.

There are a couple of ways to find the part or diagram you need:

  • Click a diagram to see the parts shown on that diagram.
  • In the search box below, enter all or part of the part number or the part’s name.

Not all parts are shown on the diagrams—those parts are labeled NI, for “not illustrated”.

We encourage you to save the model to your profile, so it’s easy to access parts and manuals for your appliance whenever you log in.

For DIY troubleshooting advice and repair guides, visit our repair help section.

Showing 10 of 202 parts

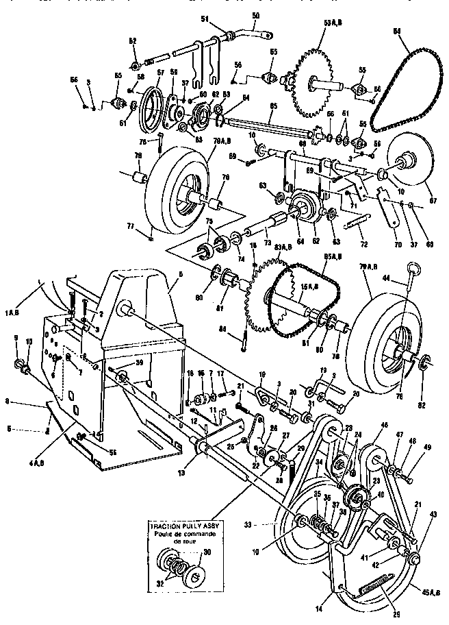
Snowblower Ground Drive Belt, 3/8 x 33-1/16-in (replaces 1733324, 579932, 579932MA)#33

Motor mount assembly Diagram

Snowblower drive belt

Part #579932
Replaced by #1733324SM
?
Manufacturer substitution
This part replaces 579932. Substitute parts can look different from the original.
BEST SELLER

Get free shipping with Automatic Reorder

In Stock
$16.66 | 
17% OFF 
MSRP: $20.00
Snowblower Auger Drive Belt, 1/2 x 38-7/16-in (replaces 2021, 585416, 724801, 742550MA)#45B

Motor mount assembly Diagram

Snowblower gas belt

Part #585416
Replaced by #585416MA
?
Manufacturer substitution
This part replaces 585416. Substitute parts can look different from the original.
BEST SELLER

Get free shipping with Automatic Reorder

In Stock
$19.73 | 
24% OFF 
MSRP: $26.00
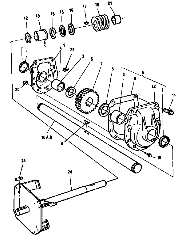
Snowblower Chute and Deflector (replaces 325847MA, 334234MA, 762221MA, 762222)#1

Auger housing assembly Diagram

Chute

Part #334234
Replaced by #762222MA
?
Manufacturer substitution
This part replaces 334234. Substitute parts can look different from the original.
BEST SELLER
In Stock
$51.87 | 
18% OFF 
MSRP: $63.00
Snowblower Friction Wheel Assembly (replaces 1501435, 313883, 53830, 53830MA, 722185, MT1501435MA)#57

Motor mount assembly Diagram

Disc wheel

Part #53830
Replaced by #1501435MA
?
Manufacturer substitution
This part replaces 53830. Substitute parts can look different from the original.
BEST SELLER
In Stock
$22.36 | 
20% OFF 
MSRP: $28.00
Snowblower Screw#35

Auger housing assembly Diagram

Snowblower shear bolt

Part #9524
Replaced by #703057
?
Manufacturer substitution
This part replaces 9524. Substitute parts can look different from the original.
BEST SELLER
This item is not returnable
In Stock
$5.38 | 
16% OFF 
Phone Price: $6.38
Snowblower Auger Clutch Cable Spring#18

Upper handle assembly Diagram

Auger clutch spacer

Part #1673
Replaced by #1673MA
?
Manufacturer substitution
This part replaces 1673. Substitute parts can look different from the original.
BEST SELLER
In Stock
$10.38 | 
16% OFF 
Phone Price: $12.38
Snowblower Skid Shoe#24

Auger housing assembly Diagram

Height adjustment

Part #85105
Replaced by #1740912BMYP
?
Manufacturer substitution
This part replaces 85105. Substitute parts can look different from the original.
BEST SELLER
In Stock
$20.58 | 
20% OFF 
Phone Price: $25.58
Snowblower Auger Shear Bolt Sleeve#27

Auger housing assembly Diagram

1/4" spacer

Part #3943
Replaced by #703058
?
Manufacturer substitution
This part replaces 3943. Substitute parts can look different from the original.
BEST SELLER
In Stock
$12.09 | 
14% OFF 
Phone Price: $14.09
Snowblower Nut

See All Related Diagrams

Lock nut

Part #73826
Replaced by #703251
?
Manufacturer substitution
This part replaces 73826. Substitute parts can look different from the original.
BEST SELLER
In Stock
$8.07 | 
11% OFF 
Phone Price: $9.07
Snowblower Clutch Cable#7

Upper handle assembly Diagram

Clutch cable

Part #1579
Replaced by #1579MA
?
Manufacturer substitution
This part replaces 1579. Substitute parts can look different from the original.
BEST SELLER
In Stock
$23.20 | 
18% OFF 
Phone Price: $28.20

Articles and videos common to all snowblowers

December 12, 2022

How to adjust the snowblower auger control

By Lyle Weischwill

This video shows how to adjust a snowblower's auger control.

December 8, 2022

How to lubricate a snowblower drive hex shaft video

By Lyle Weischwill

This short video shows how to lubricate a snowblower drive hex shaft.

November 17, 2022

What are the major parts of a snowblower?

By Lyle Weischwill

Learn about major functional parts of your snowblower and when to replace them.