GE
Countertop Microwave

Model #PEB1590DM1WW Official GE microwave

Here are the diagrams and repair parts for GE PEB1590DM1WW microwave, as well as links to manuals and error code tables, if available.

There are a couple of ways to find the part or diagram you need:

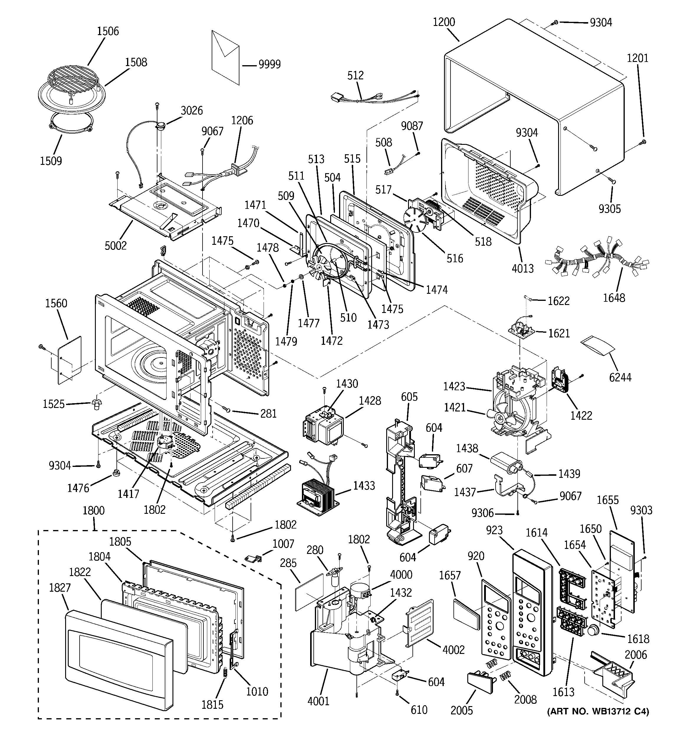
  • Click a diagram to see the parts shown on that diagram.
  • In the search box below, enter all or part of the part number or the part’s name.

Not all parts are shown on the diagrams—those parts are labeled NI, for “not illustrated”.

We encourage you to save the model to your profile, so it’s easy to access parts and manuals for your appliance whenever you log in.

For DIY troubleshooting advice and repair guides, visit our repair help section.

Owner’s manual

Showing 10 of 87 parts

Microwave Glass Turntable Tray#1508

Microwave Diagram

Glass tray

Part #WB49X10061
Replaced by #WB49X10129
?
Manufacturer substitution
This part replaces WB49X10061. Substitute parts can look different from the original.
In Stock
$91.09 | 
5% OFF 
Phone Price: $96.09
Microwave High-Voltage Capacitor#1438

Microwave Diagram

Drive capacitor

Part #WB27X10701
Replaced by #WB27X11033
?
Manufacturer substitution
This part replaces WB27X10701. Substitute parts can look different from the original.
In Stock
$40.89 | 
11% OFF 
Phone Price: $45.89
Microwave Door Interlock Switch#607

Microwave Diagram

Monitor switch

Part #WB24X0817
Replaced by #WB24X25397
?
Manufacturer substitution
This part replaces WB24X0817. Substitute parts can look different from the original.
In Stock
$27.35 | 
15% OFF 
Phone Price: $32.35
Microwave Waveguide Cover#1560

Microwave Diagram

Microwave waveguide cover

Part #WB06X10254
This item is not returnable
In Stock
$11.09 | 
15% OFF 
Phone Price: $13.09
Microwave Lamp Cover#285

Microwave Diagram

Microwave lamp cover

Part #WB06X10258
In Stock
$7.69 | 
12% OFF 
Phone Price: $8.69
Microwave Magnetron#1428

Microwave Diagram

Microwave magnetron

Part #WB27X10305

The manufacturer no longer makes this part, and there's no substitute part

Microwave Turntable Shaft#1525

Microwave Diagram

Shaft turn

Part #WB06X10255
Replaced by #WB06X10564
?
Manufacturer substitution
This part replaces WB06X10255. Substitute parts can look different from the original.
In Stock
$11.09 | 
15% OFF 
Phone Price: $13.09
Transformer#1433

Microwave Diagram

Transformer

Part #WB27X10957
In Stock
$161.59 | 
6% OFF 
Phone Price: $171.59
Choke Cap#1007

Microwave Diagram

Choke cap

Part #WB02X10718
This item is not returnable
In Stock
$4.35
Door Panel#1827

Microwave Diagram

Door panel

Part #WB55X10898
In Stock
$91.90

Articles and videos common to all microwaves

November 12, 2022

5 Holiday Cleaning Tasks Essential to Boosting Your Home’s Image

By Lyle Weischwill

Get tips on completing essential holiday cleaning tasks to brighten your home.

August 19, 2022

Are DIY appliance repairs safe?

By Lyle Weischwill

Find out how to stay safe when repairing your appliances.

August 5, 2022

Introducing new technical repair content that we’re developing for the Sears Technical Institute

By Lyle Weischwill

Learn about Sears Technical Institute and the advanced technical content being developed for aspiring appliance techs.