Ryobi
Miter Saw

Model #TS1340 Official Ryobi compound miter saw

Here are the diagrams and repair parts for Ryobi TS1340 compound miter saw, as well as links to manuals and error code tables, if available.

There are a couple of ways to find the part or diagram you need:

  • Click a diagram to see the parts shown on that diagram.
  • In the search box below, enter all or part of the part number or the part’s name.

Not all parts are shown on the diagrams—those parts are labeled NI, for “not illustrated”.

We encourage you to save the model to your profile, so it’s easy to access parts and manuals for your appliance whenever you log in.

For DIY troubleshooting advice and repair guides, visit our repair help section.

Owner’s manual

Showing 10 of 123 parts

M12 Flwash#32

Motor Diagram

M12 flwash

Part #A36031226023

The manufacturer no longer makes this part, and there's no substitute part

M Hex Nut#31

Motor Diagram

M hex nut

Part #A30003012194

The manufacturer no longer makes this part, and there's no substitute part

M10 Lkwash#7

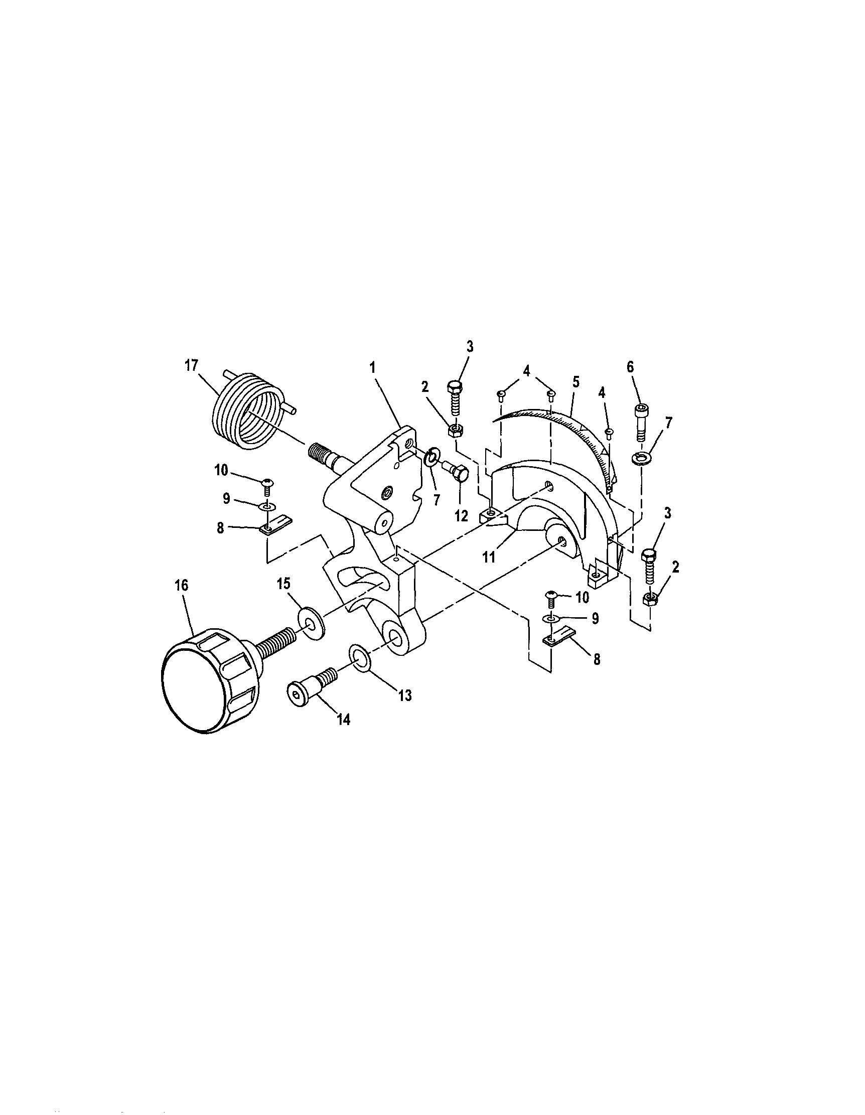
Support bracket/pivot support Diagram

M10 lkwash

Part #A36031018255

The manufacturer no longer makes this part, and there's no substitute part

Fl Wsh 8pk#71

Motor Diagram

Fl wsh 8pk

Part #A35030519105

The manufacturer no longer makes this part, and there's no substitute part

Mhxnut 8/p#18

Motor Diagram

Mhxnut 8/p

Part #A30003004005

The manufacturer no longer makes this part, and there's no substitute part

Washer 8pk

See All Related Diagrams

Washer 8pk

Part #A35031025153

The manufacturer no longer makes this part, and there's no substitute part

Washer,8pk#3

Base/table Diagram

Washer,8pk

Part #A36030814204

The manufacturer no longer makes this part, and there's no substitute part

M4 Fl Wash

See All Related Diagrams

M4 fl wash

Part #A35030410018

The manufacturer no longer makes this part, and there's no substitute part

M10 Lkwash#7

Base/table Diagram

M10 lkwash

Part #A36131020100

The manufacturer no longer makes this part, and there's no substitute part

Bearing#24

Motor Diagram

Bearing

Part #A50006080049

The manufacturer no longer makes this part, and there's no substitute part