Dorchester
Compact Stereo System

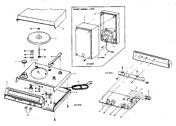
Model #RP-60 Official Dorchester stereo phonograph

Here are the diagrams and repair parts for Dorchester RP-60 stereo phonograph, as well as links to manuals and error code tables, if available.

There are a couple of ways to find the part or diagram you need:

  • Click a diagram to see the parts shown on that diagram.
  • In the search box below, enter all or part of the part number or the part’s name.

Not all parts are shown on the diagrams—those parts are labeled NI, for “not illustrated”.

We encourage you to save the model to your profile, so it’s easy to access parts and manuals for your appliance whenever you log in.

For DIY troubleshooting advice and repair guides, visit our repair help section.

Showing 10 of 40 parts

Belt#33

Cabinet Diagram

Belt

Part #2674

The manufacturer no longer makes this part, and there's no substitute part

Shaft#35

Cabinet Diagram

Shaft

Part #2650

The manufacturer no longer makes this part, and there's no substitute part

Turntable#4

Cabinet Diagram

Turntable

Part #3075

The manufacturer no longer makes this part, and there's no substitute part

Nut and Washer

#NI

All parts Diagram

Nut and washer

Part #2826

The manufacturer no longer makes this part, and there's no substitute part

Transistor#50

Cabinet Diagram

Transistor

Part #1132

The manufacturer no longer makes this part, and there's no substitute part

Screw#48

Cabinet Diagram

Screw

Part #1611

The manufacturer no longer makes this part, and there's no substitute part

Nut and Washer

#NI

All parts Diagram

Nut and washer

Part #2827

The manufacturer no longer makes this part, and there's no substitute part

Trimpot#28

Cabinet Diagram

Trimpot

Part #1194

The manufacturer no longer makes this part, and there's no substitute part

Washer#38

Cabinet Diagram

Washer

Part #2754

The manufacturer no longer makes this part, and there's no substitute part

Trimpot#27

Cabinet Diagram

Trimpot

Part #1193

The manufacturer no longer makes this part, and there's no substitute part