Craftsman
Gas Snowblower

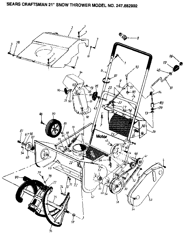
Model #247882902 Official Craftsman snow thrower

Here are the diagrams and repair parts for Craftsman 247882902 snow thrower, as well as links to manuals and error code tables, if available.

There are a couple of ways to find the part or diagram you need:

  • Click a diagram to see the parts shown on that diagram.
  • In the search box below, enter all or part of the part number or the part’s name.

Not all parts are shown on the diagrams—those parts are labeled NI, for “not illustrated”.

We encourage you to save the model to your profile, so it’s easy to access parts and manuals for your appliance whenever you log in.

For DIY troubleshooting advice and repair guides, visit our repair help section.

Showing 10 of 132 parts

Lawn Mower Handle Knob#95

Snow thrower Diagram

Hand knob

Part #09966
Replaced by #720-04072A
?
Manufacturer substitution
This part replaces 09966. Substitute parts can look different from the original.
BEST SELLER
This item is not returnable
In Stock
$5.79 | 
32% OFF 
MSRP: $8.50
Lawn & Garden Equipment Bell Washer#32

Snow thrower Diagram

Lawn & garden equipment bell washer

Part #736-0242
BEST SELLER
This item is not returnable
In Stock
$6.40 | 
14% OFF 
Phone Price: $7.40
Lawn Tractor Ball Bearing#61

Snow thrower Diagram

Bearing

Part #741-0124
Replaced by #941-0600
?
Manufacturer substitution
This part replaces 741-0124. Substitute parts can look different from the original.
BEST SELLER
In Stock
$24.79 | 
17% OFF 
Phone Price: $29.79
Snowblower Chute Flange Keeper Bracket (replaces 706-15718, 731-0851, 784-0851)#65

Snow thrower Diagram

Keeper

Part #731-0851
Replaced by #731-0851A
?
Manufacturer substitution
This part replaces 731-0851. Substitute parts can look different from the original.
BEST SELLER
This item is not returnable
In Stock
$5.24 | 
16% OFF 
Phone Price: $6.24
Lawn & Garden Equipment Flat Washer#105

Snow thrower Diagram

Washer

Part #736-0483
Replaced by #936-0176
?
Manufacturer substitution
This part replaces 736-0483. Substitute parts can look different from the original.
This item is not returnable
In Stock
$5.19 | 
16% OFF 
Phone Price: $6.19
Lawn & Garden Equipment Flat Washer#98

Snow thrower Diagram

Washer

Part #736-0176
Replaced by #936-0176
?
Manufacturer substitution
This part replaces 736-0176. Substitute parts can look different from the original.
This item is not returnable
In Stock
$5.19 | 
16% OFF 
Phone Price: $6.19
Lawn & Garden Equipment Hex Screw#74

Snow thrower Diagram

Lawn & garden equipment hex screw

Part #710-0896
This item is not returnable
In Stock
$5.31 | 
16% OFF 
Phone Price: $6.31
Washer#70

Snow thrower Diagram

Washer

Part #STD551025

The manufacturer no longer makes this part, and there's no substitute part

Lawn & Garden Equipment Bolt#20

Snow thrower Diagram

Saddle bolt

Part #710-0405
Replaced by #710-1174
?
Manufacturer substitution
This part replaces 710-0405. Substitute parts can look different from the original.
This item is not returnable
In Stock
$10.69 | 
16% OFF 
Phone Price: $12.69
Snowblower Auger Drive Belt#52

Snow thrower Diagram

V-belt

Part #754-0101
Replaced by #954-0101A
?
Manufacturer substitution
This part replaces 754-0101. Substitute parts can look different from the original.

Get free shipping with Automatic Reorder

In Stock
$24.20 | 
17% OFF 
Phone Price: $29.20

Symptoms for gas snowblowers

Choose a symptom to see related snowblower repairs.

Main causes: clogged chute, damaged auger blades, broken shear pins, worn auger belt, damaged gear case, engine problems
Things to do: replace the spark plug, change the oil, rebuild the carburetor, adjust valve lash, adjust or replace the belts
Main causes: punctured tire, damaged rim
Main causes: dirty carburetor, clogged fuel filter, dirty spark plug, incorrect valve lash, leaky engine gaskets
Main causes: stale gas, clogged carburetor, clogged or broken fuel line, dirty spark plug, bad rewind starter, incorrect valve lash
Main causes: clogged chute, snow build-up in auger housing, broken auger shear pins, auger drive belt needs adjustment, auger cable problems
Main causes: loose drive clutch cable, damaged drive clutch cable, worn friction disc, scraper blade scraping the ground, engine problems
Main causes: snow build-up in chute, chute drive mechanism failure, bad chute control assembly

Repair guides for gas snowblowers

These step-by-step repair guides will help you safely fix what’s broken on your snowblower.

November 20, 2022
By Lyle Weischwill
How to replace a snowblower fuel filter

Replace the fuel filter on your snowblower if it's clogged or damaged.

Repair difficulty
Time required
 15 minutes or less
December 1, 2015
By Lyle Weischwill
How to rebuild a snowblower carburetor

Rebuild the carburetor on your snowblower if the engine isn't getting fuel.

Repair difficulty
Time required
 45 minutes or less
How to replace a snowblower 4-way chute control assembly

Replace the 4-way chute control assembly on your snowblower if it’s damaged.

Repair difficulty
Time required
 30 minutes or less

Articles and videos common to all snowblowers

Use the advice and tips in these articles and videos to get the most out of your snowblower.

December 12, 2022

How to adjust the snowblower auger control

By Lyle Weischwill

This video shows how to adjust a snowblower's auger control.

December 8, 2022

How to lubricate a snowblower drive hex shaft video

By Lyle Weischwill

This short video shows how to lubricate a snowblower drive hex shaft.

November 17, 2022

What are the major parts of a snowblower?

By Lyle Weischwill

Learn about major functional parts of your snowblower and when to replace them.