Carrier
Central Air Conditioner

Model #25HPA460A0030010 Official Carrier heat pump

Here are the diagrams and repair parts for Carrier 25HPA460A0030010 heat pump, as well as links to manuals and error code tables, if available.

There are a couple of ways to find the part or diagram you need:

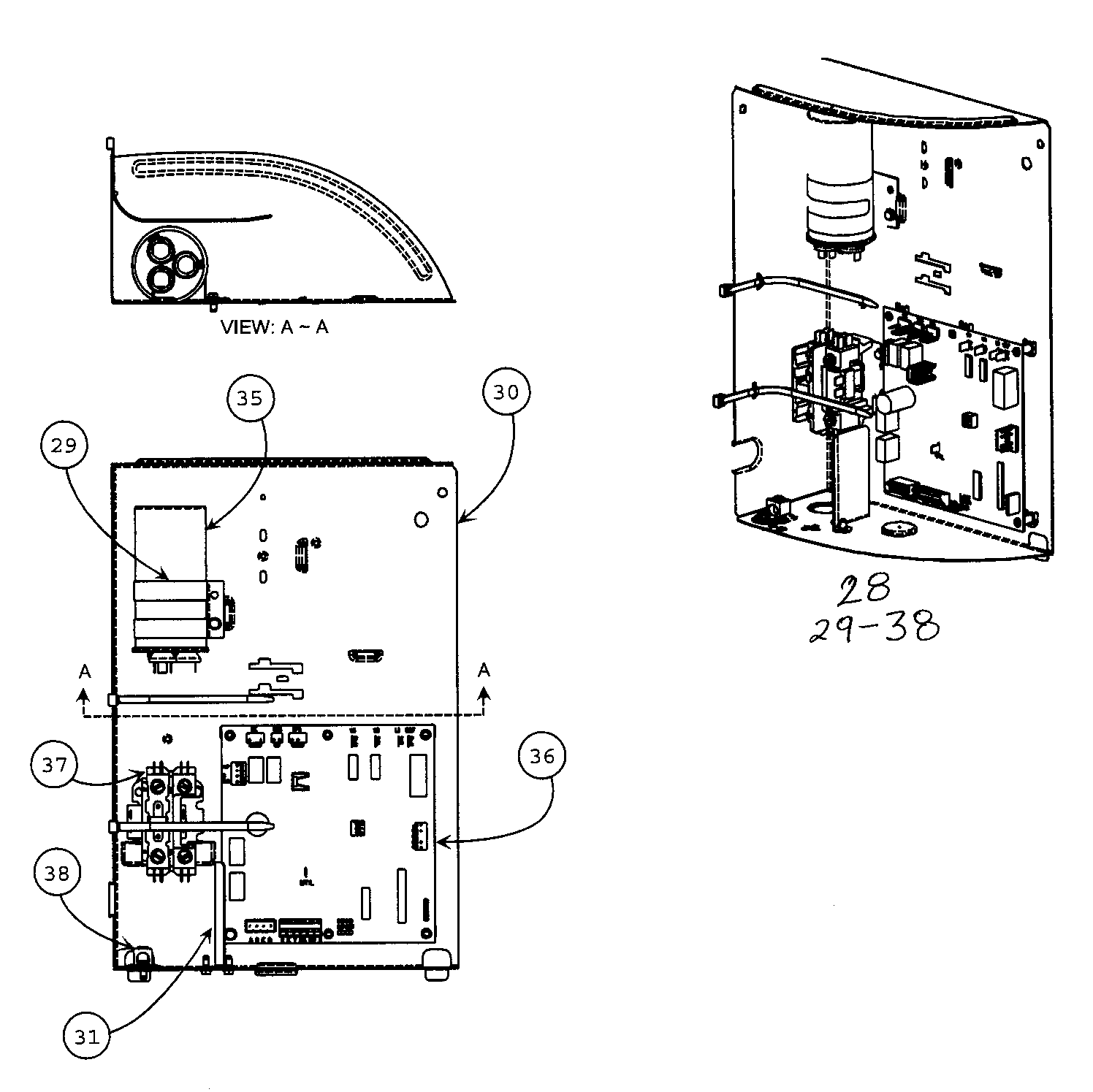
  • Click a diagram to see the parts shown on that diagram.
  • In the search box below, enter all or part of the part number or the part’s name.

Not all parts are shown on the diagrams—those parts are labeled NI, for “not illustrated”.

We encourage you to save the model to your profile, so it’s easy to access parts and manuals for your appliance whenever you log in.

For DIY troubleshooting advice and repair guides, visit our repair help section.

Installation guideOwner’s manual

Showing 10 of 118 parts

Central Air Conditioner Access Valve Adapter#60

Outside view Diagram

In Stock
$19.86
Central Air Conditioner Condenser Fan Blade Guard#42

Inside view Diagram

Fan guard

Part #329754-401
Replaced by #337326-401
?
Manufacturer substitution
This part replaces 329754-401. Substitute parts can look different from the original.
In Stock
$172.04
Thermostat#NI

Inside view Diagram

Thermostat

Part #50BB660001
In Stock
$110.72
Plug Assembly#NI

Inside view Diagram

Plug assembly

Part #331086-701
This item is not returnable
In Stock
$7.49
Capacitor#NI

Inside view Diagram

Capacitor

Part #P281-1766
In Stock
$34.94
Label#4

Outside view Diagram

Label

Part #325654-101
This item is not returnable
In Stock
$2.16
Mtr Mountng#40

Inside view Diagram

Mtr mountng

Part #316709-201
This item is not returnable
In Stock
$2.16
Suct Tube#NI

Inside view Diagram

Suct tube

Part #325700-704
In Stock
$558.54
Nameplate#11

Inside view Diagram

Nameplate

Part #330134-402
In Stock
$9.48
Top Cover#6

Inside view Diagram

Top cover

Part #329643-701165
In Stock
$162.54

Articles and videos common to all central air conditioners

October 24, 2022

Easy DIY appliance repairs that anyone can do

Lyle Weischwill

Get advice on simple DIY fixes for appliances that you can safely do on your own.

August 5, 2022

Introducing new technical repair content that we’re developing for the Sears Technical Institute

Lyle Weischwill

Learn about Sears Technical Institute and the advanced technical content being developed for aspiring appliance techs.

June 29, 2022

Top questions about Sears and Sears PartsDirect

Lyle Weischwill

Get answers to frequently asked questions about Sears and Sears PartsDirect.