ICP
Central Air Conditioner

Model #N4H330GKA100 Official ICP split-system air conditioner

Here are the diagrams and repair parts for ICP N4H330GKA100 split-system air conditioner, as well as links to manuals and error code tables, if available.

There are a couple of ways to find the part or diagram you need:

  • Click a diagram to see the parts shown on that diagram.
  • In the search box below, enter all or part of the part number or the part’s name.

Not all parts are shown on the diagrams—those parts are labeled NI, for “not illustrated”.

We encourage you to save the model to your profile, so it’s easy to access parts and manuals for your appliance whenever you log in.

For DIY troubleshooting advice and repair guides, visit our repair help section.

Installation guideOwner’s manual

Showing 10 of 45 parts

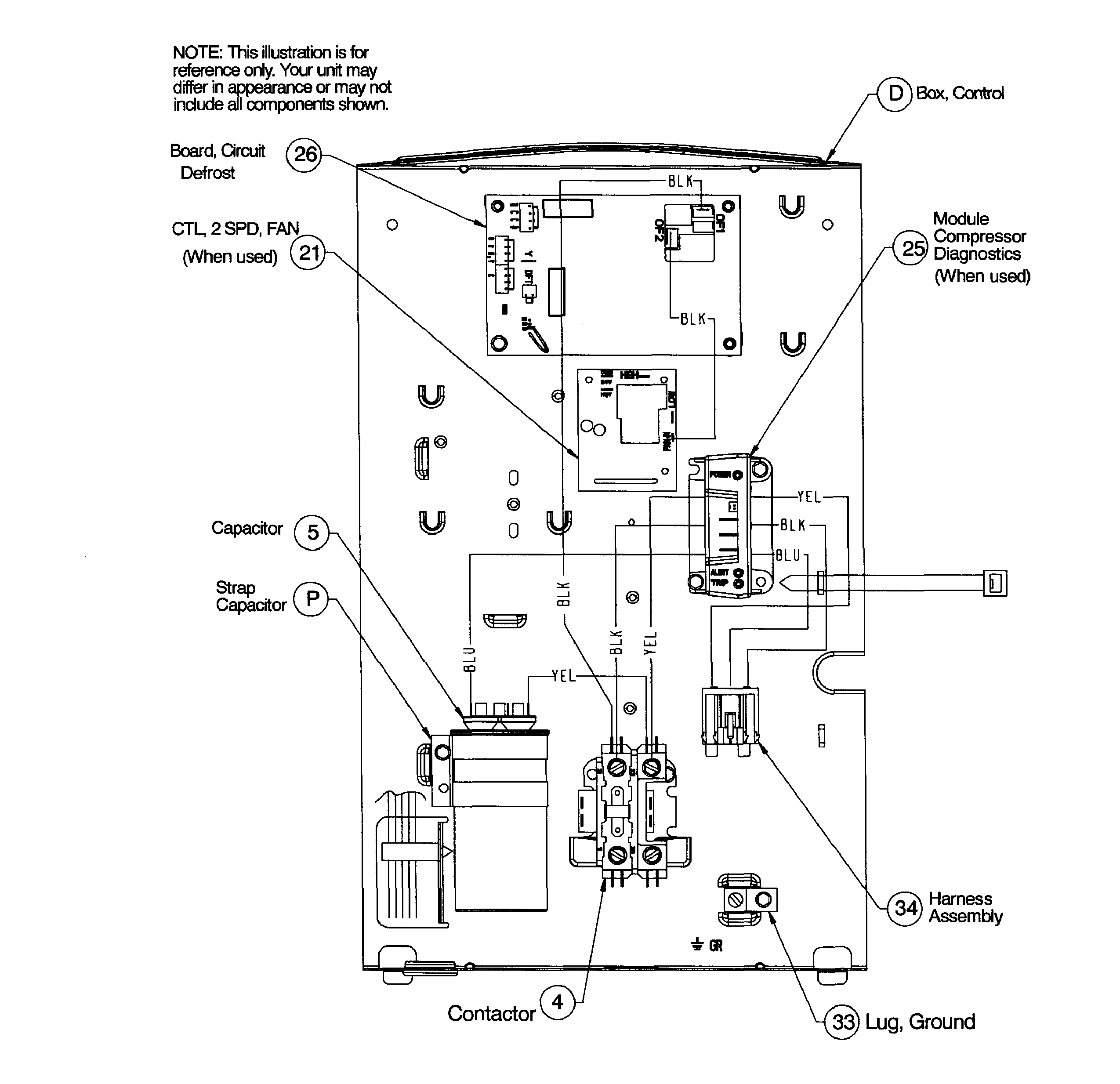
Central Air Conditioner Contactor#4

Control box Diagram

In Stock
$57.79 | 
8% OFF 
Phone Price: $62.79
Central Air Conditioner Condenser Electronic Control Board#D

Cabinet Diagram

Control box

Part #1173643
Replaced by #1184617
?
Manufacturer substitution
This part replaces 1173643. Substitute parts can look different from the original.
In Stock
$80.21
Clamp#P

Control box Diagram

Clamp

Part #1172734
This item is not returnable
In Stock
$2.37
Svce Panel#F

Cabinet Diagram

Svce panel

Part #1174085
In Stock
$41.48
Bolt#11

Heat pump Diagram

Bolt

Part #1173630
This item is not returnable
In Stock
$2.37
Lug Ground#33

Control box Diagram

Lug ground

Part #1172300
This item is not returnable
In Stock
$2.34
Condensing Unit Defrost Control Board#26

Control box Diagram

In Stock
$175.12 | 
5% OFF 
Phone Price: $185.12
Central Air Conditioner Heat Pump Defrost Control#22

Heat pump Diagram

In Stock
$23.34
Condenser Coil#6

Heat pump Diagram

Condenser coil

Part #1173654
In Stock
$2405.38
Muffler#23

Heat pump Diagram

Muffler

Part #1173668
In Stock
$33.75

Articles and videos common to all central air conditioners

November 30, 2022

2023 HVAC regulation changes and how they may affect you

By Lyle Weischwill

Find out how new DOE standards going into effect in 2023 can affect you and what you need to do.

October 24, 2022

Easy DIY appliance repairs that anyone can do

By Lyle Weischwill

Get advice on simple DIY fixes for appliances that you can safely do on your own.

August 5, 2022

Introducing new technical repair content that we’re developing for the Sears Technical Institute

By Lyle Weischwill

Learn about Sears Technical Institute and the advanced technical content being developed for aspiring appliance techs.