Shakespeare
Boating

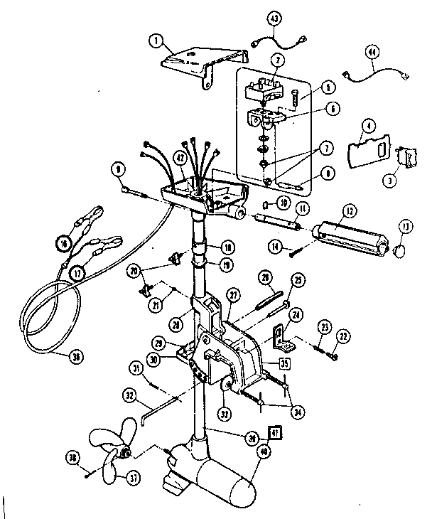
Model #SIGMA 20T Official Shakespeare electric fishing motor

Here are the diagrams and repair parts for Shakespeare SIGMA-20T electric fishing motor, as well as links to manuals and error code tables, if available.

There are a couple of ways to find the part or diagram you need:

  • Click a diagram to see the parts shown on that diagram.
  • In the search box below, enter all or part of the part number or the part’s name.

Not all parts are shown on the diagrams—those parts are labeled NI, for “not illustrated”.

We encourage you to save the model to your profile, so it’s easy to access parts and manuals for your appliance whenever you log in.

For DIY troubleshooting advice and repair guides, visit our repair help section.

Showing 10 of 44 parts

Clamp Screw#34

Sigma tm 20t Diagram

Clamp screw

Part #64-58-0094-01

The manufacturer no longer makes this part, and there's no substitute part

Pin#32

Sigma tm 20t Diagram

Pin

Part #64-45-0033-01

The manufacturer no longer makes this part, and there's no substitute part

Propeller#37

Sigma tm 20t Diagram

Propeller

Part #64-49-0004-01

The manufacturer no longer makes this part, and there's no substitute part

Screw#14

Sigma tm 20t Diagram

Screw

Part #64-58-0084-01

The manufacturer no longer makes this part, and there's no substitute part

Switch#2

Sigma tm 20t Diagram

Switch

Part #64-68-0062-01

The manufacturer no longer makes this part, and there's no substitute part

Retaining Ring#10

Sigma tm 20t Diagram

Retaining ring

Part #64-54-0021-01

The manufacturer no longer makes this part, and there's no substitute part

Screw#5

Sigma tm 20t Diagram

Screw

Part #64-58-0027-03

The manufacturer no longer makes this part, and there's no substitute part

Switch Plate#4

Sigma tm 20t Diagram

Switch plate

Part #64-47-0191-01

The manufacturer no longer makes this part, and there's no substitute part

Bttry Clip#16

Sigma tm 20t Diagram

Bttry clip

Part #64-15-0003-01

The manufacturer no longer makes this part, and there's no substitute part

Collar#18

Sigma tm 20t Diagram

Collar

Part #64-17-0017-01

The manufacturer no longer makes this part, and there's no substitute part