DP
Treadmill

Model #21-7119A Official DP prime fit concourse 10.55 gi treadmill

Here are the diagrams and repair parts for DP 21-7119A prime fit concourse 10.55 gi treadmill, as well as links to manuals and error code tables, if available.

There are a couple of ways to find the part or diagram you need:

  • Click a diagram to see the parts shown on that diagram.
  • In the search box below, enter all or part of the part number or the part’s name.

Not all parts are shown on the diagrams—those parts are labeled NI, for “not illustrated”.

We encourage you to save the model to your profile, so it’s easy to access parts and manuals for your appliance whenever you log in.

For DIY troubleshooting advice and repair guides, visit our repair help section.

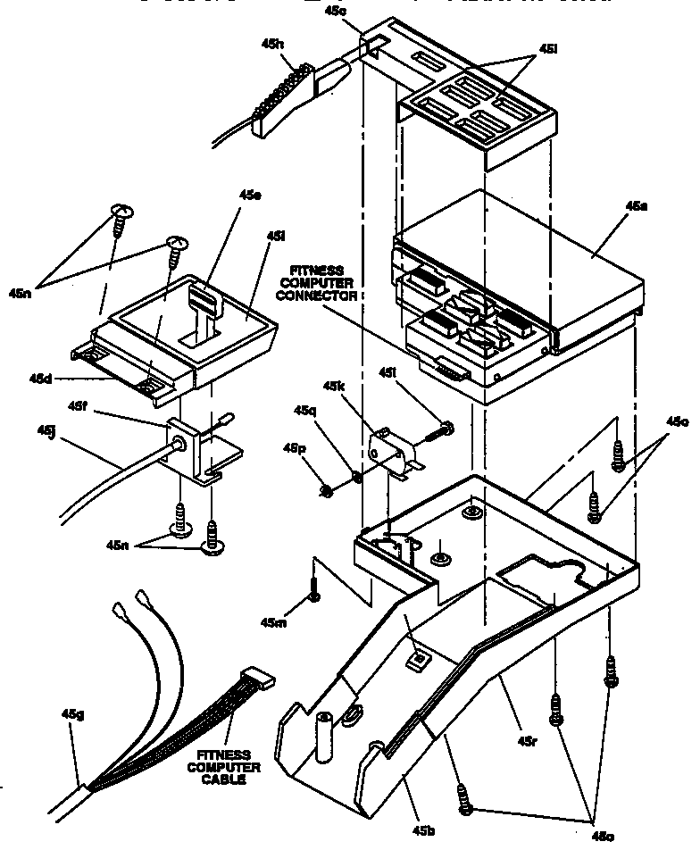
Showing 10 of 99 parts

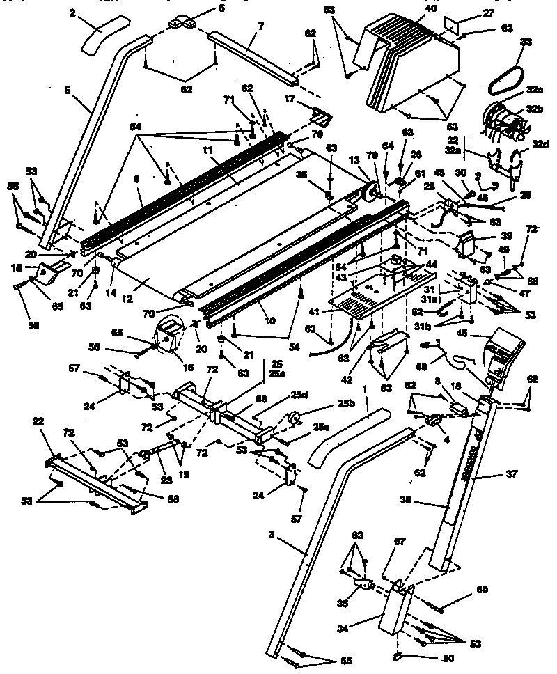
Washer#65

Motor and walking assembly Diagram

Washer

Part #26018700

The manufacturer no longer makes this part, and there's no substitute part

Washer#66

Motor and walking assembly Diagram

Washer

Part #26000400

The manufacturer no longer makes this part, and there's no substitute part

Lock Nut#67

Motor and walking assembly Diagram

Lock nut

Part #25014600

The manufacturer no longer makes this part, and there's no substitute part

Lock Nut#72

Motor and walking assembly Diagram

Lock nut

Part #25018700

The manufacturer no longer makes this part, and there's no substitute part

Lock Washer#61

Motor and walking assembly Diagram

Lock washer

Part #26009700

The manufacturer no longer makes this part, and there's no substitute part

Screw

See All Related Diagrams

Screw

Part #20016000

The manufacturer no longer makes this part, and there's no substitute part

Lock Nut#25D

Motor and walking assembly Diagram

Lock nut

Part #25020400

The manufacturer no longer makes this part, and there's no substitute part

Hex Screw#53

Motor and walking assembly Diagram

Hex screw

Part #23021000

The manufacturer no longer makes this part, and there's no substitute part

Bolt#58

Motor and walking assembly Diagram

Bolt

Part #22018100

The manufacturer no longer makes this part, and there's no substitute part

Motor/mnt As#32

Motor and walking assembly Diagram

Motor/mnt as

Part #39379300

The manufacturer no longer makes this part, and there's no substitute part

Symptoms for treadmills

Choose a symptom to see related treadmill repairs.

Main causes: faulty sensors, wiring failure, bad control console
Main causes: no power, bad power cord, tripped or faulty overload switch, bad power switch, wiring failure, bad motor control board
Main causes: missing safety key, bad control console, wiring failure, faulty motor control board, bad drive motor
Main causes: bad control console, wiring failure, bad motor control board
Main causes: damaged walking belt, improper belt tension, lack of belt lubricant, bad drive motor
Main causes: damaged walking belt, improper belt tension, bad roller bearing
Main causes: rear roller out of alignment, damaged walking belt, bad roller

Repair guides for treadmills

These step-by-step repair guides will help you safely fix what’s broken on your treadmill.

June 1, 2015
By Lyle Weischwill
How to replace a treadmill motor controller

Your treadmill motor won't run with a defective motor controller. Replace the motor controller if it doesn't operate the motor correctly.

Repair difficulty
Time required
 15 minutes or less
How to replace a treadmill walking belt

A worn walking belt will begin to slow down during use. If your treadmill walking belt is worn out, replace it using these steps.

Repair difficulty
Time required
 45 minutes or less
June 1, 2015
By Lyle Weischwill
How to replace a treadmill drive motor

A defective drive motor won't run when activated by the motor controller. Replace the treadmill drive motor if it doesn't run.

Repair difficulty
Time required
 15 minutes or less

Articles and videos common to all fitness & exercise

Use the advice and tips in these articles and videos to get the most out of your treadmill.

June 29, 2022

Top questions about Sears and Sears PartsDirect

By Lyle Weischwill

Get answers to frequently asked questions about Sears and Sears PartsDirect.