Craftsman
Walk-Behind Mower

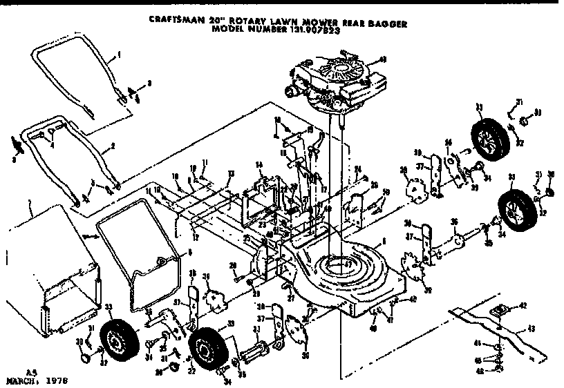
Model #131907823 Official Craftsman 20" rotary lawn mower with rear bagger

Here are the diagrams and repair parts for Craftsman 131907823 20" rotary lawn mower with rear bagger, as well as links to manuals and error code tables, if available.

There are a couple of ways to find the part or diagram you need:

  • Click a diagram to see the parts shown on that diagram.
  • In the search box below, enter all or part of the part number or the part’s name.

Not all parts are shown on the diagrams—those parts are labeled NI, for “not illustrated”.

We encourage you to save the model to your profile, so it’s easy to access parts and manuals for your appliance whenever you log in.

For DIY troubleshooting advice and repair guides, visit our repair help section.

Showing 10 of 49 parts

Nut#28

Replacement parts Diagram

Nut

Part #74399

The manufacturer no longer makes this part, and there's no substitute part

Lock Nut#20

Replacement parts Diagram

Lock nut

Part #74218

The manufacturer no longer makes this part, and there's no substitute part

Lawn Mower Washer#32

Replacement parts Diagram

Washer

Part #52160
Replaced by #596040101
?
Manufacturer substitution
This part replaces 52160. Substitute parts can look different from the original.
This item is not returnable
In Stock
$2.16
Screw#11

Replacement parts Diagram

Screw

Part #73845

The manufacturer no longer makes this part, and there's no substitute part

Carriage Bolt#19

Replacement parts Diagram

Carriage bolt

Part #73383

The manufacturer no longer makes this part, and there's no substitute part

Screw 5/8 Lg#16

Replacement parts Diagram

Screw 5/8 lg

Part #54562

The manufacturer no longer makes this part, and there's no substitute part

Wheel Tire#33

Replacement parts Diagram

Wheel tire

Part #72423

The manufacturer no longer makes this part, and there's no substitute part

Lawn Mower 20-in Deck Blade (replaces 129277, 134871, 145106CS, 145106MS, 145106WA, 145106X431, 146749, 146749WA, 33255, 532129277, 5321608-37, 5327009-72, 532751646, 700972, 701211WA, 751646, 850972, 850972WA)#43

Replacement parts Diagram

Blade

Part #69229
Replaced by #145106
?
Manufacturer substitution
This part replaces 69229. Substitute parts can look different from the original.
This item is not returnable

Get free shipping with Automatic Reorder

In Stock
$13.39 | 
13% OFF 
Phone Price: $15.39
Cotter Pin#23

Replacement parts Diagram

Cotter pin

Part #63640

The manufacturer no longer makes this part, and there's no substitute part

Bolt#27

Replacement parts Diagram

Bolt

Part #75156

The manufacturer no longer makes this part, and there's no substitute part

Articles and videos common to all walk-behind mowers

February 11, 2023

Top 10 electric lawn and garden tools for 2023

Lyle Weischwill

Learn about the top 10 must-have electric lawn & garden tools for 2023

August 30, 2022

How to enjoy all the online benefits we offer on our Sears PartsDirect website

Lyle Weischwill

Learn about all the convenient features on our Sears PartsDirect website that make your parts purchases easier.

August 11, 2022

Tapping into a new feature in the Search Bar on Sears PartsDirect

Lyle Weischwill

Learn about a new feature added to the Search Bar on Sears PartsDirect