Craftsman
Boating

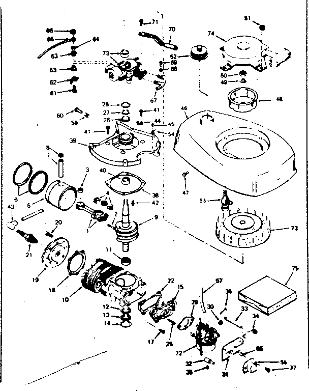
Model #217585410 Official Craftsman 5.0-hp outboard motor

Here are the diagrams and repair parts for Craftsman 217585410 5.0-hp outboard motor, as well as links to manuals and error code tables, if available.

There are a couple of ways to find the part or diagram you need:

  • Click a diagram to see the parts shown on that diagram.
  • In the search box below, enter all or part of the part number or the part’s name.

Not all parts are shown on the diagrams—those parts are labeled NI, for “not illustrated”.

We encourage you to save the model to your profile, so it’s easy to access parts and manuals for your appliance whenever you log in.

For DIY troubleshooting advice and repair guides, visit our repair help section.

Showing 10 of 226 parts

Gasket#25

Carburetor Diagram

Gasket

Part #631028

The manufacturer no longer makes this part, and there's no substitute part

Cover#43

Engine assembly no. 643-21 Diagram

Cover

Part #610118

The manufacturer no longer makes this part, and there's no substitute part

Gasket#21

Carburetor Diagram

Gasket

Part #631334

The manufacturer no longer makes this part, and there's no substitute part

Starter#74

Engine assembly no. 643-21 Diagram

Starter

Part #590420

The manufacturer no longer makes this part, and there's no substitute part

Washer Steel

See All Related Diagrams

Washer steel

Part #4849

The manufacturer no longer makes this part, and there's no substitute part

Gasket#18

Engine assembly no. 643-21 Diagram

Gasket

Part #510274

The manufacturer no longer makes this part, and there's no substitute part

Fuel Fitting#53

Engine assembly no. 643-21 Diagram

Fuel fitting

Part #29683

The manufacturer no longer makes this part, and there's no substitute part

Plate Assembly#15

Engine assembly no. 643-21 Diagram

Plate assembly

Part #470142

The manufacturer no longer makes this part, and there's no substitute part

Piston#5

Engine assembly no. 643-21 Diagram

Piston

Part #310230

The manufacturer no longer makes this part, and there's no substitute part

Ring Set#6

Engine assembly no. 643-21 Diagram

Ring set

Part #310190

The manufacturer no longer makes this part, and there's no substitute part