Amana
Electric Range

Model #ARE650/P8577205S Official Amana electric range

Here are the diagrams and repair parts for Amana ARE650-P8577205S electric range, as well as links to manuals and error code tables, if available.

There are a couple of ways to find the part or diagram you need:

  • Click a diagram to see the parts shown on that diagram.
  • In the search box below, enter all or part of the part number or the part’s name.

Not all parts are shown on the diagrams—those parts are labeled NI, for “not illustrated”.

We encourage you to save the model to your profile, so it’s easy to access parts and manuals for your appliance whenever you log in.

For DIY troubleshooting advice and repair guides, visit our repair help section.

Error Codes

Showing 10 of 218 parts

Appliance Light Bulb, 40-watt#13

Oven cabinet Diagram

Lamp

Part #A0282805
Replaced by #40A15
?
Manufacturer substitution
This part replaces A0282805. Substitute parts can look different from the original.
BEST SELLER
In Stock
$8.35 | 
11% OFF 
Phone Price: $9.35
Washer Screw, #10-16 x 3/8-in#22

Door lock assembly Diagram

Screw

Part #M0216729
Replaced by #WP3390631
?
Manufacturer substitution
This part replaces M0216729. Substitute parts can look different from the original.
This item is not returnable
In Stock
$4.39 | 
19% OFF 
Phone Price: $5.39
Range Broil Pan#35

Door and drawer Diagram

Broiler pan

Part #D8583501
Replaced by #4396923
?
Manufacturer substitution
This part replaces D8583501. Substitute parts can look different from the original.
In Stock
$25.33 | 
35% OFF 
MSRP: $39.00
Range Broil Pan#36

Door and drawer Diagram

Broil grille

Part #D8583601
Replaced by #4396923
?
Manufacturer substitution
This part replaces D8583601. Substitute parts can look different from the original.
In Stock
$25.33 | 
35% OFF 
MSRP: $39.00
Cooktop Solid Surface Element, 6-in#1

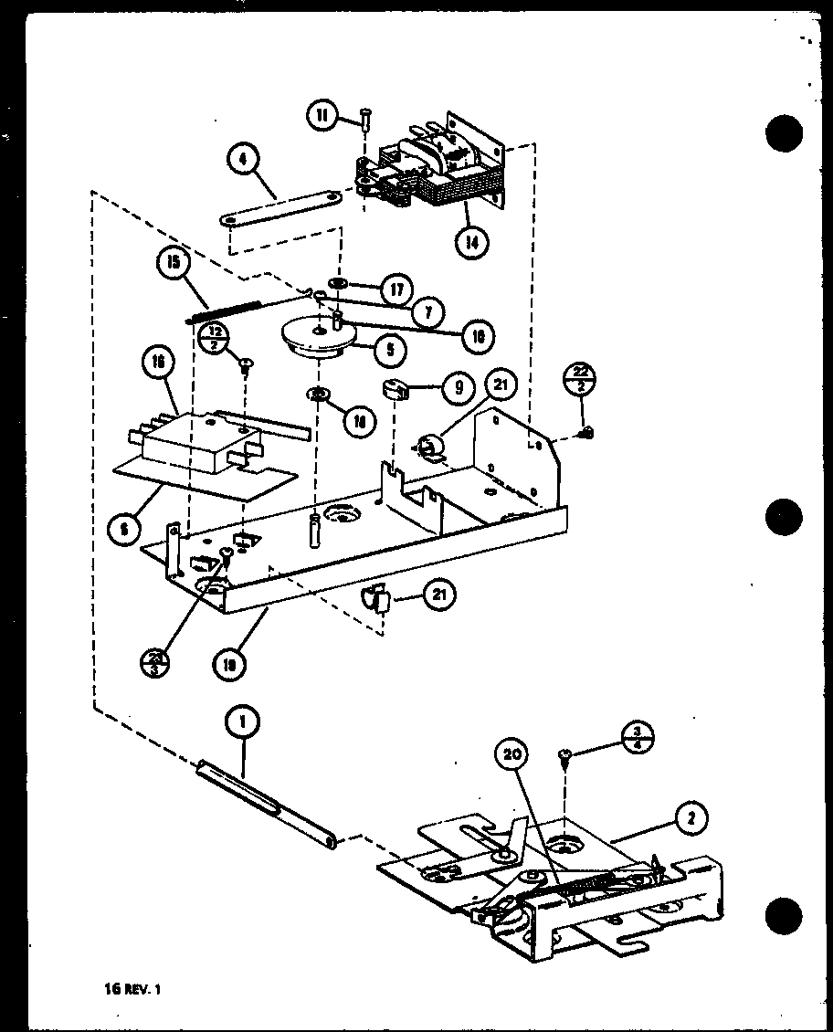
Module cooktop Diagram

Element

Part #D8600001
Replaced by #WP3147131
?
Manufacturer substitution
This part replaces D8600001. Substitute parts can look different from the original.
In Stock
$108.19 | 
10% OFF 
MSRP: $120.00
Appliance Screw#12

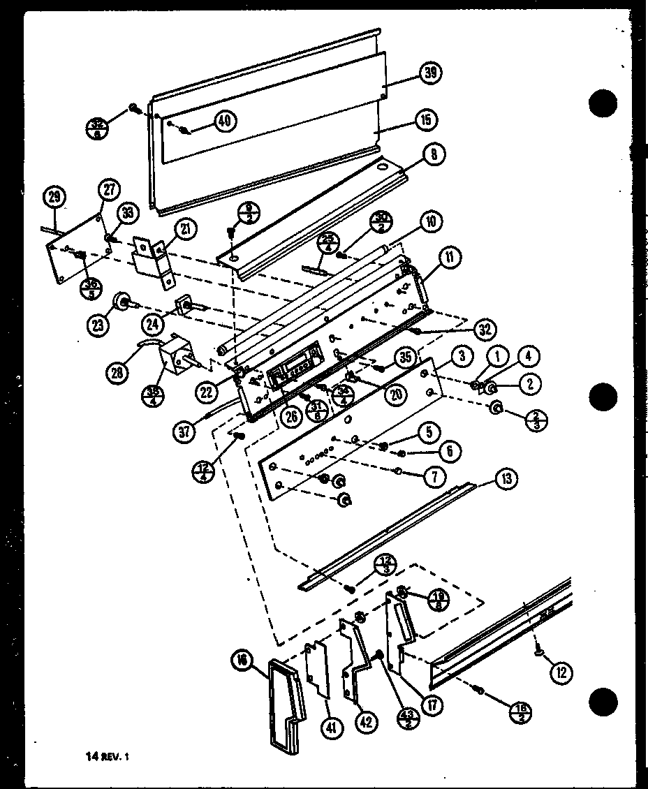
Control panel Diagram

Screw

Part #M0217204
Replaced by #WP59002061
?
Manufacturer substitution
This part replaces M0217204. Substitute parts can look different from the original.
This item is not returnable
In Stock
$4.39 | 
19% OFF 
Phone Price: $5.39
Appliance Fluorescent Light Bulb#10

Control panel Diagram

Light

Part #M0360302
Replaced by #WP95292
?
Manufacturer substitution
This part replaces M0360302. Substitute parts can look different from the original.
In Stock
$55.49
Range Drip Pan#11

Electric cooktop Diagram

Bowl

Part #D8576204
Replaced by #WPW10290350
?
Manufacturer substitution
This part replaces D8576204. Substitute parts can look different from the original.
In Stock
$10.86
Range Coil Surface Element, 8-in#9A

Electric cooktop Diagram

Element lg

Part #D8549502
Replaced by #WP3191454
?
Manufacturer substitution
This part replaces D8549502. Substitute parts can look different from the original.
In Stock
$86.49 | 
5% OFF 
Phone Price: $91.49
Range Surface Element Control Switch#38

Control panel Diagram

Switch

Part #10027904
Replaced by #WPR0702021
?
Manufacturer substitution
This part replaces 10027904. Substitute parts can look different from the original.
In Stock
$90.69 | 
24% OFF 
MSRP: $120.00

Symptoms common to all ranges

Choose a symptom to see related range repairs.

Main causes: food splatters, spilling food on the oven door, allowing liquid to drip through oven door vent when cleaning the door
Main causes: power supply failure, blown thermal fuse, bad relay control board, damaged terminal block, wiring failure
Main causes: broken oven door lock assembly, wiring failure, electronic control board problem
Main causes: faulty temperature sensor, electronic control board problem, control thermostat failure, weak burner igniter, oven door problem
Main causes: broken broiler element, weak or broken broil burner igniter, control system failure, faulty temperature sensor, wiring failure
Main causes: power supply problem, control thermostat or electronic control board failure, broken element, bad burner igniter
Main causes: bad bake element, broken burner igniter, control system failure, blown thermal fuse, faulty temperature sensor, wiring failure

Repair guides common to all ranges

These step-by-step repair guides will help you safely fix what’s broken on your range.

July 20, 2018
By Lyle Weischwill
How to replace a range oven door switch

The oven door switch detects whether the oven door is closed and helps control the oven light. Replace the switch if it doesn’t control the oven light properly.

Repair difficulty
Time required
 30 minutes or less
February 20, 2015
By Lyle Weischwill
How to replace a range oven door lock assembly

Oven door not locking? You can replace the lock assembly in less than 30 minutes. Here's how.

Repair difficulty
Time required
 15 minutes or less

Articles and videos common to all ranges

Use the advice and tips in these articles and videos to get the most out of your range.

May 12, 2022

How to disassemble an Electrolux EW30 freestanding electric range

By Lyle Weischwill

See how to access control boards and oven components in an Electrolux electric range.

December 27, 2021

How does a self-cleaning oven work?

By Lyle Weischwill

Learn how the self-clean cycle works in an oven.

May 31, 2016

Oven door won't open: troubleshooting door lock problems on a range video

By Lyle Weischwill

Troubleshoot and repair problems with your range when your oven door locks shut and you can't get it open.