LXI
Audio Equipment

Model #30421910150 Official LXI am/fm cassette recorder

Here are the diagrams and repair parts for LXI 30421910150 am/fm cassette recorder, as well as links to manuals and error code tables, if available.

There are a couple of ways to find the part or diagram you need:

  • Click a diagram to see the parts shown on that diagram.
  • In the search box below, enter all or part of the part number or the part’s name.

Not all parts are shown on the diagrams—those parts are labeled NI, for “not illustrated”.

We encourage you to save the model to your profile, so it’s easy to access parts and manuals for your appliance whenever you log in.

For DIY troubleshooting advice and repair guides, visit our repair help section.

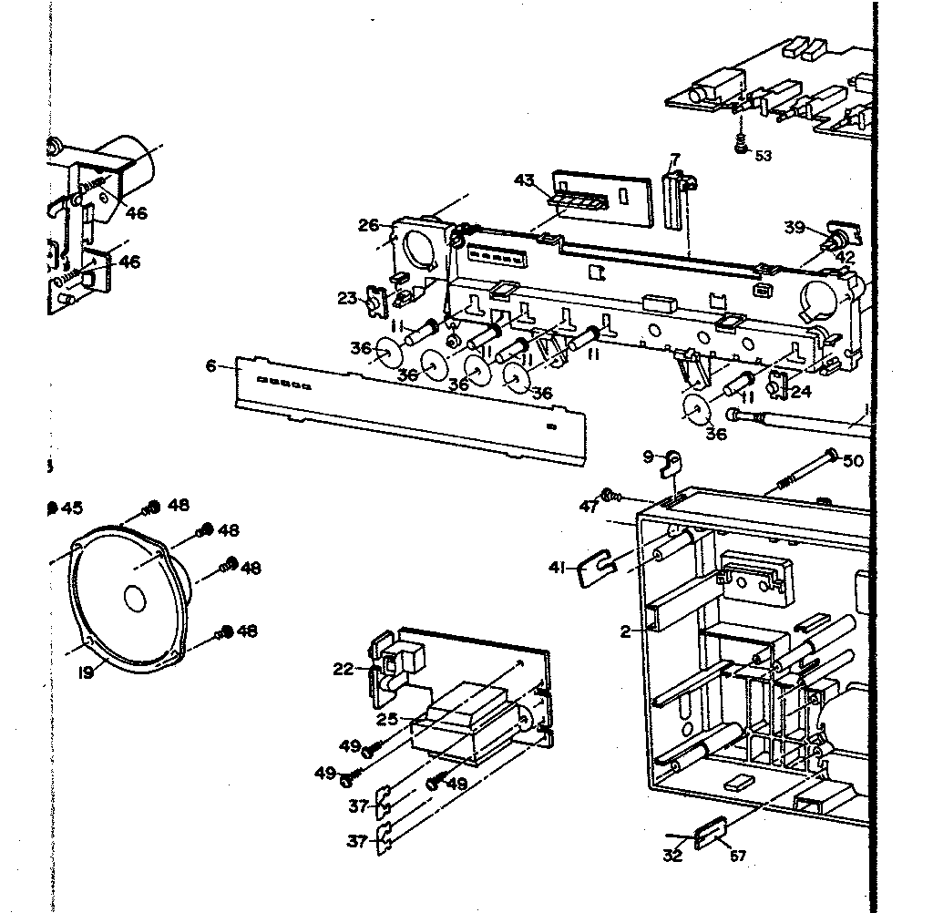
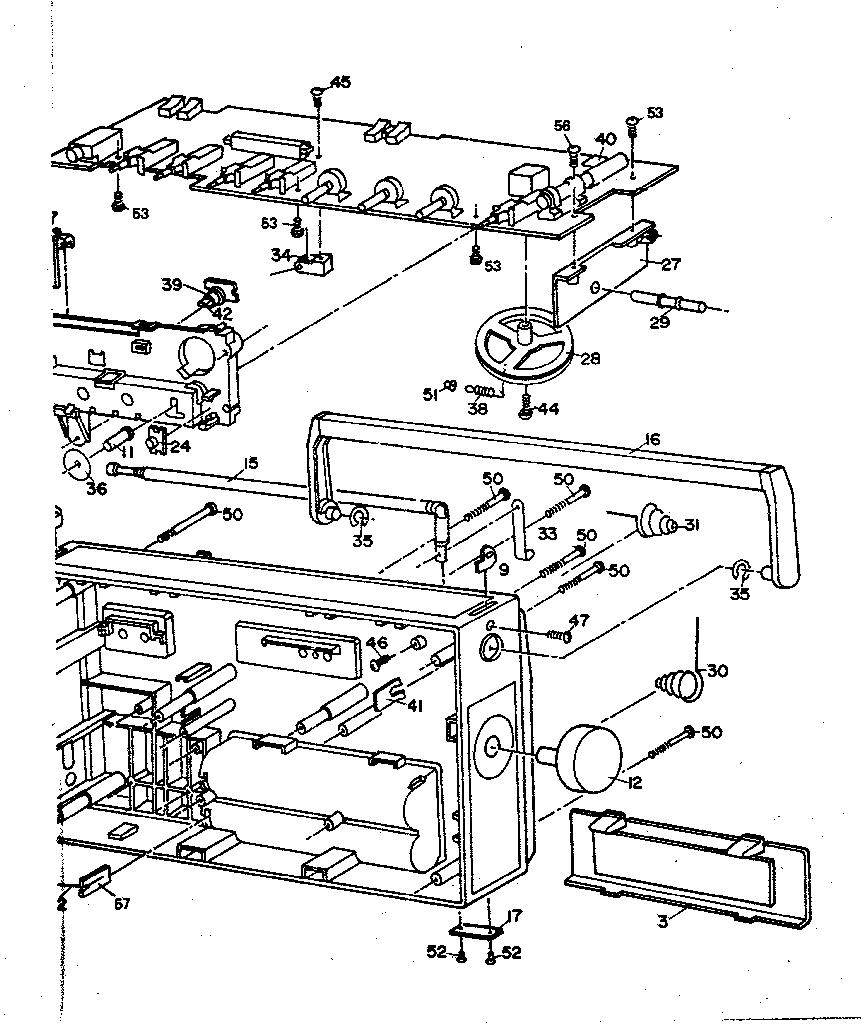
Showing 10 of 46 parts

Spring

#38

All parts Diagram

Spring

Part #26W0263

The manufacturer no longer makes this part, and there's no substitute part

Screw

#53

All parts Diagram

Screw

Part #DLM1310

The manufacturer no longer makes this part, and there's no substitute part

Screw

#48

All parts Diagram

Screw

Part #DZM1408

The manufacturer no longer makes this part, and there's no substitute part

Battery Spring

#32

All parts Diagram

Battery spring

Part #26B0084

The manufacturer no longer makes this part, and there's no substitute part

Term Bd.

#57

All parts Diagram

Term bd.

Part #16123671

The manufacturer no longer makes this part, and there's no substitute part

Knob

#11

All parts Diagram

Knob

Part #21N1292

The manufacturer no longer makes this part, and there's no substitute part

Rear Cab

#2

All parts Diagram

Rear cab

Part #21C1503A

The manufacturer no longer makes this part, and there's no substitute part

Record Spring

#34

All parts Diagram

Record spring

Part #26W0278A

The manufacturer no longer makes this part, and there's no substitute part

Screw

#46

All parts Diagram

Screw

Part #GLMP310

The manufacturer no longer makes this part, and there's no substitute part

Screw

#56

All parts Diagram

Screw

Part #DZM1310

The manufacturer no longer makes this part, and there's no substitute part