GE
Electric Range

Model #JCB910SL2SS Official GE electric range

Here are the diagrams and repair parts for GE JCB910SL2SS electric range, as well as links to manuals and error code tables, if available.

There are a couple of ways to find the part or diagram you need:

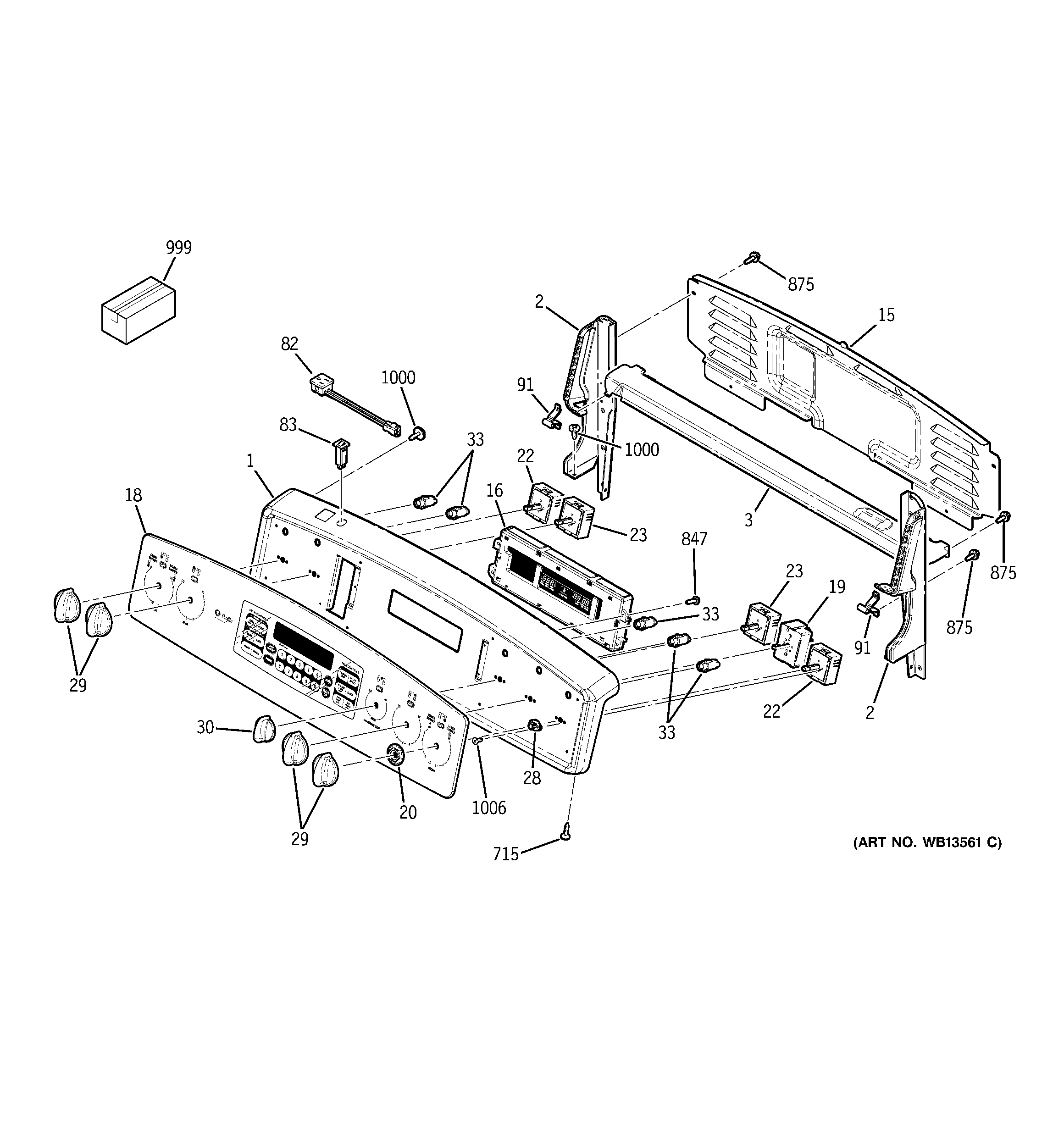
  • Click a diagram to see the parts shown on that diagram.
  • In the search box below, enter all or part of the part number or the part’s name.

Not all parts are shown on the diagrams—those parts are labeled NI, for “not illustrated”.

We encourage you to save the model to your profile, so it’s easy to access parts and manuals for your appliance whenever you log in.

For DIY troubleshooting advice and repair guides, visit our repair help section.

Error Codes

Showing 10 of 148 parts

Appliance Light Bulb, 40-watt#257

Body parts Diagram

Range oven light bulb

Part #WX12X1510
Replaced by #40A15
?
Manufacturer substitution
This part replaces WX12X1510. Substitute parts can look different from the original.
BEST SELLER
In Stock
$8.35 | 
11% OFF 
Phone Price: $9.35
Range Oven Temperature Sensor#253

Body parts Diagram

Wall oven temperature sensor

Part #WB21T10007
Replaced by #WB21X22134
?
Manufacturer substitution
This part replaces WB21T10007. Substitute parts can look different from the original.
BEST SELLER
In Stock
$17.29 | 
10% OFF 
Phone Price: $19.29
Range Oven Door Middle Glass#338

Door Diagram

Range oven door middle glass

Part #WB56T10105
BEST SELLER
In Stock
$104.90 | 
9% OFF 
Phone Price: $114.90
Cerama Bryte Cooktop Cleaner

See All Related Diagrams

Cleaner

Part #WB02X11121
Replaced by #WX10X300
?
Manufacturer substitution
This part replaces WB02X11121. Substitute parts can look different from the original.
BEST SELLER
This item is not returnable

Get free shipping with Automatic Reorder

In Stock
$13.39 | 
13% OFF 
Phone Price: $15.39
Range Oven Light Lens#259

Body parts Diagram

Wall oven light lens

Part #WB36X0389
Replaced by #WB36X192
?
Manufacturer substitution
This part replaces WB36X0389. Substitute parts can look different from the original.
BEST SELLER
This item is not returnable
In Stock
$7.69 | 
12% OFF 
Phone Price: $8.69
Range Light Socket#256

Body parts Diagram

Range light socket

Part #WB08T10026
This item is not returnable
In Stock
$7.69 | 
12% OFF 
Phone Price: $8.69
Range Oven Door Switch#261

Body parts Diagram

Light switch

Part #WB24T10112
Replaced by #WB24T10147
?
Manufacturer substitution
This part replaces WB24T10112. Substitute parts can look different from the original.
This item is not returnable
In Stock
$15.99 | 
11% OFF 
Phone Price: $17.99
Range Surface Element Control Switch#22

Control panel Diagram

In Stock
$73.29 | 
6% OFF 
Phone Price: $78.29
Range Leveling Leg#296

Warming drawer Diagram

Range leveling leg

Part #WB02X10521
This item is not returnable
In Stock
$7.69 | 
12% OFF 
Phone Price: $8.69
Range Screw#699

Door Diagram

Screw

Part #WB01K5150
Replaced by #WB1M1
?
Manufacturer substitution
This part replaces WB01K5150. Substitute parts can look different from the original.
This item is not returnable
In Stock
$7.39 | 
12% OFF 
Phone Price: $8.39

Symptoms common to all ranges

Choose a symptom to see related range repairs.

Main causes: food splatters, spilling food on the oven door, allowing liquid to drip through oven door vent when cleaning the door
Main causes: power supply failure, blown thermal fuse, bad relay control board, damaged terminal block, wiring failure
Main causes: broken oven door lock assembly, wiring failure, electronic control board problem
Main causes: faulty temperature sensor, electronic control board problem, control thermostat failure, weak burner igniter, oven door problem
Main causes: broken broiler element, weak or broken broil burner igniter, control system failure, faulty temperature sensor, wiring failure
Main causes: power supply problem, control thermostat or electronic control board failure, broken element, bad burner igniter
Main causes: bad bake element, broken burner igniter, control system failure, blown thermal fuse, faulty temperature sensor, wiring failure

Repair guides common to all ranges

These step-by-step repair guides will help you safely fix what’s broken on your range.

July 20, 2018
By Lyle Weischwill
How to replace a range oven door switch

The oven door switch detects whether the oven door is closed and helps control the oven light. Replace the switch if it doesn’t control the oven light properly.

Repair difficulty
Time required
 30 minutes or less
February 20, 2015
By Lyle Weischwill
How to replace a range oven door lock assembly

Oven door not locking? You can replace the lock assembly in less than 30 minutes. Here's how.

Repair difficulty
Time required
 15 minutes or less

Articles and videos common to all ranges

Use the advice and tips in these articles and videos to get the most out of your range.

May 12, 2022

How to disassemble an Electrolux EW30 freestanding electric range

By Lyle Weischwill

See how to access control boards and oven components in an Electrolux electric range.

December 27, 2021

How does a self-cleaning oven work?

By Lyle Weischwill

Learn how the self-clean cycle works in an oven.

May 31, 2016

Oven door won't open: troubleshooting door lock problems on a range video

By Lyle Weischwill

Troubleshoot and repair problems with your range when your oven door locks shut and you can't get it open.