Whirlpool
Wall Oven/Microwave Combo

Model #RM286PXV2 Official Whirlpool electric built-in oven with microwave

Here are the diagrams and repair parts for Whirlpool RM286PXV2 electric built-in oven with microwave, as well as links to manuals and error code tables, if available.

There are a couple of ways to find the part or diagram you need:

  • Click a diagram to see the parts shown on that diagram.
  • In the search box below, enter all or part of the part number or the part’s name.

Not all parts are shown on the diagrams—those parts are labeled NI, for “not illustrated”.

We encourage you to save the model to your profile, so it’s easy to access parts and manuals for your appliance whenever you log in.

For DIY troubleshooting advice and repair guides, visit our repair help section.

Showing 10 of 274 parts

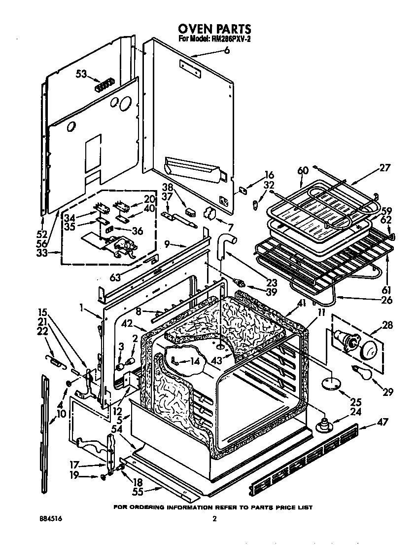
Appliance Light Bulb, 40-watt (replaces 40A15-2PK, 60A, 60A15RVL, STD398091, WR02X12328, WX12X1510)#29

Oven Diagram

Light bulb

Part #311255
Replaced by #40A15
?
Manufacturer substitution
This part replaces 311255. Substitute parts can look different from the original.
BEST SELLER
In Stock
$7.52 | 
12% OFF 
Phone Price: $8.52
Appliance Touch-Up Paint, 0.6-oz (White) (replaces 21020, 72017R, 8006, W10813125, Y058028)

#NI

All parts Diagram

Appliance touch-up paint

Part #72017
Replaced by #72017
?
Manufacturer substitution
This part replaces 72017. Substitute parts can look different from the original.
BEST SELLER
In Stock
$8.29 | 
11% OFF 
Phone Price: $9.29
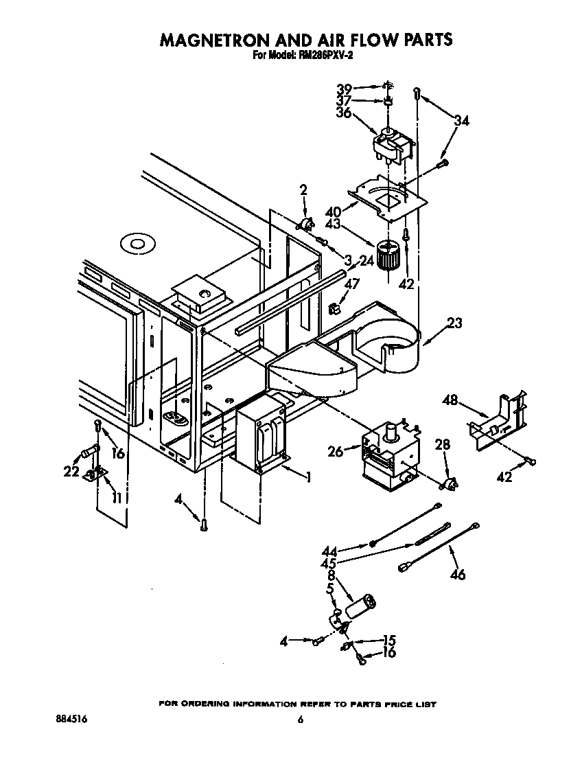
Range Bake Element (replaces 308180)#26

Oven Diagram

Bake element

Part #661170
Replaced by #WP308180
?
Manufacturer substitution
This part replaces 661170. Substitute parts can look different from the original.
BEST SELLER
In Stock
$57.96 | 
17% OFF 
MSRP: $70.00
Range Drip Pan (replaces 8008, WB31M2, WB32K10035, WB32X0106, WB32X5063, WB32X5073)

#NI

All parts Diagram

Touchup al

Part #72107
Replaced by #WB32X106
?
Manufacturer substitution
This part replaces 72107. Substitute parts can look different from the original.
BEST SELLER
In Stock
$17.38 | 
10% OFF 
Phone Price: $19.38
Appliance Screw

See All Related Diagrams

Screw

Part #3148107
Replaced by #WP488729
?
Manufacturer substitution
This part replaces 3148107. Substitute parts can look different from the original.
BEST SELLER
This item is not returnable
In Stock
$4.39 | 
19% OFF 
Phone Price: $5.39
Appliance Screw

See All Related Diagrams

Screw

Part #313638
Replaced by #WP488729
?
Manufacturer substitution
This part replaces 313638. Substitute parts can look different from the original.
BEST SELLER
This item is not returnable
In Stock
$4.39 | 
19% OFF 
Phone Price: $5.39
Dryer Drum Light Bulb (replaces 3395618)#13

Stirrer drive Diagram

Light bulb

Part #313969
Replaced by #WP3395618
?
Manufacturer substitution
This part replaces 313969. Substitute parts can look different from the original.
BEST SELLER
In Stock
$29.89 | 
14% OFF 
Phone Price: $34.89
Appliance Touch-Up Paint, 0.6-oz (Golden Harvest) (replaces R0197048, Y058029)

#NI

All parts Diagram

Touchup ng

Part #72110
Replaced by #72110
?
Manufacturer substitution
This part replaces 72110. Substitute parts can look different from the original.
This item is not returnable
In Stock
$7.99 | 
11% OFF 
Phone Price: $8.99
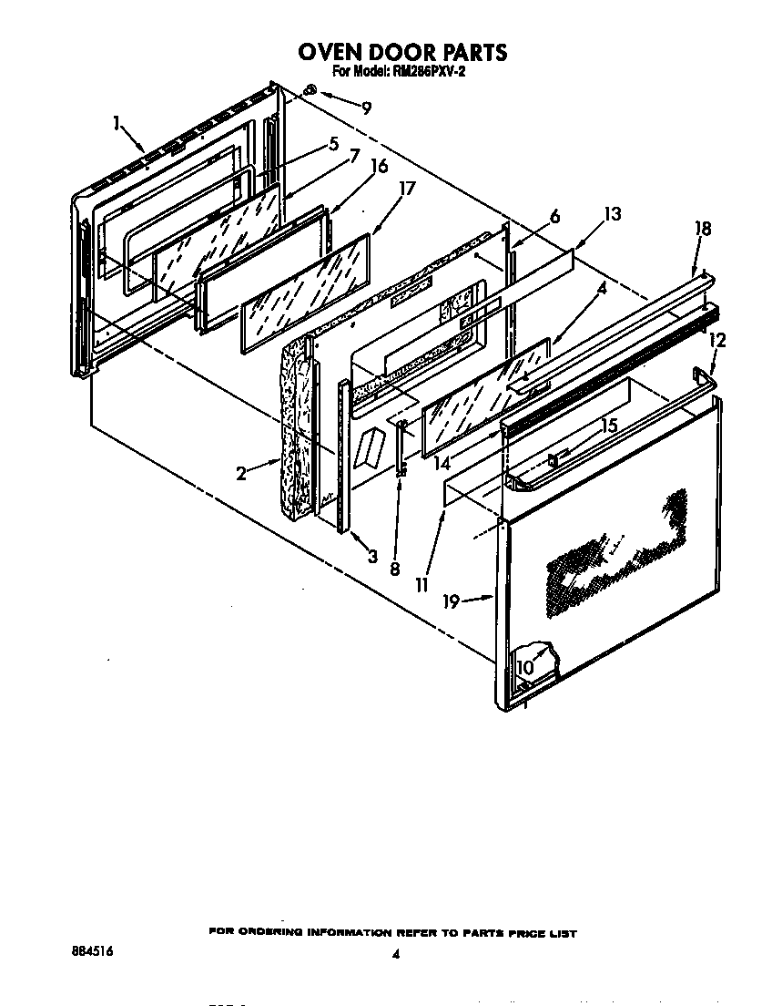
Wall Oven Door Inner Glass#7

Oven door Diagram

Door glass

Part #313004
Replaced by #WP3169203
?
Manufacturer substitution
This part replaces 313004. Substitute parts can look different from the original.
In Stock
$60.29 | 
10% OFF 
Was: $66.99
Wall Oven Door Inner Glass#17

Oven door Diagram

Door glass

Part #313005
Replaced by #WP3169203
?
Manufacturer substitution
This part replaces 313005. Substitute parts can look different from the original.
In Stock
$60.29 | 
10% OFF 
Was: $66.99