Craftsman
Electric Chainsaw

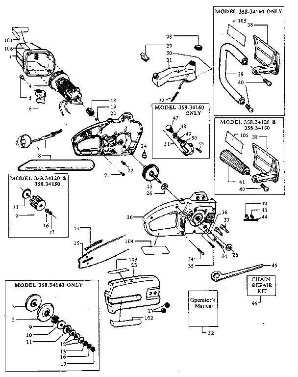
Model #35834160 Official Craftsman chainsaw

Here are the diagrams and repair parts for Craftsman 35834160 chainsaw, as well as links to manuals and error code tables, if available.

There are a couple of ways to find the part or diagram you need:

  • Click a diagram to see the parts shown on that diagram.
  • In the search box below, enter all or part of the part number or the part’s name.

Not all parts are shown on the diagrams—those parts are labeled NI, for “not illustrated”.

We encourage you to save the model to your profile, so it’s easy to access parts and manuals for your appliance whenever you log in.

For DIY troubleshooting advice and repair guides, visit our repair help section.

Owner’s manual

Showing 10 of 70 parts

Chainsaw Chain, 12-in#14A

Replacement parts Diagram

Chain

Part #71-3623
Replaced by #91PX045G
?
Manufacturer substitution
This part replaces 71-3623. Substitute parts can look different from the original.
In Stock
$24.26 | 
17% OFF 
Phone Price: $29.26
Chainsaw Check Valve#30

Replacement parts Diagram

Check valve

Part #530-026119
Replaced by #530026119
?
Manufacturer substitution
This part replaces 530-026119. Substitute parts can look different from the original.
This item is not returnable
In Stock
$3.23
Chainsaw Bar, 14-in#15B

Replacement parts Diagram

Bar

Part #71-36365
Replaced by #140SDEA041
?
Manufacturer substitution
This part replaces 71-36365. Substitute parts can look different from the original.
In Stock
$35.96 | 
12% OFF 
Phone Price: $40.96
Lawn & Garden Equipment Flange Nut#27

Replacement parts Diagram

Nut

Part #530-015251
Replaced by #530015251
?
Manufacturer substitution
This part replaces 530-015251. Substitute parts can look different from the original.
This item is not returnable
In Stock
$2.71 | 
27% OFF 
MSRP: $3.70
Lawn & Garden Equipment Screw#35

Replacement parts Diagram

Screw

Part #530-015495
Replaced by #534222402
?
Manufacturer substitution
This part replaces 530-015495. Substitute parts can look different from the original.
This item is not returnable
In Stock
$3.50
Chainsaw Chain, 14-in#14B

Replacement parts Diagram

Chain

Part #71-3618
Replaced by #91PX052G
?
Manufacturer substitution
This part replaces 71-3618. Substitute parts can look different from the original.

Get free shipping with Automatic Reorder

In Stock
$17.18 | 
20% OFF 
MSRP: $21.59
Lawn & Garden Equipment Screw#44

Replacement parts Diagram

Screw

Part #530-015514
Replaced by #530015514
?
Manufacturer substitution
This part replaces 530-015514. Substitute parts can look different from the original.
This item is not returnable
In Stock
$3.78
Nut#17

Replacement parts Diagram

Nut

Part #530-015502

The manufacturer no longer makes this part, and there's no substitute part

Ring#19

Replacement parts Diagram

Ring

Part #STD582031

The manufacturer no longer makes this part, and there's no substitute part

Lawn & Garden Equipment Washer#16

Replacement parts Diagram

Washer

Part #530-092062
Replaced by #530092062
?
Manufacturer substitution
This part replaces 530-092062. Substitute parts can look different from the original.
This item is not returnable
In Stock
$3.60

Articles and videos common to all chainsaws

July 12, 2022

What are the most common replacement parts for chainsaws?

By Lyle Weischwill

Learn about the most common replacement parts for chainsaws and how they can help you fix chainsaw problems.

June 29, 2022

Top questions about Sears and Sears PartsDirect

By Lyle Weischwill

Get answers to frequently asked questions about Sears and Sears PartsDirect.