Kenmore
Central Air Conditioner

Model #867813051 Official Kenmore packaged heat pump

Here are the diagrams and repair parts for Kenmore 867813051 packaged heat pump, as well as links to manuals and error code tables, if available.

There are a couple of ways to find the part or diagram you need:

  • Click a diagram to see the parts shown on that diagram.
  • In the search box below, enter all or part of the part number or the part’s name.

Not all parts are shown on the diagrams—those parts are labeled NI, for “not illustrated”.

We encourage you to save the model to your profile, so it’s easy to access parts and manuals for your appliance whenever you log in.

For DIY troubleshooting advice and repair guides, visit our repair help section.

Showing 10 of 422 parts

Motor Run Capacitor#129A

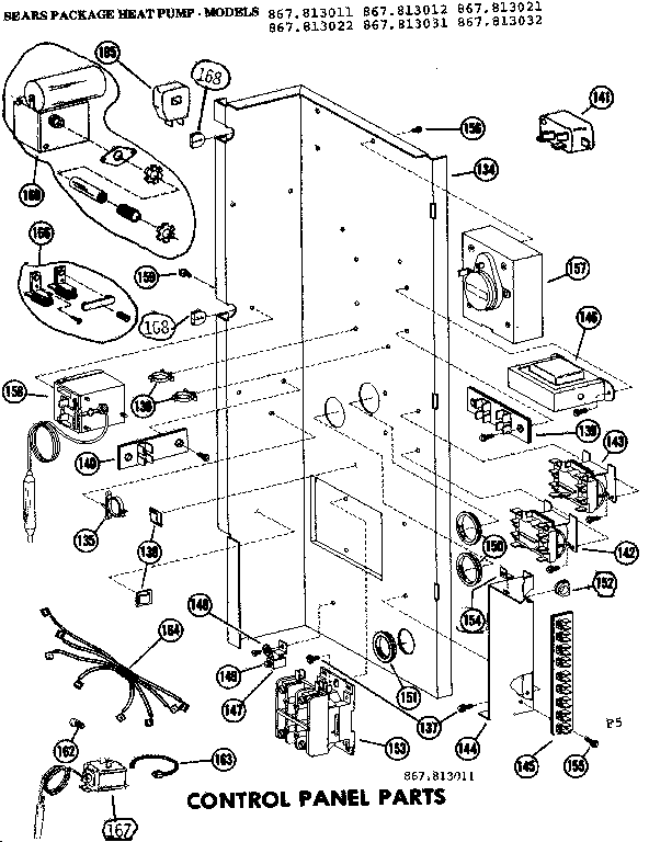
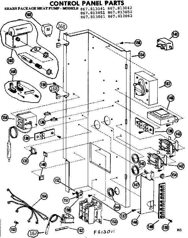
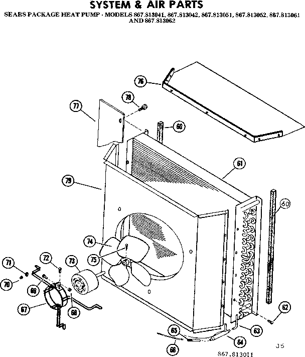
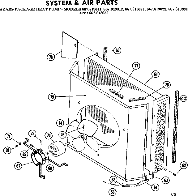
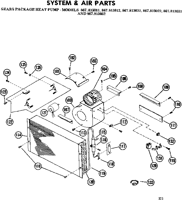
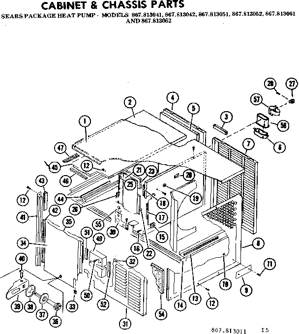
System and air parts Diagram

Capacitor

Part #94149
Replaced by #12005
?
Manufacturer substitution
This part replaces 94149. Substitute parts can look different from the original.
In Stock
$16.12 | 
11% OFF 
Phone Price: $18.12
Motor Run Capacitor#129B

System and air parts Diagram

Capacitor

Part #92646
Replaced by #12907
?
Manufacturer substitution
This part replaces 92646. Substitute parts can look different from the original.
This item is not returnable
In Stock
$3.19 | 
24% OFF 
Phone Price: $4.19
Evaporator Coil#114B

System and air parts Diagram

Evaporator coil

Part #703292
In Stock
$422.49
Weldment#36

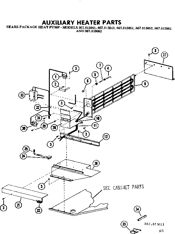
Auxiliary heter parts Diagram

Weldment

Part #750673
In Stock
$24.49
Washer#19

Terminal and fuse box Diagram

Washer

Part #750684
This item is not returnable
In Stock
$2.16
Extension#76B

System and air parts Diagram

Extension

Part #750498
In Stock
$12.99
Fuse Block#5

Terminal and fuse box Diagram

Fuse block

Part #750329
In Stock
$25.99
Tube Dischrg#91C

Compressor system Diagram

Tube dischrg

Part #750336
This item is not returnable
In Stock
$4.99
Thermostat#1

Auxiliary heter parts Diagram

Thermostat

Part #700822
In Stock
$10.99
Screw

See All Related Diagrams

Screw

Part #750548
This item is not returnable
In Stock
$5.99

Articles and videos common to all central air conditioners

October 24, 2022

Easy DIY appliance repairs that anyone can do

Lyle Weischwill

Get advice on simple DIY fixes for appliances that you can safely do on your own.

August 5, 2022

Introducing new technical repair content that we’re developing for the Sears Technical Institute

Lyle Weischwill

Learn about Sears Technical Institute and the advanced technical content being developed for aspiring appliance techs.

June 29, 2022

Top questions about Sears and Sears PartsDirect

Lyle Weischwill

Get answers to frequently asked questions about Sears and Sears PartsDirect.