Craftsman
Chainsaw

Model #91760040 Official Craftsman chainsaw

Here are the diagrams and repair parts for Craftsman 91760040 chainsaw, as well as links to manuals and error code tables, if available.

There are a couple of ways to find the part or diagram you need:

  • Click a diagram to see the parts shown on that diagram.
  • In the search box below, enter all or part of the part number or the part’s name.

Not all parts are shown on the diagrams—those parts are labeled NI, for “not illustrated”.

We encourage you to save the model to your profile, so it’s easy to access parts and manuals for your appliance whenever you log in.

For DIY troubleshooting advice and repair guides, visit our repair help section.

Showing 10 of 237 parts

Lawn & Garden Equipment Engine Fuel Line (replaces 14306, 34357)#67

Type 1333a model an-47 Diagram

Fuel ling

Part #29774
Replaced by #29774
?
Manufacturer substitution
This part replaces 29774. Substitute parts can look different from the original.
BEST SELLER
This item is not returnable
In Stock
$5.99 | 
14% OFF 
Phone Price: $6.99
Lawn & Garden Equipment Engine Spark Plug Boot (replaces 27276, TC-610118)#26

Type 1333a model an-47 Diagram

Cover

Part #610118
Replaced by #610118
?
Manufacturer substitution
This part replaces 610118. Substitute parts can look different from the original.
BEST SELLER
This item is not returnable
In Stock
$4.49 | 
25% OFF 
MSRP: $6.00
Lawn & Garden Equipment Engine Screw#42

Type 1333a model an-47 Diagram

Screw

Part #650123
Replaced by #651081
?
Manufacturer substitution
This part replaces 650123. Substitute parts can look different from the original.
This item is not returnable
In Stock
$5.19
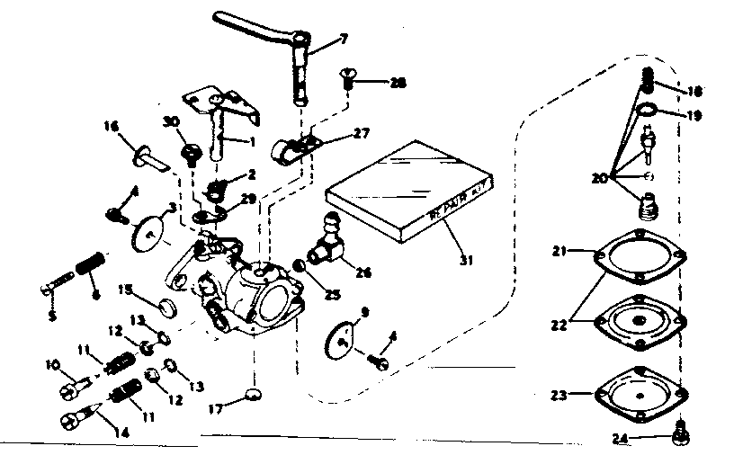
Lawn & Garden Equipment Engine Carburetor Diaphragm Gasket#21

Carburetor no.430950a Diagram

Gasket

Part #630750
Replaced by #630750A
?
Manufacturer substitution
This part replaces 630750. Substitute parts can look different from the original.
This item is not returnable
In Stock
$3.00
Lawn & Garden Equipment Engine Carburetor Diaphragm Cover#23

Carburetor no.430950a Diagram

Cover

Part #630751
Replaced by #630751
?
Manufacturer substitution
This part replaces 630751. Substitute parts can look different from the original.
This item is not returnable
In Stock
$4.79 | 
17% OFF 
Phone Price: $5.79
Lawn & Garden Equipment Engine Carburetor Adjustment Screw Spring#11

Carburetor no.430950a Diagram

Spring

Part #630738
Replaced by #630738
?
Manufacturer substitution
This part replaces 630738. Substitute parts can look different from the original.
This item is not returnable
In Stock
$2.16
Spring Retainer#13

Type 1333a model an-47 Diagram

Ret spring

Part #510109
Replaced by #510109A
?
Manufacturer substitution
This part replaces 510109. Substitute parts can look different from the original.
This item is not returnable
In Stock
$2.60
Bolt#37

Handle and centrifugal clutch assembly Diagram

Bolt

Part #04760520

The manufacturer no longer makes this part, and there's no substitute part

Spring#18

Carburetor no.430950a Diagram

Spring

Part #630741
Replaced by #631049
?
Manufacturer substitution
This part replaces 630741. Substitute parts can look different from the original.
This item is not returnable
In Stock
$2.16
Hex Bolt#22

Handle and centrifugal clutch assembly Diagram

Hex bolt

Part #04520636

The manufacturer no longer makes this part, and there's no substitute part

Articles and videos common to all chainsaws

July 12, 2022

What are the most common replacement parts for chainsaws?

Lyle Weischwill

Learn about the most common replacement parts for chainsaws and how they can help you fix chainsaw problems.

June 29, 2022

Top questions about Sears and Sears PartsDirect

Lyle Weischwill

Get answers to frequently asked questions about Sears and Sears PartsDirect.