Whirlpool
Central Air Conditioner

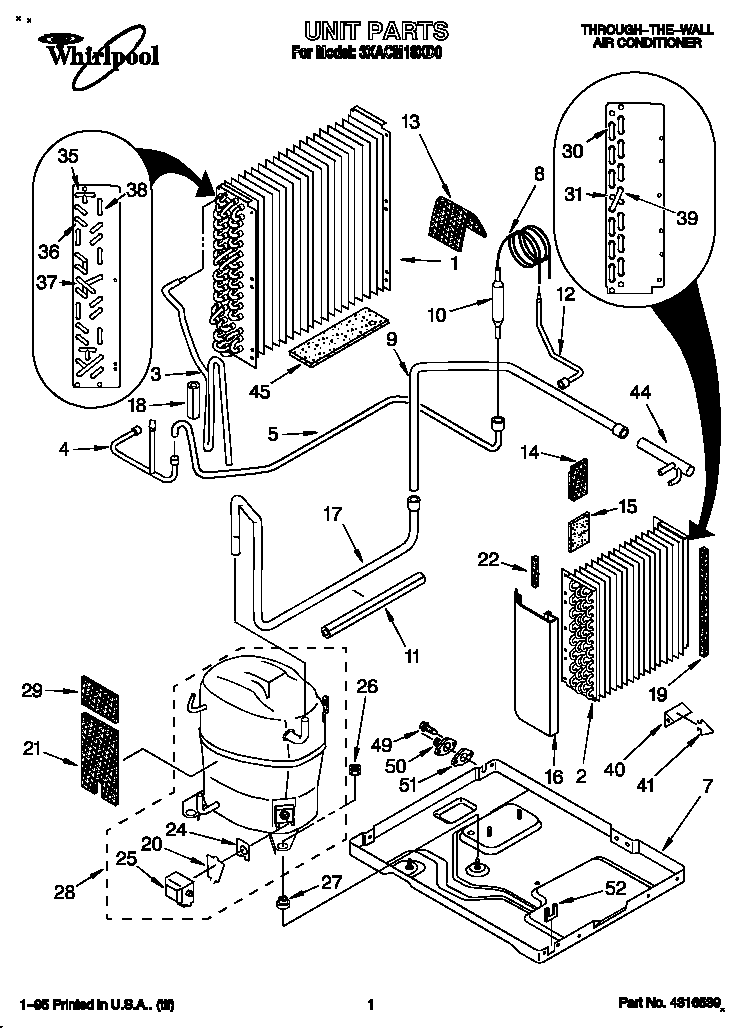
Model #3XACM18XD0 Official Whirlpool through-the-wall air conditioner

Here are the diagrams and repair parts for Whirlpool 3XACM18XD0 through-the-wall air conditioner, as well as links to manuals and error code tables, if available.

There are a couple of ways to find the part or diagram you need:

  • Click a diagram to see the parts shown on that diagram.
  • In the search box below, enter all or part of the part number or the part’s name.

Not all parts are shown on the diagrams—those parts are labeled NI, for “not illustrated”.

We encourage you to save the model to your profile, so it’s easy to access parts and manuals for your appliance whenever you log in.

For DIY troubleshooting advice and repair guides, visit our repair help section.

Showing 10 of 161 parts

Appliance Silicone Sealant#10

Optional Diagram

Cement

Part #279368
Replaced by #WP279368
?
Manufacturer substitution
This part replaces 279368. Substitute parts can look different from the original.
In Stock
$41.59 | 
11% OFF 
Phone Price: $46.59
Refrigerator Service Valve, 3/4-in#6G

Optional Diagram

Valve kit

Part #978030
Replaced by #978030
?
Manufacturer substitution
This part replaces 978030. Substitute parts can look different from the original.
In Stock
$40.49 | 
11% OFF 
Phone Price: $45.49
Cover#14A

Optional Diagram

Cover

Part #484066
In Stock
$80.00
Room Air Conditioner Outdoor Cover#14D

Optional Diagram

In Stock
$54.49 | 
8% OFF 
Phone Price: $59.49
Bend#31

Unit Diagram

Bend

Part #997669
Replaced by #WP855199
?
Manufacturer substitution
This part replaces 997669. Substitute parts can look different from the original.
This item is not returnable
In Stock
$4.33
Room Air Conditioner Foam Seal#19

Air flow Diagram

Seal strip

Part #1180679
Replaced by #WP854334
?
Manufacturer substitution
This part replaces 1180679. Substitute parts can look different from the original.
In Stock
$9.99 | 
9% OFF 
Phone Price: $10.99
Cover#14B

Optional Diagram

Cover

Part #484067

The manufacturer no longer makes this part, and there's no substitute part

Refrigerator Permagum Sealer#13

Optional Diagram

Sealer

Part #99344
Replaced by #4318168
?
Manufacturer substitution
This part replaces 99344. Substitute parts can look different from the original.
In Stock
$29.89
Room Air Conditioner Foam Seal#33

Air flow Diagram

Seal strip

Part #1180413
Replaced by #WP854334
?
Manufacturer substitution
This part replaces 1180413. Substitute parts can look different from the original.
In Stock
$9.99 | 
9% OFF 
Phone Price: $10.99
Room Air Conditioner Foam Seal#6

Air flow Diagram

Seal strip

Part #1180412
Replaced by #WP854334
?
Manufacturer substitution
This part replaces 1180412. Substitute parts can look different from the original.
In Stock
$9.99 | 
9% OFF 
Phone Price: $10.99

Articles and videos common to all central air conditioners

November 30, 2022

2023 HVAC regulation changes and how they may affect you

By Lyle Weischwill

Find out how new DOE standards going into effect in 2023 can affect you and what you need to do.

October 24, 2022

Easy DIY appliance repairs that anyone can do

By Lyle Weischwill

Get advice on simple DIY fixes for appliances that you can safely do on your own.

August 5, 2022

Introducing new technical repair content that we’re developing for the Sears Technical Institute

By Lyle Weischwill

Learn about Sears Technical Institute and the advanced technical content being developed for aspiring appliance techs.