Ryobi
Drill/Driver

Model #D-130VR TYPE II Official Ryobi electric drill

Here are the diagrams and repair parts for Ryobi D-130VR-TYPE-II electric drill, as well as links to manuals and error code tables, if available.

There are a couple of ways to find the part or diagram you need:

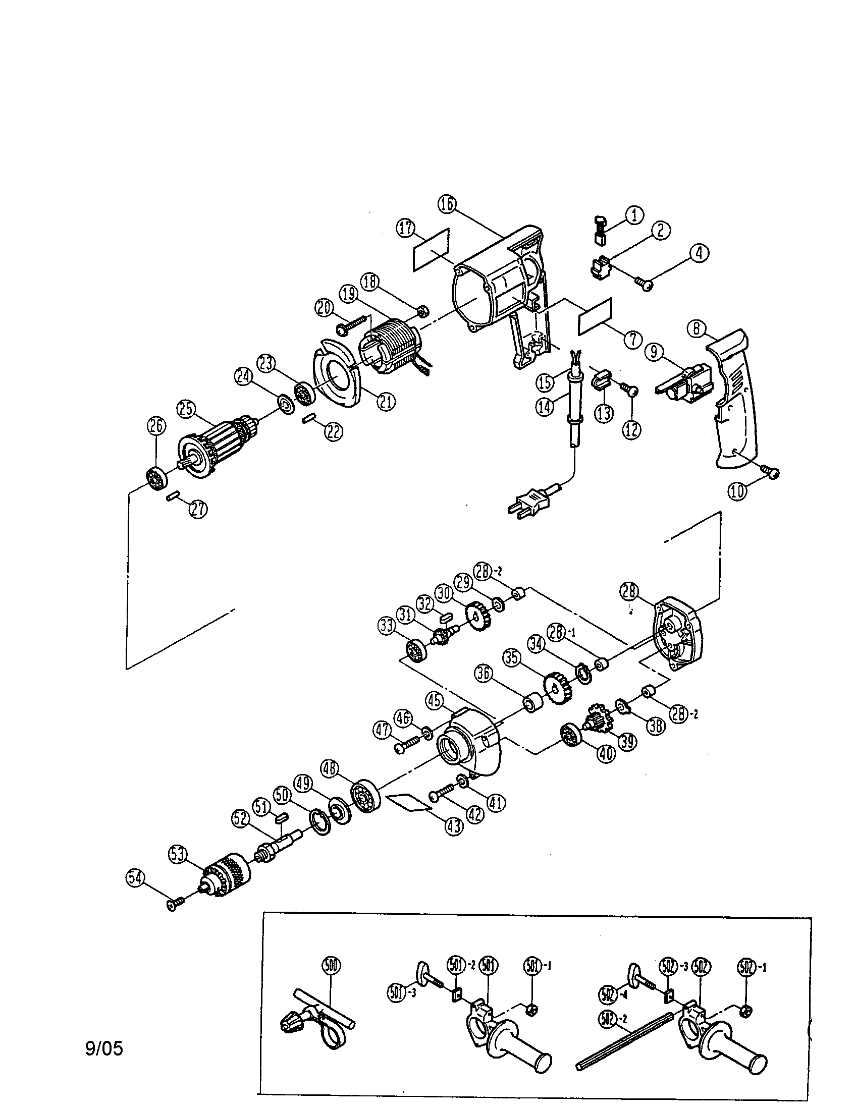
  • Click a diagram to see the parts shown on that diagram.
  • In the search box below, enter all or part of the part number or the part’s name.

Not all parts are shown on the diagrams—those parts are labeled NI, for “not illustrated”.

We encourage you to save the model to your profile, so it’s easy to access parts and manuals for your appliance whenever you log in.

For DIY troubleshooting advice and repair guides, visit our repair help section.

Showing 10 of 52 parts

Bearing#26

Electric drill Diagram

Bearing

Part #622274001

The manufacturer no longer makes this part, and there's no substitute part

Hex Nut#501-1

Electric drill Diagram

Hex nut

Part #9300600

The manufacturer no longer makes this part, and there's no substitute part

Ball Bearing#23

Electric drill Diagram

Ball bearing

Part #9840627

The manufacturer no longer makes this part, and there's no substitute part

Bearing#48

Electric drill Diagram

Bearing

Part #9826201

The manufacturer no longer makes this part, and there's no substitute part

Gear Case#45

Electric drill Diagram

Gear case

Part #6820452

The manufacturer no longer makes this part, and there's no substitute part

Nameplate#43

Electric drill Diagram

Nameplate

Part #6916304

The manufacturer no longer makes this part, and there's no substitute part

Cord Holder#14

Electric drill Diagram

Cord holder

Part #6560101

The manufacturer no longer makes this part, and there's no substitute part

Hex Nut#18

Electric drill Diagram

Hex nut

Part #9310400

The manufacturer no longer makes this part, and there's no substitute part

RYOBI MARK#7

Electric drill Diagram

Ryobi mark

Part #6922414

The manufacturer no longer makes this part, and there's no substitute part

Washer#38

Electric drill Diagram

Washer

Part #6900103

The manufacturer no longer makes this part, and there's no substitute part