Kenmore
Upright Freezer

Model #106721571 Official Kenmore 19.5 cubic foot coldspot freezer

Here are the diagrams and repair parts for Kenmore 106721571 19.5 cubic foot coldspot freezer, as well as links to manuals and error code tables, if available.

There are a couple of ways to find the part or diagram you need:

  • Click a diagram to see the parts shown on that diagram.
  • In the search box below, enter all or part of the part number or the part’s name.

Not all parts are shown on the diagrams—those parts are labeled NI, for “not illustrated”.

We encourage you to save the model to your profile, so it’s easy to access parts and manuals for your appliance whenever you log in.

For DIY troubleshooting advice and repair guides, visit our repair help section.

Error Codes

Showing 10 of 277 parts

Appliance Light Bulb, 40-watt (replaces 40A15-2PK, 60A, 60A15RVL, STD398091, WR02X12328, WX12X1510)#36

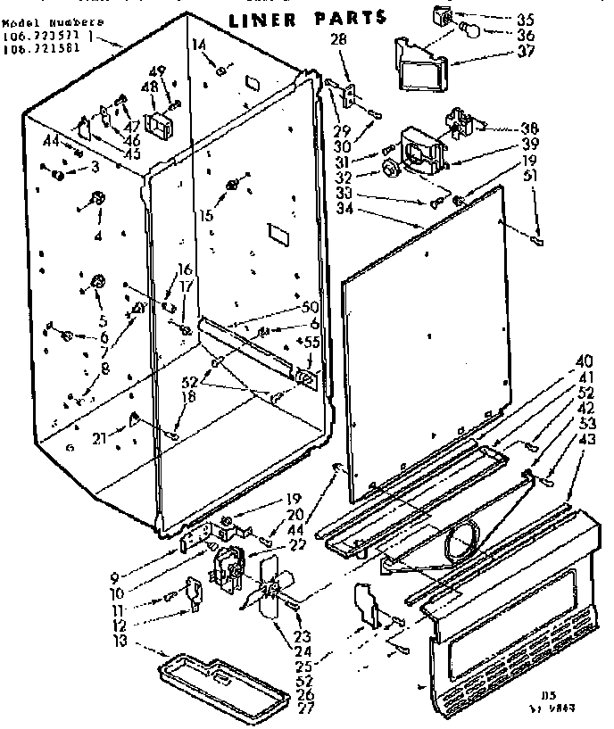
Liner parts Diagram

Light bulb

Part #527949
Replaced by #40A15
?
Manufacturer substitution
This part replaces 527949. Substitute parts can look different from the original.
BEST SELLER
In Stock
$7.52 | 
12% OFF 
Phone Price: $8.52
Refrigerator Condenser Fan Motor#60

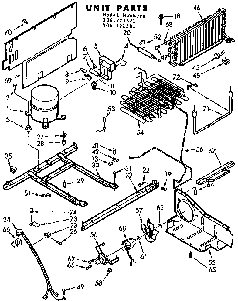
Unit parts Diagram

Fan motor

Part #531106
Replaced by #833697
?
Manufacturer substitution
This part replaces 531106. Substitute parts can look different from the original.
BEST SELLER
In Stock
$48.32 | 
9% OFF 
Phone Price: $53.32
Refrigerator Condenser Fan Motor#60A

Unit parts Diagram

Motor

Part #531594
Replaced by #833697
?
Manufacturer substitution
This part replaces 531594. Substitute parts can look different from the original.
BEST SELLER
In Stock
$48.32 | 
9% OFF 
Phone Price: $53.32
Refrigerator Defrost Timer (replaces 482493, W10740039)#17

Cabinet parts Diagram

Timer

Part #549239
Replaced by #W10822278
?
Manufacturer substitution
This part replaces 549239. Substitute parts can look different from the original.
BEST SELLER
In Stock
$35.40 | 
12% OFF 
Phone Price: $40.40
Appliance Spray Paint (White) (replaces 094566-64, 206923, 2780-0001, 4395978, 5303203125, 66208, 788343, 799343, 799433, 99343, A0050702, F94566-010, Y057937, Y350930)

#NI

All parts Diagram

Touch-up paint (white)

Part #799343
Replaced by #350930
?
Manufacturer substitution
This part replaces 799343. Substitute parts can look different from the original.
BEST SELLER
This item is not returnable
In Stock
$15.69 | 
11% OFF 
Phone Price: $17.69
Refrigerator Water Inlet Valve#1

Ice maker parts Diagram

Valve

Part #627217
Replaced by #4318047
?
Manufacturer substitution
This part replaces 627217. Substitute parts can look different from the original.
BEST SELLER
In Stock
$26.09 | 
47% OFF 
MSRP: $49.00
Refrigerator Evaporator Fan Motor#22

Liner parts Diagram

Fan motor

Part #549098
Replaced by #482469
?
Manufacturer substitution
This part replaces 549098. Substitute parts can look different from the original.
BEST SELLER
In Stock
$78.47 | 
6% OFF 
Phone Price: $83.47
Refrigerator Freezer Door Gasket#7

Door parts Diagram

Door gasket

Part #839858
Replaced by #2188438A
?
Manufacturer substitution
This part replaces 839858. Substitute parts can look different from the original.
BEST SELLER
In Stock
$157.99 | 
12% OFF 
MSRP: $180.00
Freezer Temperature Control Thermostat#38

Liner parts Diagram

Thermostat

Part #549092
Replaced by #4389248
?
Manufacturer substitution
This part replaces 549092. Substitute parts can look different from the original.
In Stock
$95.00 | 
32% OFF 
MSRP: $140.00
Appliance Screw, 10-16 x 1/2-in

See All Related Diagrams

Screw

Part #488552
Replaced by #WP681414
?
Manufacturer substitution
This part replaces 488552. Substitute parts can look different from the original.
This item is not returnable
In Stock
$4.39 | 
19% OFF 
Phone Price: $5.39

Symptoms common to all freestanding freezers

Choose a symptom to see related freezer repairs.

Main causes: burned out light bulb, bad door or lid switch, faulty LED light board, wiring failure, control system failure
Main causes: lack of power, bad compressor, refrigerant leak, bad thermistor, defrost system failure, dirty condenser coils, control failure
Main causes: leaky door or lid gasket, broken defrost heater, bad defrost bi-metal thermostat, defrost control failure, faulty compressor
Main causes: compressor failure, no refrigerant, faulty sensor, control failure, broken defrost heater, bad defrost bi-metal thermostat
Main causes: excessive frost, bad defrost heater, bad defrost bi-metal, control system failure, low refrigerant charge, compressor problems
Main causes: damaged door or lid gasket, cracked cabinet liner, bad defrost bi-metal thermostat, broken defrost heater, bad defrost timer
Main causes: lack of power, control system failure, broken compressor start relay, locked up compressor, compressor motor failure
Main causes: dirty condenser coils, condenser fan failure, dirty bottom front grill, leaky door or lid gasket

Repair guides for upright freezers

February 20, 2015
By Lyle Weischwill
How to replace a freezer control panel

A freezer control panel that doesn’t show the temperature or respond when you press the buttons could be broken. This DIY repair guide and video show how to replace a freezer control panel in less than 15 minutes.

Repair difficulty
Time required
 15 minutes or less
February 20, 2015
By Lyle Weischwill
How to replace a freezer door switch

When the door switch fails, the freezer can’t detect that the door is closed. Follow the steps in this repair guide to replace a defective freezer door switch.

Repair difficulty
Time required
 15 minutes or less
February 20, 2015
By Lyle Weischwill
How to replace a freezer thermistor

When the thermistor can’t sense the freezer temperature, the freezer is colder or warmer than the set temperature. Follow these step-by-step instructions to replace a defective freezer thermistor.

Repair difficulty
Time required
 45 minutes or less

Articles and videos common to all freestanding freezers

Use the advice and tips in these articles and videos to get the most out of your freezer.

August 5, 2022

Introducing new technical repair content that we’re developing for the Sears Technical Institute

By Lyle Weischwill

Learn about Sears Technical Institute and the advanced technical content being developed for aspiring appliance techs.

April 12, 2021

7 tips to prevent freezer burn

By Lyle Weischwill

See how you can save frozen food from freezer burn.

December 15, 2014

5 tips for finding food in the freezer faster

By Lyle Weischwill

Don't get chapped hands digging through the icy depths. Get organized! Here's how.