Craftsman
Gas Snowblower

Model #536882650 Official Craftsman snow thrower

Here are the diagrams and repair parts for Craftsman 536882650 snow thrower, as well as links to manuals and error code tables, if available.

There are a couple of ways to find the part or diagram you need:

  • Click a diagram to see the parts shown on that diagram.
  • In the search box below, enter all or part of the part number or the part’s name.

Not all parts are shown on the diagrams—those parts are labeled NI, for “not illustrated”.

We encourage you to save the model to your profile, so it’s easy to access parts and manuals for your appliance whenever you log in.

For DIY troubleshooting advice and repair guides, visit our repair help section.

Owner’s manual

Showing 10 of 230 parts

Snowblower Ground Drive Belt, 3/8 x 33-1/16-in (replaces 1733324, 579932, 579932MA)#57

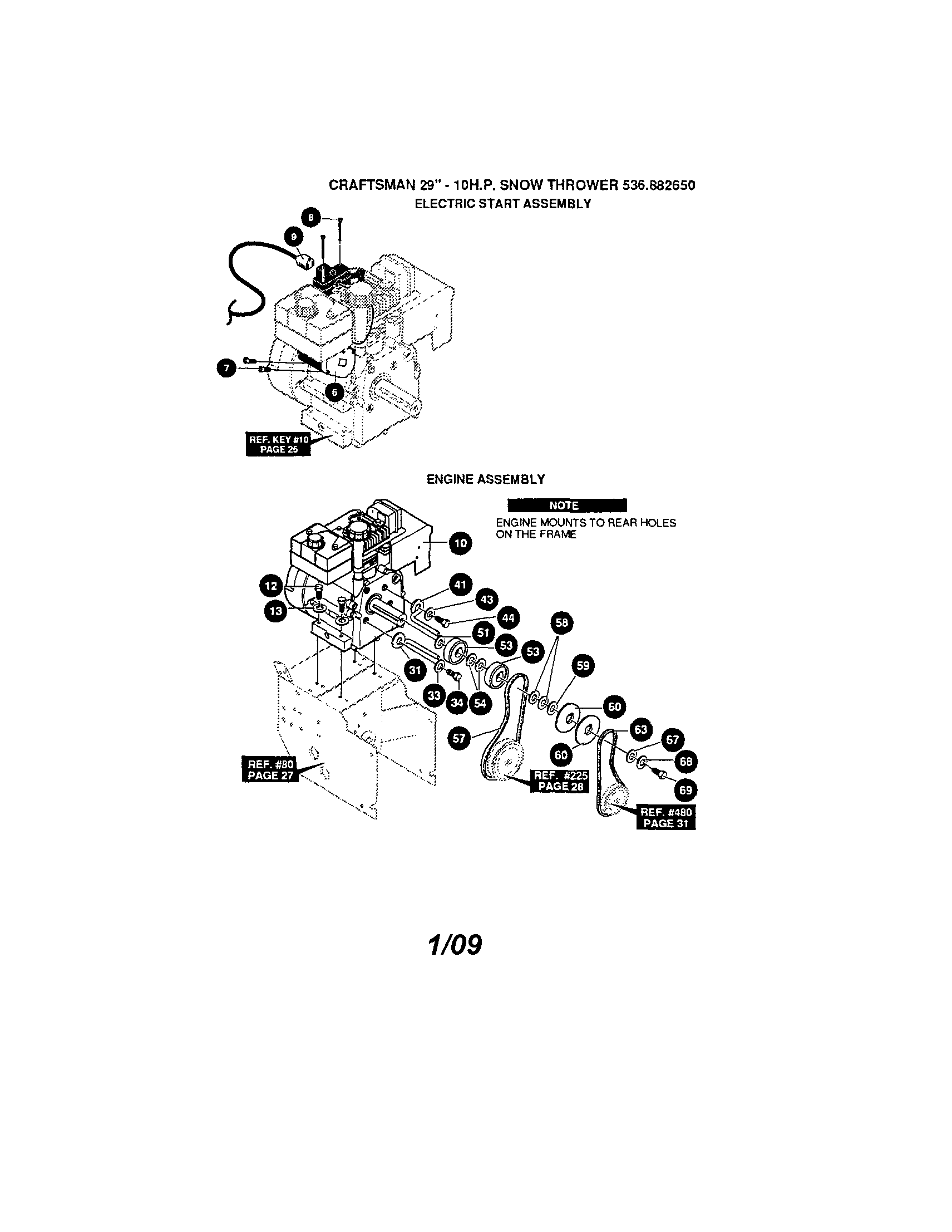
Electric start/engine Diagram

Snowblower drive belt

Part #579932
Replaced by #1733324SM
?
Manufacturer substitution
This part replaces 579932. Substitute parts can look different from the original.
BEST SELLER

Get free shipping with Automatic Reorder

In Stock
$16.66 | 
17% OFF 
MSRP: $20.00
Snowblower Auger Drive Belt, 1/2 x 38-7/16-in (replaces 2021, 585416, 724801, 742550MA)#63

Electric start/engine Diagram

Snowblower gas belt

Part #585416
Replaced by #585416MA
?
Manufacturer substitution
This part replaces 585416. Substitute parts can look different from the original.
BEST SELLER

Get free shipping with Automatic Reorder

In Stock
$19.73 | 
24% OFF 
MSRP: $26.00
Snowblower Friction Wheel Assembly (replaces 1501435, 313883, 53830, 53830MA, 722185, MT1501435MA)#246

Drive Diagram

Frction disc

Part #313883
Replaced by #1501435MA
?
Manufacturer substitution
This part replaces 313883. Substitute parts can look different from the original.
BEST SELLER
In Stock
$22.36 | 
20% OFF 
MSRP: $28.00
Snowblower Chute Retainer Ring, Outer#611

Discharge chute Diagram

Snowblower chute retainer ring, outer

Part #585193
Replaced by #585193MA
?
Manufacturer substitution
This part replaces 585193. Substitute parts can look different from the original.
BEST SELLER
In Stock
$30.70 | 
14% OFF 
Phone Price: $35.70
Snowblower Chute Retainer Ring, Inner#610

Discharge chute Diagram

Snowblower chute retainer ring, inner

Part #337227
Replaced by #337227MA
?
Manufacturer substitution
This part replaces 337227. Substitute parts can look different from the original.
BEST SELLER
In Stock
$21.31 | 
19% OFF 
Phone Price: $26.31
Snowblower Screw#522

Auger housing Diagram

Snowblower shear bolt

Part #9524
Replaced by #703057
?
Manufacturer substitution
This part replaces 9524. Substitute parts can look different from the original.
BEST SELLER
This item is not returnable
In Stock
$5.38 | 
16% OFF 
Phone Price: $6.38
Snowblower Auger Clutch Cable Spring#744

Upper handle Diagram

Auger clutch spacer

Part #1673
Replaced by #1673MA
?
Manufacturer substitution
This part replaces 1673. Substitute parts can look different from the original.
BEST SELLER
In Stock
$10.38 | 
16% OFF 
Phone Price: $12.38
Snowblower Auger Shear Bolt Sleeve#523

Auger housing Diagram

1/4" spacer

Part #3943
Replaced by #703058
?
Manufacturer substitution
This part replaces 3943. Substitute parts can look different from the original.
BEST SELLER
In Stock
$12.09 | 
14% OFF 
Phone Price: $14.09
Snowblower Nut

See All Related Diagrams

Lock nut

Part #1502
Replaced by #703251
?
Manufacturer substitution
This part replaces 1502. Substitute parts can look different from the original.
BEST SELLER
In Stock
$8.07 | 
11% OFF 
Phone Price: $9.07
Snowblower Chute Worm Gear#612

Discharge chute Diagram

Worm

Part #585196
Replaced by #585196MA
?
Manufacturer substitution
This part replaces 585196. Substitute parts can look different from the original.
BEST SELLER
In Stock
$20.23 | 
20% OFF 
Phone Price: $25.23

Symptoms for gas snowblowers

Choose a symptom to see related snowblower repairs.

Main causes: clogged chute, damaged auger blades, broken shear pins, worn auger belt, damaged gear case, engine problems
Things to do: replace the spark plug, change the oil, rebuild the carburetor, adjust valve lash, adjust or replace the belts
Main causes: punctured tire, damaged rim
Main causes: dirty carburetor, clogged fuel filter, dirty spark plug, incorrect valve lash, leaky engine gaskets
Main causes: stale gas, clogged carburetor, clogged or broken fuel line, dirty spark plug, bad rewind starter, incorrect valve lash
Main causes: clogged chute, snow build-up in auger housing, broken auger shear pins, auger drive belt needs adjustment, auger cable problems
Main causes: loose drive clutch cable, damaged drive clutch cable, worn friction disc, scraper blade scraping the ground, engine problems
Main causes: snow build-up in chute, chute drive mechanism failure, bad chute control assembly

Repair guides for gas snowblowers

These step-by-step repair guides will help you safely fix what’s broken on your snowblower.

November 20, 2022
By Lyle Weischwill
How to replace a snowblower fuel filter

Replace the fuel filter on your snowblower if it's clogged or damaged.

Repair difficulty
Time required
 15 minutes or less
December 1, 2015
By Lyle Weischwill
How to rebuild a snowblower carburetor

Rebuild the carburetor on your snowblower if the engine isn't getting fuel.

Repair difficulty
Time required
 45 minutes or less
How to replace a snowblower 4-way chute control assembly

Replace the 4-way chute control assembly on your snowblower if it’s damaged.

Repair difficulty
Time required
 30 minutes or less

Articles and videos common to all snowblowers

Use the advice and tips in these articles and videos to get the most out of your snowblower.

December 12, 2022

How to adjust the snowblower auger control

By Lyle Weischwill

This video shows how to adjust a snowblower's auger control.

December 8, 2022

How to lubricate a snowblower drive hex shaft video

By Lyle Weischwill

This short video shows how to lubricate a snowblower drive hex shaft.

November 17, 2022

What are the major parts of a snowblower?

By Lyle Weischwill

Learn about major functional parts of your snowblower and when to replace them.