GE
Central Air Conditioner

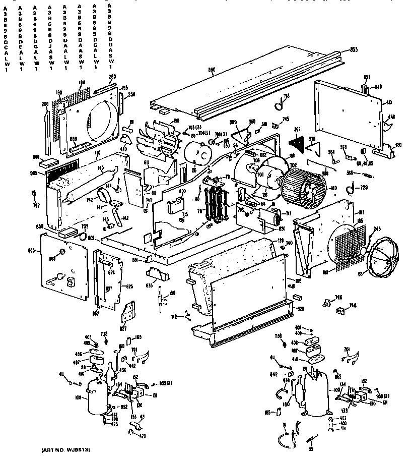
Model #A3B698DGALW1 Official GE room air conditioner

Here are the diagrams and repair parts for GE A3B698DGALW1 room air conditioner, as well as links to manuals and error code tables, if available.

There are a couple of ways to find the part or diagram you need:

  • Click a diagram to see the parts shown on that diagram.
  • In the search box below, enter all or part of the part number or the part’s name.

Not all parts are shown on the diagrams—those parts are labeled NI, for “not illustrated”.

We encourage you to save the model to your profile, so it’s easy to access parts and manuals for your appliance whenever you log in.

For DIY troubleshooting advice and repair guides, visit our repair help section.

Showing 10 of 188 parts

Screw

#724

All parts Diagram

Screw

Part #WZ4X288
This item is not returnable
In Stock
$3.49
Clip

#73

All parts Diagram

Clip

Part #WJ3X87
This item is not returnable
In Stock
$2.16
Screw

#983

All parts Diagram

Screw

Part #WZ5X153
This item is not returnable
In Stock
$2.49
Screw

#NI

All parts Diagram

Screw

Part #WZ4X362
This item is not returnable
In Stock
$4.99
Screw

#NI

All parts Diagram

Screw

Part #WZ4X120
This item is not returnable
In Stock
$5.99
Screw

#1008

All parts Diagram

Screw

Part #WJ1X704
This item is not returnable
In Stock
$2.16
Screw

#952

All parts Diagram

Screw

Part #WZ2X548
This item is not returnable
In Stock
$5.49
Nut

#NI

All parts Diagram

Nut

Part #WZ8X11
This item is not returnable
In Stock
$4.49
Use & Care Z

#NI

All parts Diagram

Use & care z

Part #49-7125
Replaced by #49-7144-1
?
Manufacturer substitution
This part replaces 49-7125. Substitute parts can look different from the original.
In Stock
$8.49
UNKNOWN

#704

All parts Diagram

Unknown

Part #WZ10X155

The manufacturer no longer makes this part, and there's no substitute part

Articles and videos common to all central air conditioners

November 30, 2022

2023 HVAC regulation changes and how they may affect you

By Lyle Weischwill

Find out how new DOE standards going into effect in 2023 can affect you and what you need to do.

October 24, 2022

Easy DIY appliance repairs that anyone can do

By Lyle Weischwill

Get advice on simple DIY fixes for appliances that you can safely do on your own.

August 5, 2022

Introducing new technical repair content that we’re developing for the Sears Technical Institute

By Lyle Weischwill

Learn about Sears Technical Institute and the advanced technical content being developed for aspiring appliance techs.