Whirlpool
Central Air Conditioner

Model #ACP602XM0 Official Whirlpool air conditioner heat pump

Here are the diagrams and repair parts for Whirlpool ACP602XM0 air conditioner heat pump, as well as links to manuals and error code tables, if available.

There are a couple of ways to find the part or diagram you need:

  • Click a diagram to see the parts shown on that diagram.
  • In the search box below, enter all or part of the part number or the part’s name.

Not all parts are shown on the diagrams—those parts are labeled NI, for “not illustrated”.

We encourage you to save the model to your profile, so it’s easy to access parts and manuals for your appliance whenever you log in.

For DIY troubleshooting advice and repair guides, visit our repair help section.

Showing 10 of 117 parts

Appliance Screw

See All Related Diagrams

Screw, 8 x 1

Part #488480
Replaced by #WP489069
?
Manufacturer substitution
This part replaces 488480. Substitute parts can look different from the original.
This item is not returnable
In Stock
$4.39 | 
19% OFF 
Phone Price: $5.39
Refrigerator Permagum Sealer#30I

Air flow and control parts Diagram

Capacitor

Part #470168
Replaced by #212643
?
Manufacturer substitution
This part replaces 470168. Substitute parts can look different from the original.
This item is not returnable
In Stock
$50.09 | 
9% OFF 
Phone Price: $55.09
Room Air Conditioner Foam Seal#1

Air flow and control parts Diagram

Seal

Part #859600
Replaced by #WP854334
?
Manufacturer substitution
This part replaces 859600. Substitute parts can look different from the original.
In Stock
$9.99 | 
9% OFF 
Phone Price: $10.99
Refrigerator Service Valve#48E

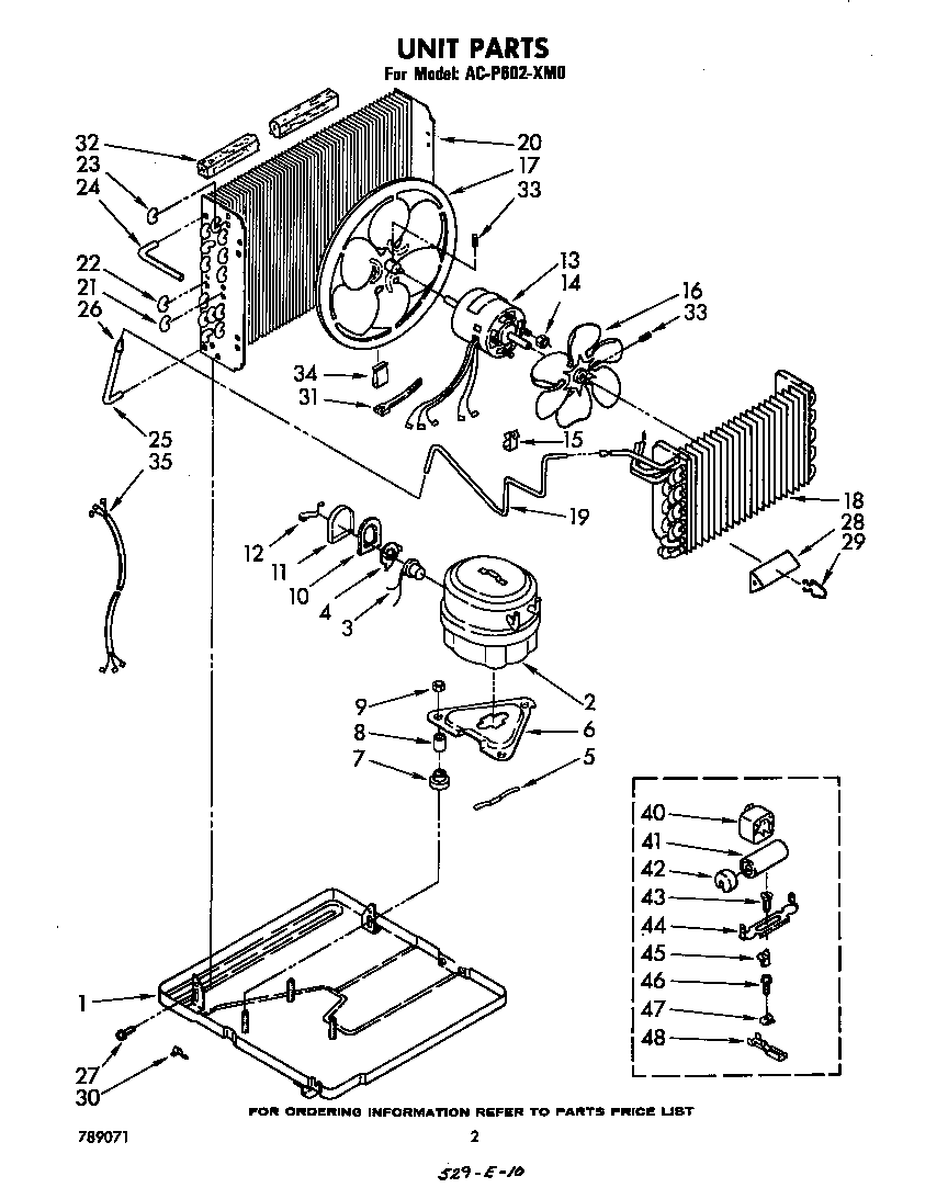
Unit parts Diagram

Valve kit

Part #978026
Replaced by #978026
?
Manufacturer substitution
This part replaces 978026. Substitute parts can look different from the original.
In Stock
$34.19 | 
13% OFF 
Phone Price: $39.19
Room Air Conditioner Outdoor Cover#48L

Unit parts Diagram

In Stock
$54.49 | 
8% OFF 
Phone Price: $59.49
Nut#14

Unit parts Diagram

Nut

Part #488130

The manufacturer no longer makes this part, and there's no substitute part

Refrigerator Service Valve, 3/4-in#48I

Unit parts Diagram

Valve kit

Part #978030
Replaced by #978030
?
Manufacturer substitution
This part replaces 978030. Substitute parts can look different from the original.
In Stock
$40.49 | 
11% OFF 
Phone Price: $45.49
Wire#25

Air flow and control parts Diagram

Ground wire

Part #856094
Replaced by #857078
?
Manufacturer substitution
This part replaces 856094. Substitute parts can look different from the original.
In Stock
$10.49 | 
16% OFF 
Phone Price: $12.49
Screw#33

Unit parts Diagram

Screw

Part #595085

The manufacturer no longer makes this part, and there's no substitute part

Screw#23

Air flow and control parts Diagram

Screw

Part #488734

The manufacturer no longer makes this part, and there's no substitute part

Articles and videos common to all central air conditioners

November 30, 2022

2023 HVAC regulation changes and how they may affect you

By Lyle Weischwill

Find out how new DOE standards going into effect in 2023 can affect you and what you need to do.

October 24, 2022

Easy DIY appliance repairs that anyone can do

By Lyle Weischwill

Get advice on simple DIY fixes for appliances that you can safely do on your own.

August 5, 2022

Introducing new technical repair content that we’re developing for the Sears Technical Institute

By Lyle Weischwill

Learn about Sears Technical Institute and the advanced technical content being developed for aspiring appliance techs.