GE
Central Air Conditioner

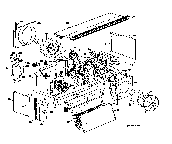
Model #A2B778DJCSD1 Official GE room air conditioner

Here are the diagrams and repair parts for GE A2B778DJCSD1 room air conditioner, as well as links to manuals and error code tables, if available.

There are a couple of ways to find the part or diagram you need:

  • Click a diagram to see the parts shown on that diagram.
  • In the search box below, enter all or part of the part number or the part’s name.

Not all parts are shown on the diagrams—those parts are labeled NI, for “not illustrated”.

We encourage you to save the model to your profile, so it’s easy to access parts and manuals for your appliance whenever you log in.

For DIY troubleshooting advice and repair guides, visit our repair help section.

Showing 10 of 164 parts

Screw

#724

All parts Diagram

Screw

Part #WZ4X288
This item is not returnable
In Stock
$3.49
Clip

#73

All parts Diagram

Clip

Part #WJ3X87
This item is not returnable
In Stock
$2.16
Condenser

#110

All parts Diagram

Condenser

Part #WJ88X159
In Stock
$351.49
Screw

#NI

All parts Diagram

Screw

Part #WZ4X362
This item is not returnable
In Stock
$4.99
Spring Gr

#400

All parts Diagram

Spring gr

Part #WJ2X258
In Stock
$17.49
Screw

#952

All parts Diagram

Screw

Part #WZ2X548
This item is not returnable
In Stock
$5.49
Use & Care Z

See All Related Diagrams

Use & care z

Part #49-7121
Replaced by #49-7144-1
?
Manufacturer substitution
This part replaces 49-7121. Substitute parts can look different from the original.
In Stock
$8.49
Gasket

#852

All parts Diagram

Gasket

Part #WP43X18

The manufacturer no longer makes this part, and there's no substitute part

Nut

#NI

All parts Diagram

Nut

Part #WJ1X485

The manufacturer no longer makes this part, and there's no substitute part

TERMINAL CAP WASHER

#409

All parts Diagram

Terminal cap washer

Part #WP1X05

The manufacturer no longer makes this part, and there's no substitute part

Articles and videos common to all central air conditioners

November 30, 2022

2023 HVAC regulation changes and how they may affect you

By Lyle Weischwill

Find out how new DOE standards going into effect in 2023 can affect you and what you need to do.

October 24, 2022

Easy DIY appliance repairs that anyone can do

By Lyle Weischwill

Get advice on simple DIY fixes for appliances that you can safely do on your own.

August 5, 2022

Introducing new technical repair content that we’re developing for the Sears Technical Institute

By Lyle Weischwill

Learn about Sears Technical Institute and the advanced technical content being developed for aspiring appliance techs.