Viking
Automotive

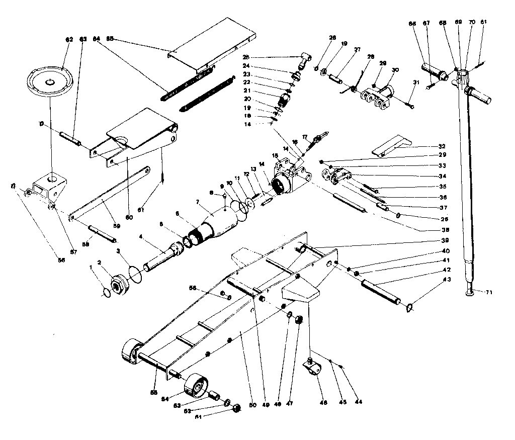
Model #455 Official Viking floor jack

Here are the diagrams and repair parts for Viking 455 floor jack, as well as links to manuals and error code tables, if available.

There are a couple of ways to find the part or diagram you need:

  • Click a diagram to see the parts shown on that diagram.
  • In the search box below, enter all or part of the part number or the part’s name.

Not all parts are shown on the diagrams—those parts are labeled NI, for “not illustrated”.

We encourage you to save the model to your profile, so it’s easy to access parts and manuals for your appliance whenever you log in.

For DIY troubleshooting advice and repair guides, visit our repair help section.

Showing 10 of 76 parts

Washer#19

Unit Diagram

Washer

Part #905011

The manufacturer no longer makes this part, and there's no substitute part

Hyd Unit Com

#NI

All parts Diagram

Hyd unit com

Part #697067

The manufacturer no longer makes this part, and there's no substitute part

Axle#63

Unit Diagram

Axle

Part #927110

The manufacturer no longer makes this part, and there's no substitute part

Washer#40

Unit Diagram

Washer

Part #806050

The manufacturer no longer makes this part, and there's no substitute part

Rel Vlv Shft#17

Unit Diagram

Rel vlv shft

Part #688018

The manufacturer no longer makes this part, and there's no substitute part

Nut#41

Unit Diagram

Nut

Part #873400

The manufacturer no longer makes this part, and there's no substitute part

Axle#36

Unit Diagram

Axle

Part #927032

The manufacturer no longer makes this part, and there's no substitute part

Wheel#54

Unit Diagram

Wheel

Part #973040

The manufacturer no longer makes this part, and there's no substitute part

Oil Filter#18

Unit Diagram

Oil filter

Part #828011

The manufacturer no longer makes this part, and there's no substitute part

Cup#5

Unit Diagram

Cup

Part #832348

The manufacturer no longer makes this part, and there's no substitute part