Craftsman
Drill/Driver

Model #315271251 Official Craftsman drill/driver

Here are the diagrams and repair parts for Craftsman 315271251 drill/driver, as well as links to manuals and error code tables, if available.

There are a couple of ways to find the part or diagram you need:

  • Click a diagram to see the parts shown on that diagram.
  • In the search box below, enter all or part of the part number or the part’s name.

Not all parts are shown on the diagrams—those parts are labeled NI, for “not illustrated”.

We encourage you to save the model to your profile, so it’s easy to access parts and manuals for your appliance whenever you log in.

For DIY troubleshooting advice and repair guides, visit our repair help section.

Owner’s manual

Showing 10 of 41 parts

Drill Chuck Screw#1

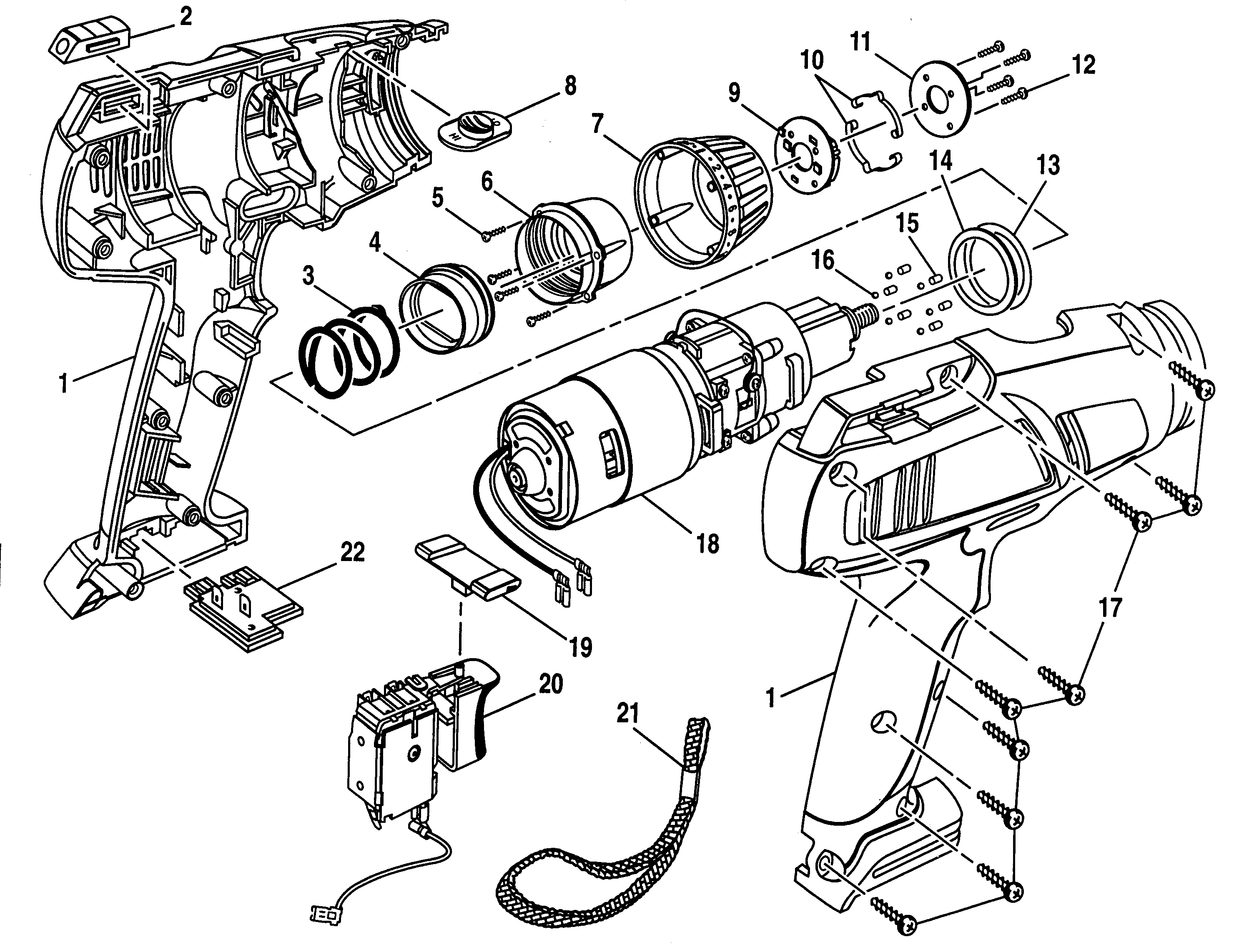
Drill Diagram

Drill chuck screw

Part #6613402
This item is not returnable
In Stock
$3.15
Screw

See All Related Diagrams

Screw

Part #981901-001
Replaced by #981901001
?
Manufacturer substitution
This part replaces 981901-001. Substitute parts can look different from the original.
This item is not returnable
In Stock
$2.16
Logo Plate#5

Drill Diagram

Logo plate

Part #981501-001

The manufacturer no longer makes this part, and there's no substitute part

Plate

See All Related Diagrams

Plate

Part #981923-001

The manufacturer no longer makes this part, and there's no substitute part

Pin

See All Related Diagrams

Pin

Part #981932-001

The manufacturer no longer makes this part, and there's no substitute part

Actuator#22

Drill 315271241 Diagram

Actuator

Part #981941-001

The manufacturer no longer makes this part, and there's no substitute part

Holder

See All Related Diagrams

Holder

Part #981925-001

The manufacturer no longer makes this part, and there's no substitute part

Button#8

Drill 315271251 Diagram

Button

Part #981965-001

The manufacturer no longer makes this part, and there's no substitute part

Chuck#4

Drill Diagram

Chuck

Part #981503-001

The manufacturer no longer makes this part, and there's no substitute part

Ball

See All Related Diagrams

Ball

Part #981734-001

The manufacturer no longer makes this part, and there's no substitute part