KitchenAid
Wall Oven/Microwave Combo

Model #KEMS308GSS3 Official KitchenAid electric built-in microwave/oven combo

Here are the diagrams and repair parts for KitchenAid KEMS308GSS3 electric built-in microwave/oven combo, as well as links to manuals and error code tables, if available.

There are a couple of ways to find the part or diagram you need:

  • Click a diagram to see the parts shown on that diagram.
  • In the search box below, enter all or part of the part number or the part’s name.

Not all parts are shown on the diagrams—those parts are labeled NI, for “not illustrated”.

We encourage you to save the model to your profile, so it’s easy to access parts and manuals for your appliance whenever you log in.

For DIY troubleshooting advice and repair guides, visit our repair help section.

Owner’s manual

Showing 10 of 267 parts

Appliance Spray Paint (White) (replaces 094566-64, 206923, 2780-0001, 4395978, 5303203125, 66208, 788343, 799343, 799433, 99343, A0050702, F94566-010, Y057937, Y350930)#NI

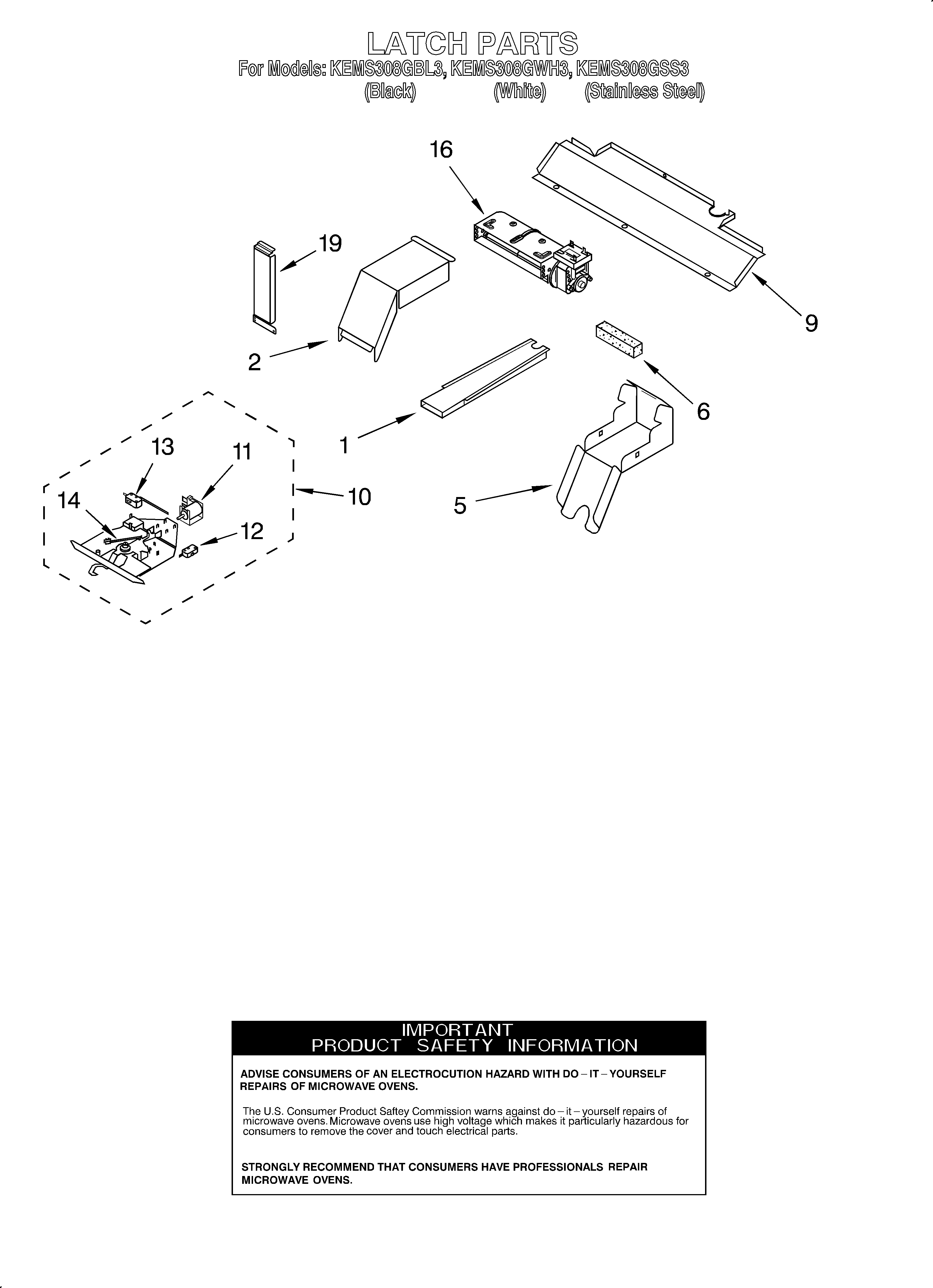
Microwave door/optional Diagram

Spray w

Part #350930
Replaced by #350930
?
Manufacturer substitution
This part replaces 350930. Substitute parts can look different from the original.
BEST SELLER
This item is not returnable
In Stock
$15.69 | 
11% OFF 
Phone Price: $17.69
Microwave Glass Turntable Tray#72

Cabinet and stirrer Diagram

Cook tray

Part #4375405
Replaced by #W10818723
?
Manufacturer substitution
This part replaces 4375405. Substitute parts can look different from the original.
BEST SELLER
In Stock
$112.09 | 
8% OFF 
Phone Price: $122.09
Microwave Door Interlock Switch#73

Cabinet and stirrer Diagram

Microwave door interlock switch

Part #4375346
Replaced by #W10211972
?
Manufacturer substitution
This part replaces 4375346. Substitute parts can look different from the original.
BEST SELLER
In Stock
$25.91 | 
19% OFF 
MSRP: $32.00
Microwave Light Bulb#75

Cabinet and stirrer Diagram

Oven baseless lamp

Part #4375348
Replaced by #WPW10440740
?
Manufacturer substitution
This part replaces 4375348. Substitute parts can look different from the original.
BEST SELLER
In Stock
$22.69 | 
18% OFF 
Phone Price: $27.69
Microwave Door Torsion Spring#16A

Microwave door/optional Diagram

Microwave door torsion spring

Part #4452395
Replaced by #WP4452395
?
Manufacturer substitution
This part replaces 4452395. Substitute parts can look different from the original.
In Stock
$58.69 | 
8% OFF 
Phone Price: $63.69
Range Oven Door Outer Panel (Black)#12

Oven door Diagram

Door glass

Part #4452074
Replaced by #WP9759641
?
Manufacturer substitution
This part replaces 4452074. Substitute parts can look different from the original.
In Stock
$138.59 | 
8% OFF 
MSRP: $150.00
Refrigerator Screw#1H

Oven/literature Diagram

Screw

Part #3196176
Replaced by #W11233072
?
Manufacturer substitution
This part replaces 3196176. Substitute parts can look different from the original.
In Stock
$16.79 | 
11% OFF 
Phone Price: $18.79
Appliance Spray Paint (Black)#NI

Microwave door/optional Diagram

Spray bl

Part #830864
Replaced by #285006
?
Manufacturer substitution
This part replaces 830864. Substitute parts can look different from the original.
This item is not returnable
In Stock
$28.89 | 
15% OFF 
Phone Price: $33.89
Wall Oven Light Bulb#12

Oven/literature Diagram

Wall oven light bulb

Part #4452164
Replaced by #WP4452164
?
Manufacturer substitution
This part replaces 4452164. Substitute parts can look different from the original.
In Stock
$38.24 | 
12% OFF 
Phone Price: $43.24
Wall Oven Door Insulation#4

Oven door Diagram

Wall oven door insulation

Part #4451722
Replaced by #WP4451722
?
Manufacturer substitution
This part replaces 4451722. Substitute parts can look different from the original.
In Stock
$75.29 | 
6% OFF 
Phone Price: $80.29