WW Grinder
Chipper/Shredder

Model #8HP RENEGADE Official WW Grinder 8-hp renegade chipper/shredder

Here are the diagrams and repair parts for WW Grinder 8HP-RENEGADE 8-hp renegade chipper/shredder, as well as links to manuals and error code tables, if available.

There are a couple of ways to find the part or diagram you need:

  • Click a diagram to see the parts shown on that diagram.
  • In the search box below, enter all or part of the part number or the part’s name.

Not all parts are shown on the diagrams—those parts are labeled NI, for “not illustrated”.

We encourage you to save the model to your profile, so it’s easy to access parts and manuals for your appliance whenever you log in.

For DIY troubleshooting advice and repair guides, visit our repair help section.

Showing 10 of 101 parts

Washer#47

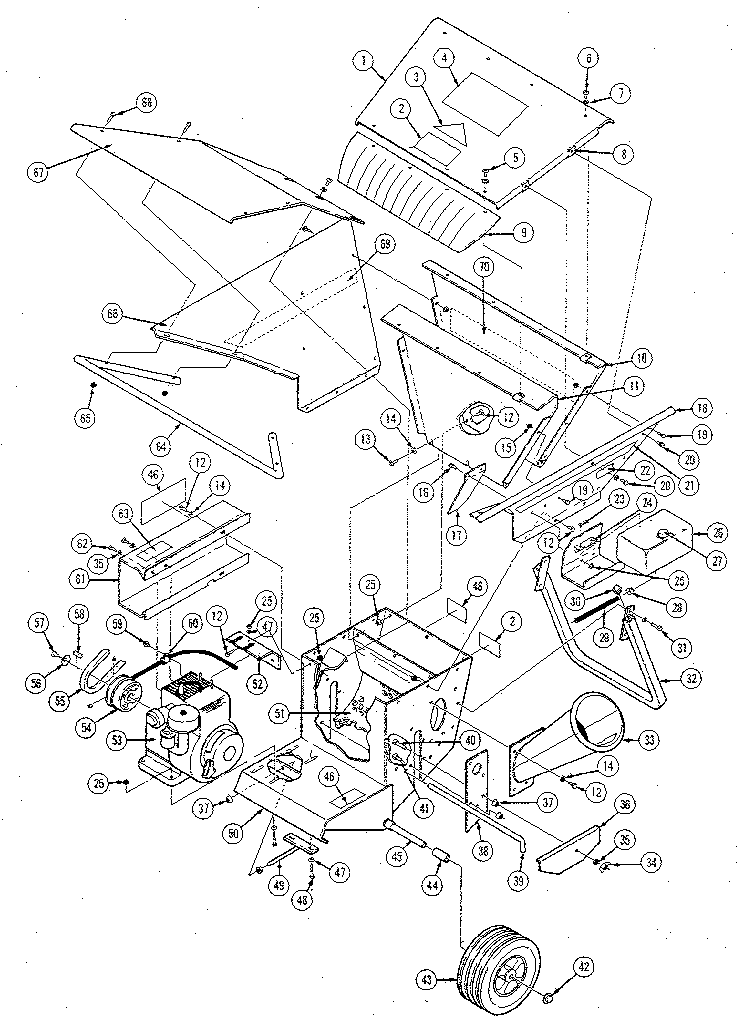
Grinder Diagram

Washer

Part #0420-005P

The manufacturer no longer makes this part, and there's no substitute part

Lawn & Garden Equipment Hex Flange Nut#25

Grinder Diagram

Whiz nut

Part #0335-005P
Replaced by #712-04054
?
Manufacturer substitution
This part replaces 0335-005P. Substitute parts can look different from the original.
This item is not returnable
In Stock
$4.40
Lawn & Garden Equipment Nut#65

Grinder Diagram

Lock nut

Part #9811
Replaced by #712-0324
?
Manufacturer substitution
This part replaces 9811. Substitute parts can look different from the original.
This item is not returnable
In Stock
$4.59 | 
18% OFF 
Phone Price: $5.59
Lawn & Garden Equipment Flange Lock Nut

See All Related Diagrams

Whiz nut

Part #0335-006P
Replaced by #1186393
?
Manufacturer substitution
This part replaces 0335-006P. Substitute parts can look different from the original.
This item is not returnable
In Stock
$2.92
Screw#19

Grinder Diagram

Screw

Part #0205-0403

The manufacturer no longer makes this part, and there's no substitute part

Hex Screw#6

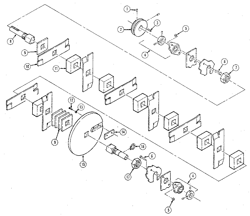
Cylinder Diagram

Screw

Part #0205-06078
Replaced by #710-3001
?
Manufacturer substitution
This part replaces 0205-06078. Substitute parts can look different from the original.
This item is not returnable
In Stock
$6.87
Screw

See All Related Diagrams

Screw

Part #0205-0503P

The manufacturer no longer makes this part, and there's no substitute part

Screw#41

Grinder Diagram

Screw

Part #0205-0603

The manufacturer no longer makes this part, and there's no substitute part

Screw#57

Grinder Diagram

Screw

Part #0205-0603F

The manufacturer no longer makes this part, and there's no substitute part

Glasses

#NI

All parts Diagram

Goggles

Part #5003
Replaced by #723-0400
?
Manufacturer substitution
This part replaces 5003. Substitute parts can look different from the original.
In Stock
$25.70