GE
Countertop Microwave

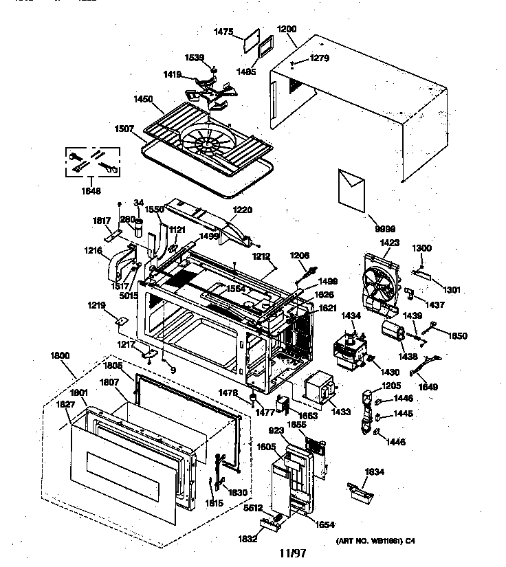
Model #JEM31GV02 Official GE microwave

Here are the diagrams and repair parts for GE JEM31GV02 microwave, as well as links to manuals and error code tables, if available.

There are a couple of ways to find the part or diagram you need:

  • Click a diagram to see the parts shown on that diagram.
  • In the search box below, enter all or part of the part number or the part’s name.

Not all parts are shown on the diagrams—those parts are labeled NI, for “not illustrated”.

We encourage you to save the model to your profile, so it’s easy to access parts and manuals for your appliance whenever you log in.

For DIY troubleshooting advice and repair guides, visit our repair help section.

Showing 10 of 60 parts

Microwave Micro-Switch#1446

Microwave parts Diagram

Primary switch

Part #WB24X0439
Replaced by #WB24X829
?
Manufacturer substitution
This part replaces WB24X0439. Substitute parts can look different from the original.
In Stock
$32.39 | 
13% OFF 
Phone Price: $37.39
Microwave Micro-Switch#1445

Microwave parts Diagram

Monitor switch

Part #WB24X0796
Replaced by #WB24X829
?
Manufacturer substitution
This part replaces WB24X0796. Substitute parts can look different from the original.
In Stock
$32.39 | 
13% OFF 
Phone Price: $37.39
Wall Oven Microwave Gas Sensor#1517

Microwave parts Diagram

Gas sensor

Part #WB06X0248
Replaced by #WB27X1170
?
Manufacturer substitution
This part replaces WB06X0248. Substitute parts can look different from the original.
In Stock
$100.39 | 
9% OFF 
Phone Price: $110.39
Magnetron#1434

Microwave parts Diagram

Magnetron

Part #WB27X0764

The manufacturer no longer makes this part, and there's no substitute part

Microwave High-Voltage Diode#1439

Microwave parts Diagram

High-voltage diode

Part #WB27X0944
Replaced by #WB27X1160
?
Manufacturer substitution
This part replaces WB27X0944. Substitute parts can look different from the original.
In Stock
$82.22 | 
6% OFF 
Phone Price: $87.22
Use and Care Guide#9999B

Microwave parts Diagram

Use and care guide

Part #49-8477
In Stock
$8.49
Microwave Door Release Button Spring#5512

Microwave parts Diagram

Button spring

Part #WB09X0291
Replaced by #WB09X10009
?
Manufacturer substitution
This part replaces WB09X0291. Substitute parts can look different from the original.
In Stock
$6.92 | 
13% OFF 
Phone Price: $7.92
Holder-se#5015

Microwave parts Diagram

Hldr sensor

Part #WB06X0193
Replaced by #WB6X549
?
Manufacturer substitution
This part replaces WB06X0193. Substitute parts can look different from the original.
In Stock
$7.69 | 
12% OFF 
Phone Price: $8.69
Microwave Fuse#1626

Microwave parts Diagram

Fuse

Part #WB27X0696
Replaced by #WB27X7
?
Manufacturer substitution
This part replaces WB27X0696. Substitute parts can look different from the original.
In Stock
$7.69 | 
12% OFF 
Phone Price: $8.69
Cooking Tray#1507

Microwave parts Diagram

Cooking tray

Part #WB48X0194

The manufacturer no longer makes this part, and there's no substitute part

Articles and videos common to all microwaves

November 12, 2022

5 Holiday Cleaning Tasks Essential to Boosting Your Home’s Image

Lyle Weischwill

Get tips on completing essential holiday cleaning tasks to brighten your home.

August 19, 2022

Are DIY appliance repairs safe?

Lyle Weischwill

Find out how to stay safe when repairing your appliances.

August 5, 2022

Introducing new technical repair content that we’re developing for the Sears Technical Institute

Lyle Weischwill

Learn about Sears Technical Institute and the advanced technical content being developed for aspiring appliance techs.