Whirlpool
Countertop Microwave

Model #MS2101XW0 Official Whirlpool microwave

Here are the diagrams and repair parts for Whirlpool MS2101XW0 microwave, as well as links to manuals and error code tables, if available.

There are a couple of ways to find the part or diagram you need:

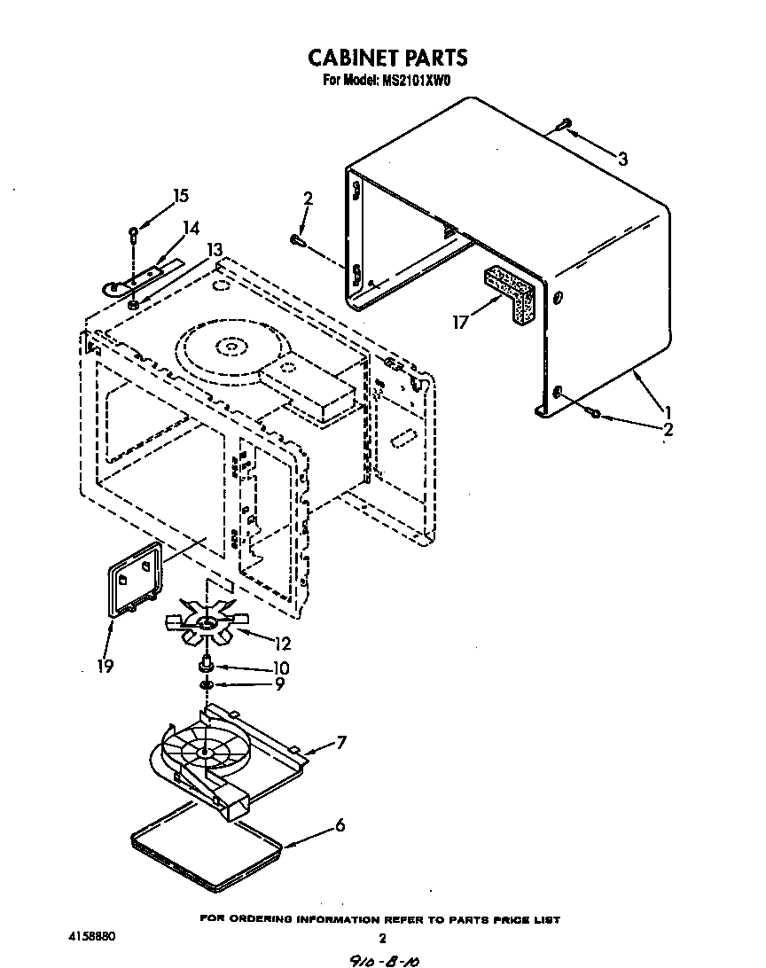
  • Click a diagram to see the parts shown on that diagram.
  • In the search box below, enter all or part of the part number or the part’s name.

Not all parts are shown on the diagrams—those parts are labeled NI, for “not illustrated”.

We encourage you to save the model to your profile, so it’s easy to access parts and manuals for your appliance whenever you log in.

For DIY troubleshooting advice and repair guides, visit our repair help section.

Showing 10 of 70 parts

Microwave Screw

See All Related Diagrams

Screw

Part #4158076
Replaced by #8169474
?
Manufacturer substitution
This part replaces 4158076. Substitute parts can look different from the original.
This item is not returnable
In Stock
$5.24
Microwave Door Primary Interlock Switch#25

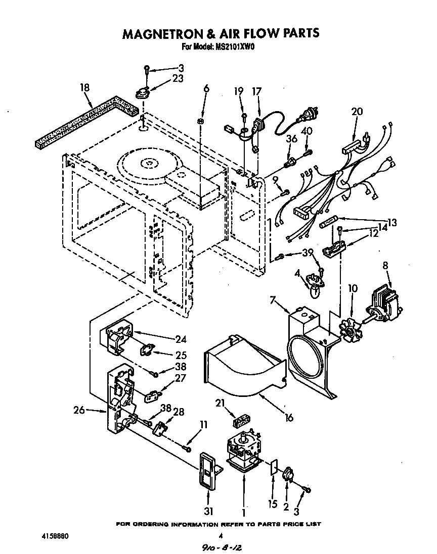
Magnetron and air flow Diagram

Switch

Part #4158195
Replaced by #4392027
?
Manufacturer substitution
This part replaces 4158195. Substitute parts can look different from the original.
In Stock
$69.11 | 
20% OFF 
MSRP: $86.00
Microwave Screw#14

Magnetron and air flow Diagram

Screw

Part #4158072
Replaced by #WP4158079
?
Manufacturer substitution
This part replaces 4158072. Substitute parts can look different from the original.
This item is not returnable
In Stock
$2.16
Fan Blade#10

Magnetron and air flow Diagram

Fan blade

Part #4158758
Replaced by #8184292
?
Manufacturer substitution
This part replaces 4158758. Substitute parts can look different from the original.
In Stock
$36.16
Microwave Screw

See All Related Diagrams

Screw

Part #4158071
Replaced by #W11380570
?
Manufacturer substitution
This part replaces 4158071. Substitute parts can look different from the original.
This item is not returnable
In Stock
$18.19 | 
10% OFF 
Phone Price: $20.19
Microwave Door Primary Interlock Switch#27

Magnetron and air flow Diagram

Switch

Part #4158486
Replaced by #4392027
?
Manufacturer substitution
This part replaces 4158486. Substitute parts can look different from the original.
In Stock
$69.11 | 
20% OFF 
MSRP: $86.00
Dryer Screw#3

Baseplate Diagram

Screw

Part #4158747
Replaced by #WP3400094
?
Manufacturer substitution
This part replaces 4158747. Substitute parts can look different from the original.
This item is not returnable
In Stock
$4.39 | 
19% OFF 
Phone Price: $5.39
Spring#5

Control panel and door Diagram

Spring

Part #4158178
Replaced by #WP4158178
?
Manufacturer substitution
This part replaces 4158178. Substitute parts can look different from the original.
This item is not returnable
In Stock
$6.09 | 
14% OFF 
Phone Price: $7.09
Light Bulb#4

Magnetron and air flow Diagram

Light bulb

Part #4158586

The manufacturer no longer makes this part, and there's no substitute part

Micro Door#1

Control panel and door Diagram

Micro door

Part #4158881

The manufacturer no longer makes this part, and there's no substitute part

Articles and videos common to all microwaves

November 12, 2022

5 Holiday Cleaning Tasks Essential to Boosting Your Home’s Image

By Lyle Weischwill

Get tips on completing essential holiday cleaning tasks to brighten your home.

August 19, 2022

Are DIY appliance repairs safe?

By Lyle Weischwill

Find out how to stay safe when repairing your appliances.

August 5, 2022

Introducing new technical repair content that we’re developing for the Sears Technical Institute

By Lyle Weischwill

Learn about Sears Technical Institute and the advanced technical content being developed for aspiring appliance techs.