ICP
Central Air Conditioner

Model #NPAB036N1LA Official ICP air-conditioner/heat pump

Here are the diagrams and repair parts for ICP NPAB036N1LA air-conditioner/heat pump, as well as links to manuals and error code tables, if available.

There are a couple of ways to find the part or diagram you need:

  • Click a diagram to see the parts shown on that diagram.
  • In the search box below, enter all or part of the part number or the part’s name.

Not all parts are shown on the diagrams—those parts are labeled NI, for “not illustrated”.

We encourage you to save the model to your profile, so it’s easy to access parts and manuals for your appliance whenever you log in.

For DIY troubleshooting advice and repair guides, visit our repair help section.

Showing 10 of 75 parts

Motor Run Capacitor#10

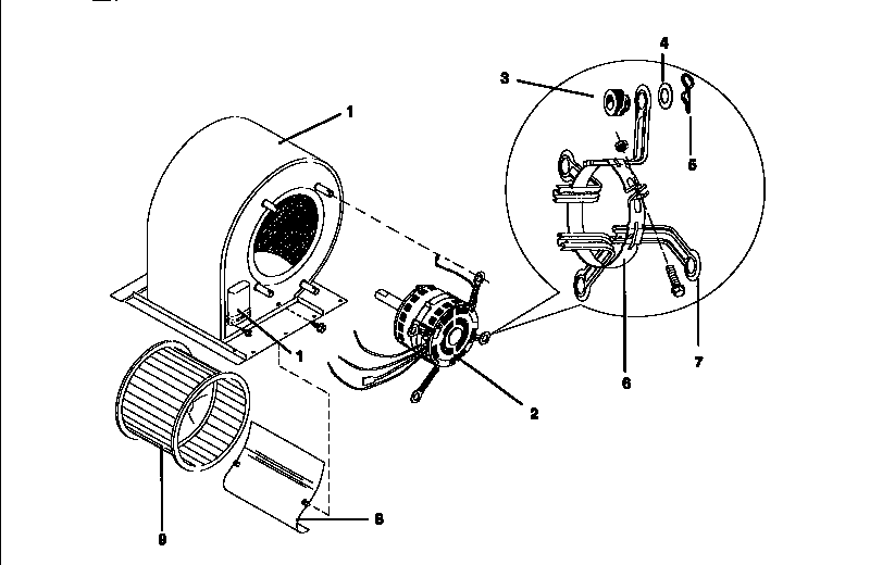
Blower, all models Diagram

Capacitor

Part #706338
Replaced by #12907
?
Manufacturer substitution
This part replaces 706338. Substitute parts can look different from the original.
This item is not returnable
In Stock
$3.19 | 
24% OFF 
Phone Price: $4.19
Transformer#5

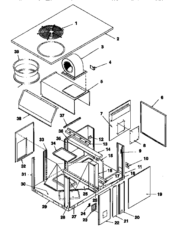
Control, all models Diagram

Transformer

Part #1065245
In Stock
$5876.14
Access Panel#19

Non-functional, all models Diagram

Access panel

Part #1068186
In Stock
$177.71
Partition#26

Non-functional, all models Diagram

Partition

Part #1054471
In Stock
$183.72
Install Manl

#NI

All parts Diagram

Install manl

Part #1065970
This item is not returnable
In Stock
$3.99
Mtr Blr / /#2

Blower, all models Diagram

Mtr blr / /

Part #1054583
In Stock
$427.98
Mtr Cnd / /#18

Functional, all models Diagram

Mtr cnd / /

Part #1054575
In Stock
$537.40
Post Elec Cr#11

Non-functional, all models Diagram

Post elec cr

Part #1068193
In Stock
$85.15
Terminal Board#1

Control, all models Diagram

Terminal board

Part #1066159
In Stock
$21.84
Panel Drn Ou#20

Non-functional, all models Diagram

Panel drn ou

Part #1068162
In Stock
$80.66

Articles and videos common to all central air conditioners

October 24, 2022

Easy DIY appliance repairs that anyone can do

Lyle Weischwill

Get advice on simple DIY fixes for appliances that you can safely do on your own.

August 5, 2022

Introducing new technical repair content that we’re developing for the Sears Technical Institute

Lyle Weischwill

Learn about Sears Technical Institute and the advanced technical content being developed for aspiring appliance techs.

June 29, 2022

Top questions about Sears and Sears PartsDirect

Lyle Weischwill

Get answers to frequently asked questions about Sears and Sears PartsDirect.