Craftsman
Welder

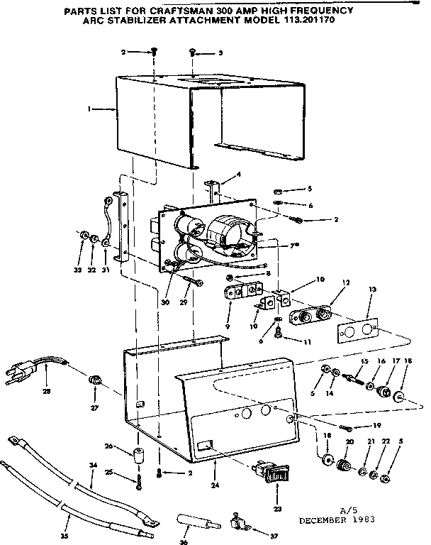
Model #113201170 Official Craftsman 300-amp high-frequency arc stabilizer attachment

Here are the diagrams and repair parts for Craftsman 113201170 300-amp high-frequency arc stabilizer attachment, as well as links to manuals and error code tables, if available.

There are a couple of ways to find the part or diagram you need:

  • Click a diagram to see the parts shown on that diagram.
  • In the search box below, enter all or part of the part number or the part’s name.

Not all parts are shown on the diagrams—those parts are labeled NI, for “not illustrated”.

We encourage you to save the model to your profile, so it’s easy to access parts and manuals for your appliance whenever you log in.

For DIY troubleshooting advice and repair guides, visit our repair help section.

Owner’s manual

Showing 10 of 38 parts

Washer#22

Unit Diagram

Washer

Part #STD551037

The manufacturer no longer makes this part, and there's no substitute part

Welder Cable Block

Welder cable block

Part #61115

The manufacturer no longer makes this part, and there's no substitute part

Block No. 6#12

Unit Diagram

Block no. 6

Part #61117

The manufacturer no longer makes this part, and there's no substitute part

Lock Washer#32

Unit Diagram

Lock washer

Part #STD551110

The manufacturer no longer makes this part, and there's no substitute part

Machine Screw, #6-32 x 3/4-in, 8-pack#19

Unit Diagram

Machine screw, #6-32 x 3/4-in, 8-pack

Part #STD510607

The manufacturer no longer makes this part, and there's no substitute part

Screw#3

Unit Diagram

Screw

Part #STD611005

The manufacturer no longer makes this part, and there's no substitute part

Washer#6

Unit Diagram

Washer

Part #STD551025

The manufacturer no longer makes this part, and there's no substitute part

Machine Screw#11

Unit Diagram

Machine screw

Part #STD522505

The manufacturer no longer makes this part, and there's no substitute part

Hex Nut#33

Unit Diagram

Hex nut

Part #STD541110

The manufacturer no longer makes this part, and there's no substitute part

Screw#2

Unit Diagram

Screw

Part #STD601105

The manufacturer no longer makes this part, and there's no substitute part