Kenmore
Coffee Maker

Model #360679401 Official Kenmore automatic drip coffee maker

Here are the diagrams and repair parts for Kenmore 360679401 automatic drip coffee maker, as well as links to manuals and error code tables, if available.

There are a couple of ways to find the part or diagram you need:

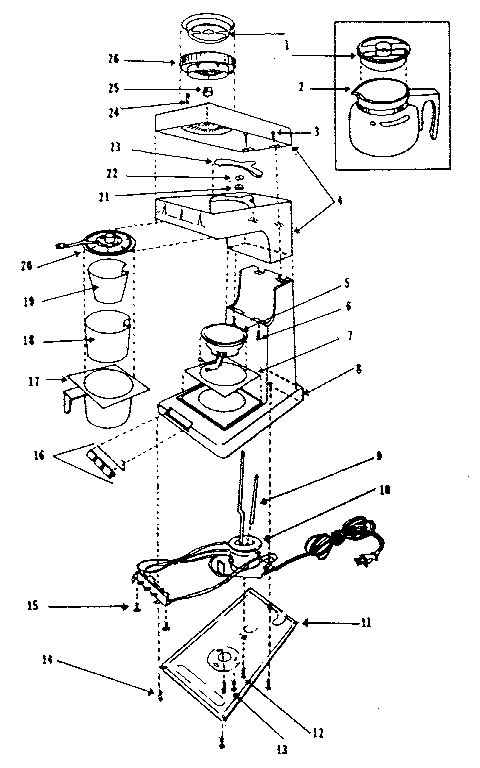
  • Click a diagram to see the parts shown on that diagram.
  • In the search box below, enter all or part of the part number or the part’s name.

Not all parts are shown on the diagrams—those parts are labeled NI, for “not illustrated”.

We encourage you to save the model to your profile, so it’s easy to access parts and manuals for your appliance whenever you log in.

For DIY troubleshooting advice and repair guides, visit our repair help section.

Showing 10 of 26 parts

Tube#9

Replacement parts Diagram

Tube

Part #134335

The manufacturer no longer makes this part, and there's no substitute part

Filter#26

Replacement parts Diagram

Filter

Part #901210

The manufacturer no longer makes this part, and there's no substitute part

Pump Kit#10

Replacement parts Diagram

Pump kit

Part #900450

The manufacturer no longer makes this part, and there's no substitute part

Screw#24

Replacement parts Diagram

Screw

Part #002953

The manufacturer no longer makes this part, and there's no substitute part

Screw

See All Related Diagrams

Screw

Part #002172

The manufacturer no longer makes this part, and there's no substitute part

Screw#15

Replacement parts Diagram

Screw

Part #002186

The manufacturer no longer makes this part, and there's no substitute part

Tube Washr#22

Replacement parts Diagram

Tube washr

Part #007145

The manufacturer no longer makes this part, and there's no substitute part

Carafe#2

Replacement parts Diagram

Carafe

Part #601117

The manufacturer no longer makes this part, and there's no substitute part

Filter Bskt#17

Replacement parts Diagram

Filter bskt

Part #157124

The manufacturer no longer makes this part, and there's no substitute part

Base Insert#7

Replacement parts Diagram

Base insert

Part #132446

The manufacturer no longer makes this part, and there's no substitute part