Panasonic
Digital Camcorder

Model #PV-DV402 Official Panasonic camcorder

Here are the diagrams and repair parts for Panasonic PV-DV402 camcorder, as well as links to manuals and error code tables, if available.

There are a couple of ways to find the part or diagram you need:

  • Click a diagram to see the parts shown on that diagram.
  • In the search box below, enter all or part of the part number or the part’s name.

Not all parts are shown on the diagrams—those parts are labeled NI, for “not illustrated”.

We encourage you to save the model to your profile, so it’s easy to access parts and manuals for your appliance whenever you log in.

For DIY troubleshooting advice and repair guides, visit our repair help section.

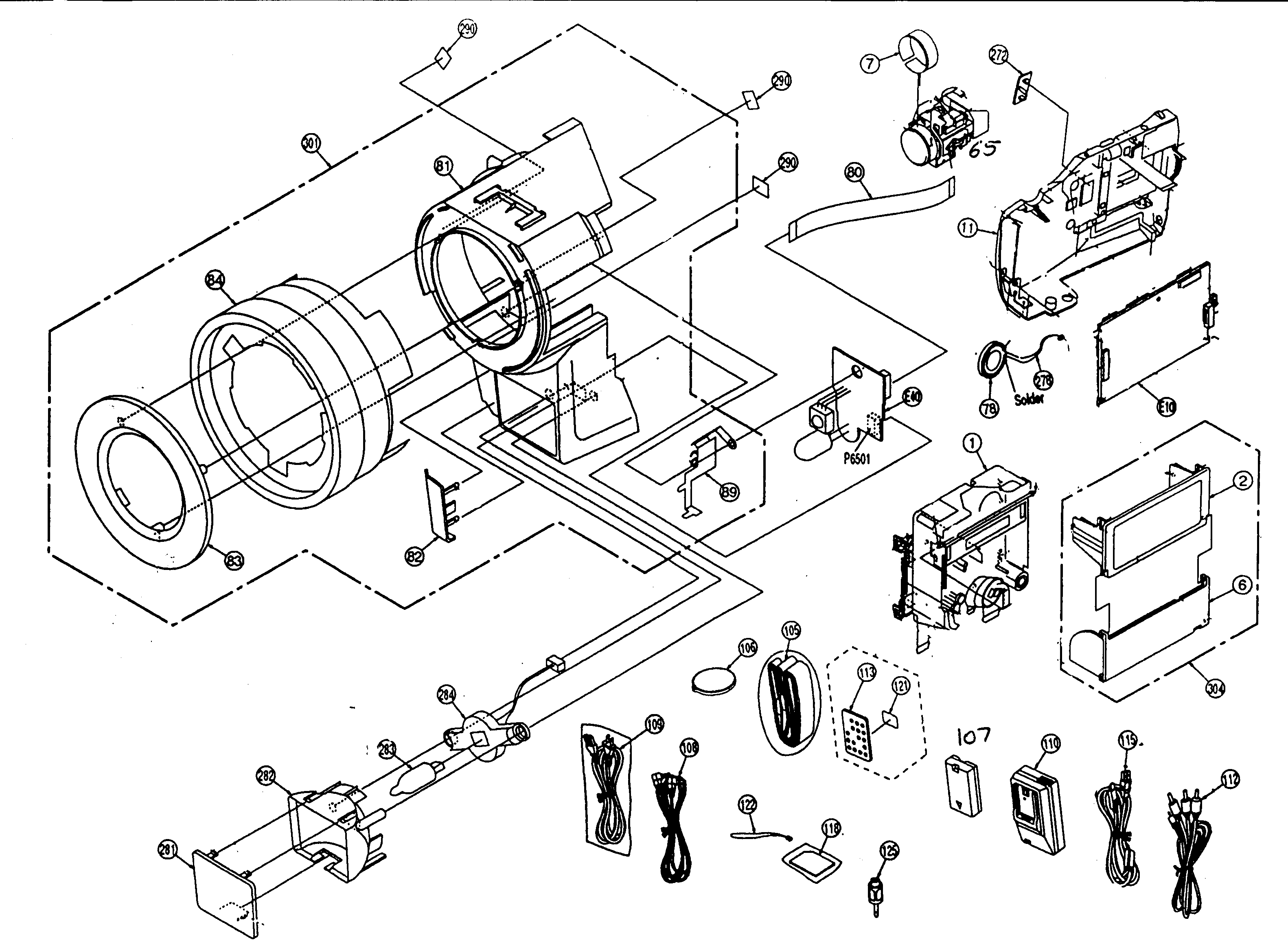
Showing 10 of 102 parts

Transformer#NI

Cabinet parts Diagram

Transformer

Part #G5DYA0000041

The manufacturer no longer makes this part, and there's no substitute part

Frame#72

Lcd Diagram

Frame

Part #LSMA0577

The manufacturer no longer makes this part, and there's no substitute part

Lens#65

Cabinet parts Diagram

Lens

Part #LSXN0021

The manufacturer no longer makes this part, and there's no substitute part

Connector#P651

Cabinet parts Diagram

Connector

Part #K1KA03A00304

The manufacturer no longer makes this part, and there's no substitute part

Eye View Finder Cover#272

Cabinet parts Diagram

Eye view finder cover

Part #LSKF0433

The manufacturer no longer makes this part, and there's no substitute part

Chip Fuse#NI

Cabinet parts Diagram

Chip fuse

Part #K5H1022A0008

The manufacturer no longer makes this part, and there's no substitute part

Ic 32bit M#NI

Cabinet parts Diagram

Ic 32bit m

Part #MN103001GEA1

The manufacturer no longer makes this part, and there's no substitute part

Jack#NI

Cabinet parts Diagram

Jack

Part #K1FB104B0026

The manufacturer no longer makes this part, and there's no substitute part

Lseg0001#NI

Cabinet parts Diagram

Lseg0001

Part #LSEG0012

The manufacturer no longer makes this part, and there's no substitute part

Cylinder#NI

Cabinet parts Diagram

Cylinder

Part #LSEG0041

The manufacturer no longer makes this part, and there's no substitute part