Kenmore
Central Air Conditioner

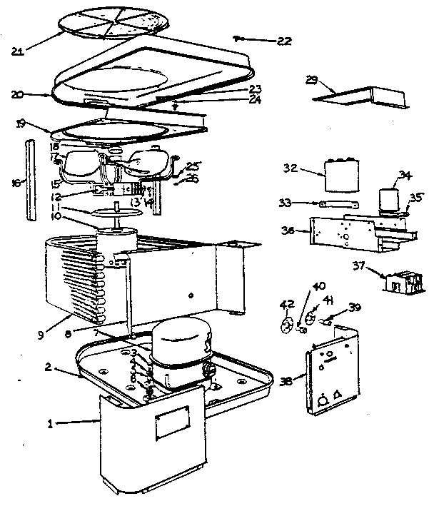
Model #769813611 Official Kenmore custom air conditioner condensing unit

Here are the diagrams and repair parts for Kenmore 769813611 custom air conditioner condensing unit, as well as links to manuals and error code tables, if available.

There are a couple of ways to find the part or diagram you need:

  • Click a diagram to see the parts shown on that diagram.
  • In the search box below, enter all or part of the part number or the part’s name.

Not all parts are shown on the diagrams—those parts are labeled NI, for “not illustrated”.

We encourage you to save the model to your profile, so it’s easy to access parts and manuals for your appliance whenever you log in.

For DIY troubleshooting advice and repair guides, visit our repair help section.

Showing 10 of 63 parts

Flat Washer

See All Related Diagrams

Flat washer

Part #100075

The manufacturer no longer makes this part, and there's no substitute part

Motor Slngr#11

Functional replacement parts Diagram

Slinger

Part #5452-176
Replaced by #56-17846-02
?
Manufacturer substitution
This part replaces 5452-176. Substitute parts can look different from the original.
In Stock
$21.58
Lock Nut#26

Functional replacement parts Diagram

Lock nut

Part #1121-9

The manufacturer no longer makes this part, and there's no substitute part

Lock Washer#13

Functional replacement parts Diagram

Lock washer

Part #100055

The manufacturer no longer makes this part, and there's no substitute part

Motor Run Capacitor#34B

Functional replacement parts Diagram

Capacitor

Part #8552-2
Replaced by #12005
?
Manufacturer substitution
This part replaces 8552-2. Substitute parts can look different from the original.
In Stock
$16.12 | 
11% OFF 
Phone Price: $18.12
Central Air Conditioner Condenser Fan Motor#10B

Functional replacement parts Diagram

Fan motor

Part #8101-417
Replaced by #EM3465F
?
Manufacturer substitution
This part replaces 8101-417. Substitute parts can look different from the original.
In Stock
$148.45 | 
6% OFF 
Phone Price: $158.45
Cap Screw#3

Functional replacement parts Diagram

Cap screw

Part #1001-1

The manufacturer no longer makes this part, and there's no substitute part

Control Box#36

Functional replacement parts Diagram

Control box

Part #5361-434
Replaced by #5361-434
?
Manufacturer substitution
This part replaces 5361-434. Substitute parts can look different from the original.
This item is not returnable
In Stock
$5.99
Screw#22

Functional replacement parts Diagram

Screw

Part #1032-35

The manufacturer no longer makes this part, and there's no substitute part

Furnace Blower Fan Motor#10C

Functional replacement parts Diagram

Fan motor

Part #8101-432
Replaced by #PAK45461
?
Manufacturer substitution
This part replaces 8101-432. Substitute parts can look different from the original.
In Stock
$180.86 | 
5% OFF 
Phone Price: $190.86

Articles and videos common to all central air conditioners

November 30, 2022

2023 HVAC regulation changes and how they may affect you

By Lyle Weischwill

Find out how new DOE standards going into effect in 2023 can affect you and what you need to do.

October 24, 2022

Easy DIY appliance repairs that anyone can do

By Lyle Weischwill

Get advice on simple DIY fixes for appliances that you can safely do on your own.

August 5, 2022

Introducing new technical repair content that we’re developing for the Sears Technical Institute

By Lyle Weischwill

Learn about Sears Technical Institute and the advanced technical content being developed for aspiring appliance techs.