Hoover
Upright Vacuum

Model #C1499--- Official Hoover upright vacuum

Here are the diagrams and repair parts for Hoover C1499- upright vacuum, as well as links to manuals and error code tables, if available.

There are a couple of ways to find the part or diagram you need:

  • Click a diagram to see the parts shown on that diagram.
  • In the search box below, enter all or part of the part number or the part’s name.

Not all parts are shown on the diagrams—those parts are labeled NI, for “not illustrated”.

We encourage you to save the model to your profile, so it’s easy to access parts and manuals for your appliance whenever you log in.

For DIY troubleshooting advice and repair guides, visit our repair help section.

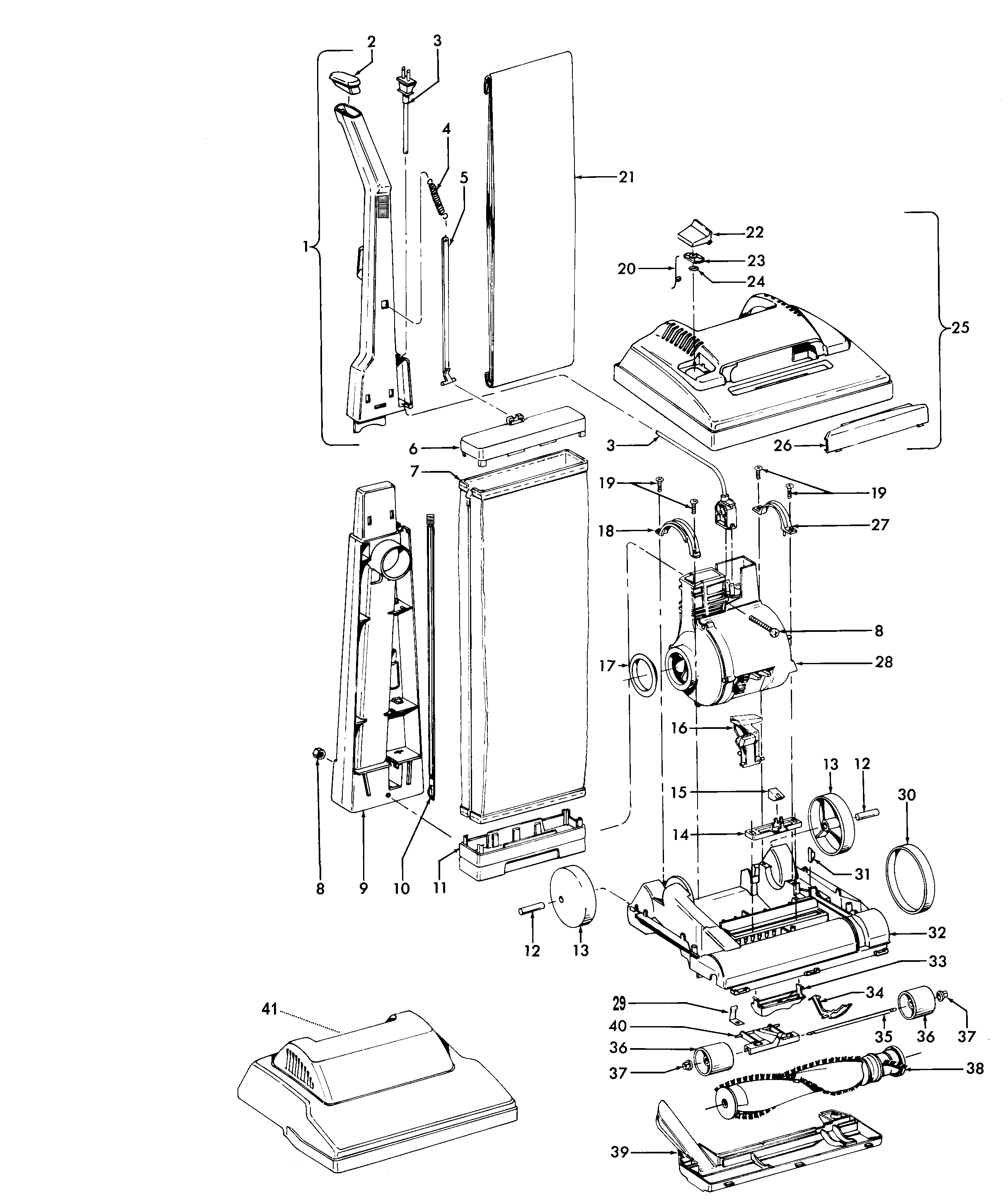
Showing 10 of 55 parts

Belt, 1-pack#30

Handle, mainbody, outerbag, hood Diagram

Belt, 1-pack

Part #38528027

The manufacturer no longer makes this part, and there's no substitute part

Vacuum Beater Bar Assembly

See All Related Diagrams

Vacuum beater bar assembly

Part #48414081

The manufacturer no longer makes this part, and there's no substitute part

Duct Seal#17

Agitator, motor assembly Diagram

Duct seal

Part #38783020

The manufacturer no longer makes this part, and there's no substitute part

Spring#4

Handle, mainbody, outerbag, hood Diagram

Spring

Part #38335020

The manufacturer no longer makes this part, and there's no substitute part

Vacuum Motor Mount#18

Handle, mainbody, outerbag, hood Diagram

Vacuum motor mount

Part #36131057

The manufacturer no longer makes this part, and there's no substitute part

Bag Strap#5

Handle, mainbody, outerbag, hood Diagram

Bag strap

Part #36425072

The manufacturer no longer makes this part, and there's no substitute part

Vacuum Wheel Axle#12

Handle, mainbody, outerbag, hood Diagram

Vacuum wheel axle

Part #31531008

The manufacturer no longer makes this part, and there's no substitute part

Vacuum Wheel#13

Handle, mainbody, outerbag, hood Diagram

Vacuum wheel

Part #38522011

The manufacturer no longer makes this part, and there's no substitute part

Rod Switch#10

Handle, mainbody, outerbag, hood Diagram

Rod switch

Part #38458046

The manufacturer no longer makes this part, and there's no substitute part

Vacuum Motor Mounting Bolt and Nut#8

Handle, mainbody, outerbag, hood Diagram

Vacuum motor mounting bolt and nut

Part #40201085

The manufacturer no longer makes this part, and there's no substitute part

Symptoms common to all vacuum cleaners

Choose a symptom to see related vacuum cleaner repairs.

Main causes: damaged vacuum hose, clogged motor air filter, bad suction motor
Main causes: broken drive belt, damaged brush roll, tripped brush roll motor overload, bad brush roll motor, wiring failure
Main causes: lack of power, bad power cord, drive motor failure, wiring failure
Main causes: weak suction motor, vacuum bag is full, clog in suction air path, dirty exhaust filter, leaky vacuum hose

Articles and videos common to all vacuum cleaners

Use the advice and tips in these articles and videos to get the most out of your vacuum.

January 5, 2015

10 must-have tools for appliance repair

By Lyle Weischwill

Come see which tools made our top 10 must-haves for DIY appliance repair.

December 18, 2014

Deciding between a canister or upright vacuum

By Lyle Weischwill

Undecided about canister or upright? We compare them.

July 1, 2013

Vacuum common questions

By Lyle Weischwill

Find the answers to frequently asked questions about vacuum cleaners.