Amana
Countertop Microwave

Model #RL322T/P1110208M Official Amana microwave

Here are the diagrams and repair parts for Amana RL322T-P1110208M microwave, as well as links to manuals and error code tables, if available.

There are a couple of ways to find the part or diagram you need:

  • Click a diagram to see the parts shown on that diagram.
  • In the search box below, enter all or part of the part number or the part’s name.

Not all parts are shown on the diagrams—those parts are labeled NI, for “not illustrated”.

We encourage you to save the model to your profile, so it’s easy to access parts and manuals for your appliance whenever you log in.

For DIY troubleshooting advice and repair guides, visit our repair help section.

Showing 10 of 138 parts

Appliance Light Bulb, 40-watt#1

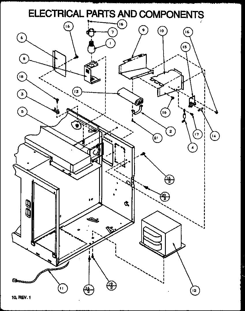
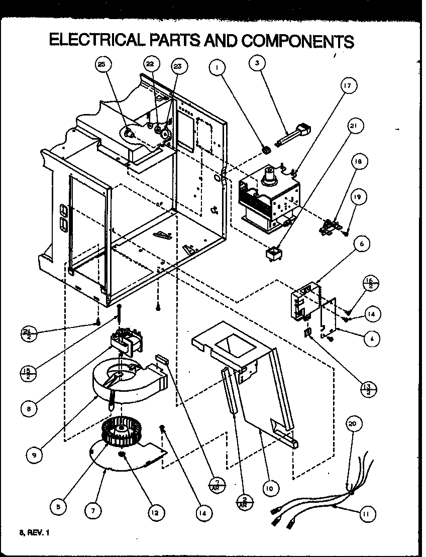
Electrical parts andcomponents Diagram

Lamp

Part #A0282805
Replaced by #40A15
?
Manufacturer substitution
This part replaces A0282805. Substitute parts can look different from the original.
BEST SELLER
In Stock
$8.35 | 
11% OFF 
Phone Price: $9.35
Washer Screw, #10-16 x 3/8-in#19

Electrical parts andcomponents Diagram

Screw

Part #M0216729
Replaced by #WP3390631
?
Manufacturer substitution
This part replaces M0216729. Substitute parts can look different from the original.
This item is not returnable
In Stock
$4.39 | 
19% OFF 
Phone Price: $5.39
Appliance Screw#13

Door assembly Diagram

Torx screw

Part #M0234016
Replaced by #WP59002061
?
Manufacturer substitution
This part replaces M0234016. Substitute parts can look different from the original.
This item is not returnable
In Stock
$4.39 | 
19% OFF 
Phone Price: $5.39
Refrigerator Screw#17

Electrical parts andcomponents Diagram

Screw

Part #M0216515
Replaced by #WP489349
?
Manufacturer substitution
This part replaces M0216515. Substitute parts can look different from the original.
This item is not returnable
In Stock
$4.39 | 
19% OFF 
Phone Price: $5.39
Capacitor-.8#13B

Electrical parts andcomponents Diagram

Capacitor

Part #D8547929
Replaced by #59001649
?
Manufacturer substitution
This part replaces D8547929. Substitute parts can look different from the original.
In Stock
$31.49
Microwave Fuse#14A

Electrical parts andcomponents Diagram

Fuse

Part #M0805101
Replaced by #WPM0805101
?
Manufacturer substitution
This part replaces M0805101. Substitute parts can look different from the original.
This item is not returnable
In Stock
$6.49 | 
13% OFF 
Phone Price: $7.49
Nut#22

Electrical parts and components Diagram

Nut

Part #M0281405
Replaced by #M0281405
?
Manufacturer substitution
This part replaces M0281405. Substitute parts can look different from the original.
This item is not returnable
In Stock
$3.29
Washer#23

Electrical parts and components Diagram

Washer

Part #M0270536
Replaced by #M0270536
?
Manufacturer substitution
This part replaces M0270536. Substitute parts can look different from the original.
This item is not returnable
In Stock
$3.29
Door Guide#4

Door assembly Diagram

Door guide

Part #B8370401
Replaced by #B8370401
?
Manufacturer substitution
This part replaces B8370401. Substitute parts can look different from the original.
This item is not returnable
In Stock
$3.29
Refrigerator Crisper Drawer Roller Screw

See All Related Diagrams

Screw

Part #M0254706
Replaced by #67006692
?
Manufacturer substitution
This part replaces M0254706. Substitute parts can look different from the original.
This item is not returnable
In Stock
$7.99 | 
11% OFF 
Phone Price: $8.99

Articles and videos common to all microwaves

November 12, 2022

5 Holiday Cleaning Tasks Essential to Boosting Your Home’s Image

By Lyle Weischwill

Get tips on completing essential holiday cleaning tasks to brighten your home.

August 19, 2022

Are DIY appliance repairs safe?

By Lyle Weischwill

Find out how to stay safe when repairing your appliances.

August 5, 2022

Introducing new technical repair content that we’re developing for the Sears Technical Institute

By Lyle Weischwill

Learn about Sears Technical Institute and the advanced technical content being developed for aspiring appliance techs.