Fedders
Central Air Conditioner

Model #1N052A Official Fedders air conditioner

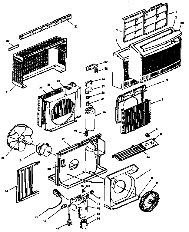
Here are the diagrams and repair parts for Fedders 1N052A air conditioner, as well as links to manuals and error code tables, if available.

There are a couple of ways to find the part or diagram you need:

  • Click a diagram to see the parts shown on that diagram.
  • In the search box below, enter all or part of the part number or the part’s name.

Not all parts are shown on the diagrams—those parts are labeled NI, for “not illustrated”.

We encourage you to save the model to your profile, so it’s easy to access parts and manuals for your appliance whenever you log in.

For DIY troubleshooting advice and repair guides, visit our repair help section.

Showing 10 of 50 parts

Structure#27

Replacement parts Diagram

Structure

Part #112401160001

The manufacturer no longer makes this part, and there's no substitute part

PANEL, CONTROLS#12

Replacement parts Diagram

Panel, controls

Part #112401290003

The manufacturer no longer makes this part, and there's no substitute part

CLAM SHELL, LH N CHASSIS

#NI

All parts Diagram

Clam shell, lh n chassis

Part #131106520003

The manufacturer no longer makes this part, and there's no substitute part

CLAM SHELL, RH N CHASSIS

#NI

All parts Diagram

Clam shell, rh n chassis

Part #131106520004

The manufacturer no longer makes this part, and there's no substitute part

NAMEPLATE, MICRO SONIC, REAR#22

Replacement parts Diagram

Nameplate, micro sonic, rear

Part #881604620034

The manufacturer no longer makes this part, and there's no substitute part

Rear Case#21

Replacement parts Diagram

Rear case

Part #112401170001

The manufacturer no longer makes this part, and there's no substitute part

CLIP, THERMOSTAT BULB

#NI

All parts Diagram

Clip, thermostat bulb

Part #881001160001

The manufacturer no longer makes this part, and there's no substitute part

GROMMET, BOTTOM#28

Replacement parts Diagram

Grommet, bottom

Part #160603120001

The manufacturer no longer makes this part, and there's no substitute part

CONDENSER, 2 ROW, 5/16#26

Replacement parts Diagram

Condenser, 2 row, 5/16

Part #112401820007

The manufacturer no longer makes this part, and there's no substitute part

Cover Clip#34

Replacement parts Diagram

Cover clip

Part #160602080001

The manufacturer no longer makes this part, and there's no substitute part

Articles and videos common to all central air conditioners

November 30, 2022

2023 HVAC regulation changes and how they may affect you

By Lyle Weischwill

Find out how new DOE standards going into effect in 2023 can affect you and what you need to do.

October 24, 2022

Easy DIY appliance repairs that anyone can do

By Lyle Weischwill

Get advice on simple DIY fixes for appliances that you can safely do on your own.

August 5, 2022

Introducing new technical repair content that we’re developing for the Sears Technical Institute

By Lyle Weischwill

Learn about Sears Technical Institute and the advanced technical content being developed for aspiring appliance techs.