Craftsman
Snowblower

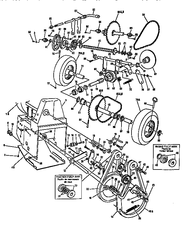
Model #88418 Official Craftsman snow blower

Here are the diagrams and repair parts for Craftsman 88418 snow blower, as well as links to manuals and error code tables, if available.

There are a couple of ways to find the part or diagram you need:

  • Click a diagram to see the parts shown on that diagram.
  • In the search box below, enter all or part of the part number or the part’s name.

Not all parts are shown on the diagrams—those parts are labeled NI, for “not illustrated”.

We encourage you to save the model to your profile, so it’s easy to access parts and manuals for your appliance whenever you log in.

For DIY troubleshooting advice and repair guides, visit our repair help section.

Showing 10 of 213 parts

Snowblower Ground Drive Belt, 3/8 x 33-1/16-in (replaces 1733324, 579932, 579932MA)#33

10 hp motor mount assembly Diagram

Snowblower drive belt

Part #579932
Replaced by #1733324SM
?
Manufacturer substitution
This part replaces 579932. Substitute parts can look different from the original.
BEST SELLER

Get free shipping with Automatic Reorder

In Stock
$16.66 | 
17% OFF 
MSRP: $20.00
Snowblower Auger Drive Belt, 1/2 x 38-7/16-in (replaces 2021, 585416, 724801, 742550MA)#45B

10 hp motor mount assembly Diagram

Snowblower gas belt

Part #585416
Replaced by #585416MA
?
Manufacturer substitution
This part replaces 585416. Substitute parts can look different from the original.
BEST SELLER

Get free shipping with Automatic Reorder

In Stock
$19.73 | 
24% OFF 
MSRP: $26.00
Snowblower Friction Wheel Assembly (replaces 1501435, 313883, 53830, 53830MA, 722185, MT1501435MA)#57

10 hp motor mount assembly Diagram

Disc wheel

Part #53830
Replaced by #1501435MA
?
Manufacturer substitution
This part replaces 53830. Substitute parts can look different from the original.
BEST SELLER
In Stock
$22.36 | 
20% OFF 
MSRP: $28.00
Snowblower Chute Retainer Ring, Outer#16

10 hp auger housing assembly Diagram

Snowblower chute retainer ring, outer

Part #585193
Replaced by #585193MA
?
Manufacturer substitution
This part replaces 585193. Substitute parts can look different from the original.
BEST SELLER
In Stock
$30.70 | 
14% OFF 
Phone Price: $35.70
Snowblower Chute Retainer Ring, Inner#14

10 hp auger housing assembly Diagram

Retaining ring

Part #585194
Replaced by #337227MA
?
Manufacturer substitution
This part replaces 585194. Substitute parts can look different from the original.
BEST SELLER
In Stock
$21.31 | 
19% OFF 
Phone Price: $26.31
Snowblower Screw#35

10 hp auger housing assembly Diagram

Snowblower shear bolt

Part #9524
Replaced by #703057
?
Manufacturer substitution
This part replaces 9524. Substitute parts can look different from the original.
BEST SELLER
This item is not returnable
In Stock
$5.38 | 
16% OFF 
Phone Price: $6.38
Snowblower Auger Clutch Cable Spring#18

Upper handle assembly Diagram

Auger clutch spacer

Part #1673
Replaced by #1673MA
?
Manufacturer substitution
This part replaces 1673. Substitute parts can look different from the original.
BEST SELLER
In Stock
$10.38 | 
16% OFF 
Phone Price: $12.38
Snowblower Skid Shoe#24

10 hp auger housing assembly Diagram

Height skid adjustment

Part #50643
Replaced by #1740912BMYP
?
Manufacturer substitution
This part replaces 50643. Substitute parts can look different from the original.
BEST SELLER
In Stock
$20.58 | 
20% OFF 
Phone Price: $25.58
Snowblower Nut

See All Related Diagrams

Lock nut

Part #73826
Replaced by #703251
?
Manufacturer substitution
This part replaces 73826. Substitute parts can look different from the original.
BEST SELLER
In Stock
$8.07 | 
11% OFF 
Phone Price: $9.07
Snowblower Auger Shear Bolt Sleeve#27

10 hp auger housing assembly Diagram

1/4" spacer

Part #3943
Replaced by #703058
?
Manufacturer substitution
This part replaces 3943. Substitute parts can look different from the original.
BEST SELLER
In Stock
$12.09 | 
14% OFF 
Phone Price: $14.09

Articles and videos common to all snowblowers

December 12, 2022

How to adjust the snowblower auger control

By Lyle Weischwill

This video shows how to adjust a snowblower's auger control.

December 8, 2022

How to lubricate a snowblower drive hex shaft video

By Lyle Weischwill

This short video shows how to lubricate a snowblower drive hex shaft.

November 17, 2022

What are the major parts of a snowblower?

By Lyle Weischwill

Learn about major functional parts of your snowblower and when to replace them.