Kenmore
Upright Freezer

Model #106727580 Official Kenmore freezer

Here are the diagrams and repair parts for Kenmore 106727580 freezer, as well as links to manuals and error code tables, if available.

There are a couple of ways to find the part or diagram you need:

  • Click a diagram to see the parts shown on that diagram.
  • In the search box below, enter all or part of the part number or the part’s name.

Not all parts are shown on the diagrams—those parts are labeled NI, for “not illustrated”.

We encourage you to save the model to your profile, so it’s easy to access parts and manuals for your appliance whenever you log in.

For DIY troubleshooting advice and repair guides, visit our repair help section.

Error Codes

Showing 10 of 222 parts

Appliance Light Bulb, 40-watt (replaces 40A15-2PK, 60A, 60A15RVL, STD398091, WR02X12328, WX12X1510)#42

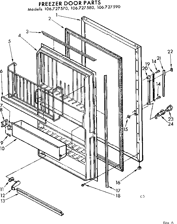
Liner parts Diagram

Light bulb

Part #527949
Replaced by #40A15
?
Manufacturer substitution
This part replaces 527949. Substitute parts can look different from the original.
BEST SELLER
In Stock
$7.52 | 
12% OFF 
Phone Price: $8.52
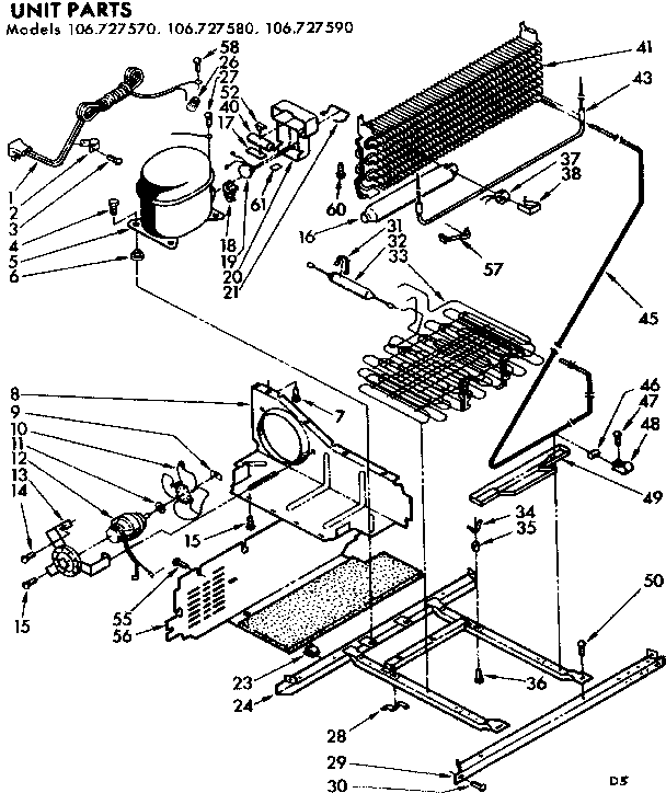
Refrigerator Condenser Fan Motor (replaces 1025, 10884502, 10884504, 10884507, 1129383, 12001314, 12001836, 2199155, 311168, 4344273, 483079, 483213, 8118, 8170524, R0150002, R0950211, Y0056804, Y0311168)#12

Unit parts Diagram

Fan motor

Part #851476
Replaced by #833697
?
Manufacturer substitution
This part replaces 851476. Substitute parts can look different from the original.
BEST SELLER
In Stock
$48.32 | 
9% OFF 
Phone Price: $53.32
Appliance Touch-Up Paint, 0.6-oz (White) (replaces 21020, 72017R, 8006, W10813125, Y058028)

#NI

All parts Diagram

In Stock
$8.29 | 
11% OFF 
Phone Price: $9.29
Freezer Door Key (replaces 842177)#23

Door parts Diagram

Freezer door key

Part #842177
Replaced by #WP842177
?
Manufacturer substitution
This part replaces 842177. Substitute parts can look different from the original.
BEST SELLER
This item is not returnable
In Stock
$4.39 | 
19% OFF 
Phone Price: $5.39
Appliance Touch-Up Paint, 0.6-oz (Black) (replaces 20001009, 72032P, 72032R, W10831982)

#NI

All parts Diagram

In Stock
$4.89 | 
38% OFF 
MSRP: $7.90
Appliance Screw

See All Related Diagrams

Screw

Part #486993
Replaced by #WP488729
?
Manufacturer substitution
This part replaces 486993. Substitute parts can look different from the original.
BEST SELLER
This item is not returnable
In Stock
$4.39 | 
19% OFF 
Phone Price: $5.39
Appliance Screw

See All Related Diagrams

Screw

Part #488624
Replaced by #WP488729
?
Manufacturer substitution
This part replaces 488624. Substitute parts can look different from the original.
BEST SELLER
This item is not returnable
In Stock
$4.39 | 
19% OFF 
Phone Price: $5.39
Appliance Screw#34

Liner parts Diagram

Screw

Part #487539
Replaced by #WP488729
?
Manufacturer substitution
This part replaces 487539. Substitute parts can look different from the original.
BEST SELLER
This item is not returnable
In Stock
$4.39 | 
19% OFF 
Phone Price: $5.39
Appliance Screw

See All Related Diagrams

Screw

Part #487909
Replaced by #WP488729
?
Manufacturer substitution
This part replaces 487909. Substitute parts can look different from the original.
BEST SELLER
This item is not returnable
In Stock
$4.39 | 
19% OFF 
Phone Price: $5.39
Appliance Silicone Sealant (replaces 279368)

#NI

All parts Diagram

Cement

Part #797403
Replaced by #WP279368
?
Manufacturer substitution
This part replaces 797403. Substitute parts can look different from the original.
In Stock
$41.59 | 
11% OFF 
Phone Price: $46.59

Symptoms common to all freestanding freezers

Choose a symptom to see related freezer repairs.

Main causes: burned out light bulb, bad door or lid switch, faulty LED light board, wiring failure, control system failure
Main causes: lack of power, bad compressor, refrigerant leak, bad thermistor, defrost system failure, dirty condenser coils, control failure
Main causes: leaky door or lid gasket, broken defrost heater, bad defrost bi-metal thermostat, defrost control failure, faulty compressor
Main causes: compressor failure, no refrigerant, faulty sensor, control failure, broken defrost heater, bad defrost bi-metal thermostat
Main causes: excessive frost, bad defrost heater, bad defrost bi-metal, control system failure, low refrigerant charge, compressor problems
Main causes: damaged door or lid gasket, cracked cabinet liner, bad defrost bi-metal thermostat, broken defrost heater, bad defrost timer
Main causes: lack of power, control system failure, broken compressor start relay, locked up compressor, compressor motor failure
Main causes: dirty condenser coils, condenser fan failure, dirty bottom front grill, leaky door or lid gasket

Repair guides for upright freezers

February 20, 2015
Lyle Weischwill
How to replace a freezer control panel

A freezer control panel that doesn’t show the temperature or respond when you press the buttons could be broken. This DIY repair guide and video show how to replace a freezer control panel in less than 15 minutes.

Repair difficulty
Time required
 15 minutes or less
February 20, 2015
Lyle Weischwill
How to replace a freezer door switch

When the door switch fails, the freezer can’t detect that the door is closed. Follow the steps in this repair guide to replace a defective freezer door switch.

Repair difficulty
Time required
 15 minutes or less
February 20, 2015
Lyle Weischwill
How to replace a freezer thermistor

When the thermistor can’t sense the freezer temperature, the freezer is colder or warmer than the set temperature. Follow these step-by-step instructions to replace a defective freezer thermistor.

Repair difficulty
Time required
 45 minutes or less

Articles and videos common to all freestanding freezers

Use the advice and tips in these articles and videos to get the most out of your freezer.

August 19, 2022

Are DIY appliance repairs safe?

Lyle Weischwill

Find out how to stay safe when repairing your appliances.

August 17, 2021

How to read a wiring schematic video

Lyle Weischwill

Learn how to decipher symbols so you can buy the right part for your problem.

December 15, 2014

5 tips for finding food in the freezer faster

Kim Hillegass

Don't get chapped hands digging through the icy depths. Get organized! Here's how.