Kenmore
Central Air Conditioner

Model #10667830 Official Kenmore air conditioner

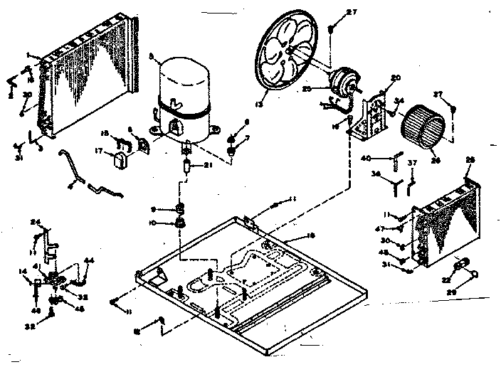
Here are the diagrams and repair parts for Kenmore 10667830 air conditioner, as well as links to manuals and error code tables, if available.

There are a couple of ways to find the part or diagram you need:

  • Click a diagram to see the parts shown on that diagram.
  • In the search box below, enter all or part of the part number or the part’s name.

Not all parts are shown on the diagrams—those parts are labeled NI, for “not illustrated”.

We encourage you to save the model to your profile, so it’s easy to access parts and manuals for your appliance whenever you log in.

For DIY troubleshooting advice and repair guides, visit our repair help section.

Showing 10 of 199 parts

Appliance Silicone Sealant (replaces 279368)

#NI

All parts Diagram

Cement

Part #797403
Replaced by #WP279368
?
Manufacturer substitution
This part replaces 797403. Substitute parts can look different from the original.
In Stock
$41.59 | 
11% OFF 
Phone Price: $46.59
Refrigerator Screw#50

Air flow parts Diagram

Screw

Part #487294
Replaced by #WP489128
?
Manufacturer substitution
This part replaces 487294. Substitute parts can look different from the original.
This item is not returnable
In Stock
$7.99 | 
11% OFF 
Phone Price: $8.99
Terminal#6

Air flow parts Diagram

Terminal

Part #509882

The manufacturer no longer makes this part, and there's no substitute part

Refrigerator Door Hinge Screw#68

Accessory kit parts Diagram

Screw

Part #487461
Replaced by #WP999367
?
Manufacturer substitution
This part replaces 487461. Substitute parts can look different from the original.
This item is not returnable
In Stock
$4.39 | 
19% OFF 
Phone Price: $5.39
Nut Washer#6

Unit parts Diagram

Nut washer

Part #470833

The manufacturer no longer makes this part, and there's no substitute part

Appliance Screw

See All Related Diagrams

Screw, 8 x 1

Part #488480
Replaced by #WP489069
?
Manufacturer substitution
This part replaces 488480. Substitute parts can look different from the original.
This item is not returnable
In Stock
$4.39 | 
19% OFF 
Phone Price: $5.39
Nut#14

Unit parts Diagram

Nut

Part #487735

The manufacturer no longer makes this part, and there's no substitute part

Dishwasher Screw#25

Cabinet parts Diagram

Screw

Part #488017
Replaced by #WP965173
?
Manufacturer substitution
This part replaces 488017. Substitute parts can look different from the original.
This item is not returnable
In Stock
$5.85
Screw#27

Unit parts Diagram

Screw

Part #595085

The manufacturer no longer makes this part, and there's no substitute part

Screw#18

Cabinet parts Diagram

Screw

Part #487729

The manufacturer no longer makes this part, and there's no substitute part

Articles and videos common to all central air conditioners

October 24, 2022

Easy DIY appliance repairs that anyone can do

Lyle Weischwill

Get advice on simple DIY fixes for appliances that you can safely do on your own.

August 5, 2022

Introducing new technical repair content that we’re developing for the Sears Technical Institute

Lyle Weischwill

Learn about Sears Technical Institute and the advanced technical content being developed for aspiring appliance techs.

June 29, 2022

Top questions about Sears and Sears PartsDirect

Lyle Weischwill

Get answers to frequently asked questions about Sears and Sears PartsDirect.