Kenmore
Central Air Conditioner

Model #10673830 Official Kenmore air conditioner

Here are the diagrams and repair parts for Kenmore 10673830 air conditioner, as well as links to manuals and error code tables, if available.

There are a couple of ways to find the part or diagram you need:

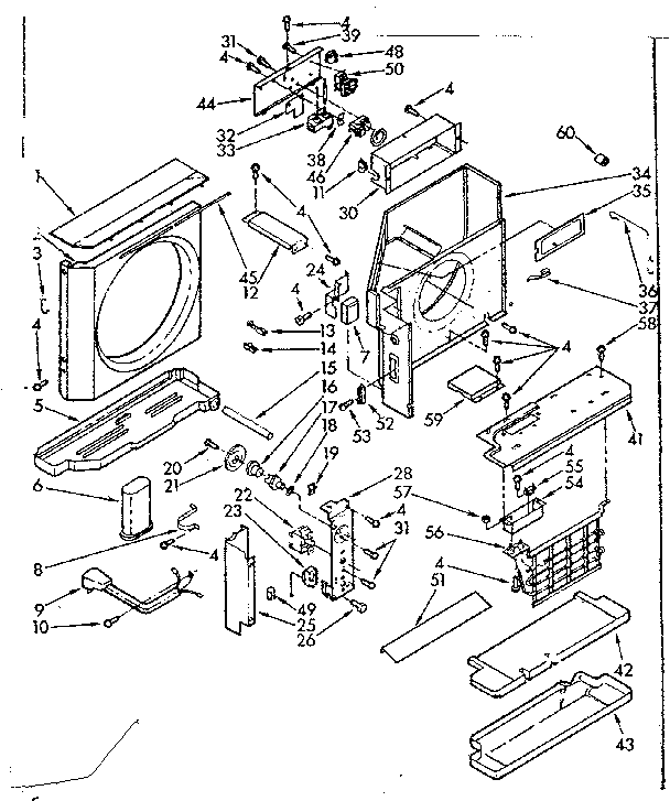
  • Click a diagram to see the parts shown on that diagram.
  • In the search box below, enter all or part of the part number or the part’s name.

Not all parts are shown on the diagrams—those parts are labeled NI, for “not illustrated”.

We encourage you to save the model to your profile, so it’s easy to access parts and manuals for your appliance whenever you log in.

For DIY troubleshooting advice and repair guides, visit our repair help section.

Showing 10 of 175 parts

Appliance Silicone Sealant (replaces 279368)

#NI

All parts Diagram

Cement

Part #797403
Replaced by #WP279368
?
Manufacturer substitution
This part replaces 797403. Substitute parts can look different from the original.
In Stock
$41.59 | 
11% OFF 
Phone Price: $46.59
Refrigerator Screw#48

Unit parts Diagram

Screw

Part #488208
Replaced by #WP488163
?
Manufacturer substitution
This part replaces 488208. Substitute parts can look different from the original.
This item is not returnable
In Stock
$6.49 | 
13% OFF 
Phone Price: $7.49
Terminal#13

Air flow parts Diagram

Terminal

Part #509882

The manufacturer no longer makes this part, and there's no substitute part

Grommet#18

Unit parts Diagram

Grommet

Part #475041
This item is not returnable
In Stock
$5.13
Dishwasher Screw

See All Related Diagrams

Screw

Part #488017
Replaced by #WP965173
?
Manufacturer substitution
This part replaces 488017. Substitute parts can look different from the original.
This item is not returnable
In Stock
$5.85
Screw

See All Related Diagrams

Screw

Part #488720

The manufacturer no longer makes this part, and there's no substitute part

Refrigerator Permagum Sealer

#NI

All parts Diagram

Sealer

Part #470168
Replaced by #212643
?
Manufacturer substitution
This part replaces 470168. Substitute parts can look different from the original.
This item is not returnable
In Stock
$50.09 | 
9% OFF 
Phone Price: $55.09
Screw

See All Related Diagrams

Screw

Part #487371

The manufacturer no longer makes this part, and there's no substitute part

Nut Washer#14

Unit parts Diagram

Nut washer

Part #646888

The manufacturer no longer makes this part, and there's no substitute part

Room Air Conditioner Foam Seal#45C

Air flow parts Diagram

Seal

Part #853916
Replaced by #WP854334
?
Manufacturer substitution
This part replaces 853916. Substitute parts can look different from the original.
In Stock
$9.99 | 
9% OFF 
Phone Price: $10.99

Articles and videos common to all central air conditioners

October 24, 2022

Easy DIY appliance repairs that anyone can do

Lyle Weischwill

Get advice on simple DIY fixes for appliances that you can safely do on your own.

August 5, 2022

Introducing new technical repair content that we’re developing for the Sears Technical Institute

Lyle Weischwill

Learn about Sears Technical Institute and the advanced technical content being developed for aspiring appliance techs.

June 29, 2022

Top questions about Sears and Sears PartsDirect

Lyle Weischwill

Get answers to frequently asked questions about Sears and Sears PartsDirect.