Kenmore
Wall Oven/Microwave Combo

Model #79047842407 Official Kenmore wall oven/microwave combo

Here are the diagrams and repair parts for Kenmore 79047842407 wall oven/microwave combo, as well as links to manuals and error code tables, if available.

There are a couple of ways to find the part or diagram you need:

  • Click a diagram to see the parts shown on that diagram.
  • In the search box below, enter all or part of the part number or the part’s name.

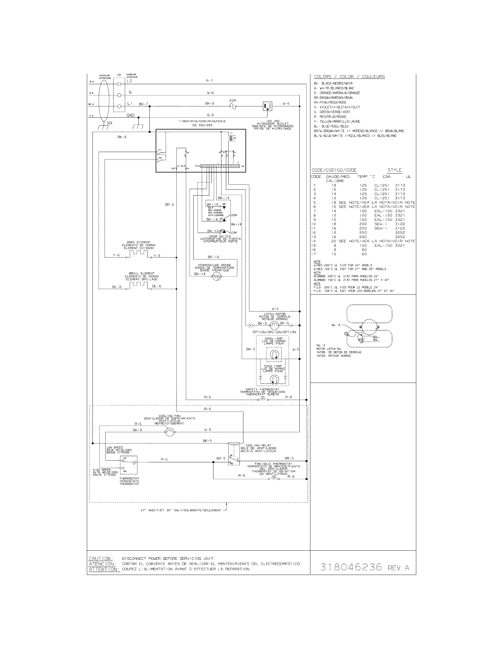
Not all parts are shown on the diagrams—those parts are labeled NI, for “not illustrated”.

We encourage you to save the model to your profile, so it’s easy to access parts and manuals for your appliance whenever you log in.

For DIY troubleshooting advice and repair guides, visit our repair help section.

Installation guideOwner’s manual

Showing 10 of 198 parts

Range Oven Temperature Sensor (replaces 316111203, 318198500, 318198510, 318198520, 7316217002)#37

Lower oven Diagram

In Stock
$35.22 | 
12% OFF 
Phone Price: $40.22
Range Oven Light Bulb (replaces 241555401, 316538901)#15

Lower oven Diagram

Range oven light bulb

Part #5303013071
Replaced by #316538904
?
Manufacturer substitution
This part replaces 5303013071. Substitute parts can look different from the original.
BEST SELLER
In Stock
$16.86 | 
11% OFF 
Phone Price: $18.86
Range Terminal Block#62

Lower oven Diagram

Terminal block

Part #316056000
Replaced by #5304409888
?
Manufacturer substitution
This part replaces 316056000. Substitute parts can look different from the original.
BEST SELLER
In Stock
$9.09 | 
10% OFF 
Phone Price: $10.09
Wall Oven Removal Tool, Left (replaces 318246701, 7318246703)#312

Lower oven Diagram

Wall oven removal tool, left (replaces 318246701, 7318246703)

Part #318246703
BEST SELLER
This item is not returnable
In Stock
$11.59 | 
15% OFF 
Phone Price: $13.59
Range Broil Element (replaces 318255601)#66

Lower oven Diagram

Range broil element

Part #318255601
Replaced by #318255606
?
Manufacturer substitution
This part replaces 318255601. Substitute parts can look different from the original.
BEST SELLER
In Stock
$156.79 | 
6% OFF 
Phone Price: $166.79
Range Oven Door Switch (replaces 3016298, 316407101, 318089900, 318089915, 318089917, 5303311157, 7316445501, P351140)#12

Lower oven Diagram

Microwave Door Interlock Switch and Fuse (replaces 5304440027, 75304440027)#5

Microwave Diagram

Switch

Part #5304440027
Replaced by #5304468224
?
Manufacturer substitution
This part replaces 5304440027. Substitute parts can look different from the original.
In Stock
$51.39 | 
9% OFF 
Phone Price: $56.39
Range High-Limit Thermostat (replaces 318003613)#219

Lower oven Diagram

Thermostat

Part #318003613
Replaced by #318003624
?
Manufacturer substitution
This part replaces 318003613. Substitute parts can look different from the original.
This item is not returnable
In Stock
$24.59 | 
17% OFF 
Phone Price: $29.59
Range Oven Door Spacer (replaces 318147400, 7318165800)#64

Doors Diagram

Range oven door spacer (replaces 318147400, 7318165800)

Part #318165800
This item is not returnable
In Stock
$18.59 | 
10% OFF 
Phone Price: $20.59
Wall Oven Light Lens Retainer#17

Lower oven Diagram

In Stock
$56.49 | 
8% OFF 
Phone Price: $61.49