Amana
Microwave

Model #MC5214MP/P1165402M Official Amana commercial microwave

Here are the diagrams and repair parts for Amana MC5214MP-P1165402M commercial microwave, as well as links to manuals and error code tables, if available.

There are a couple of ways to find the part or diagram you need:

  • Click a diagram to see the parts shown on that diagram.
  • In the search box below, enter all or part of the part number or the part’s name.

Not all parts are shown on the diagrams—those parts are labeled NI, for “not illustrated”.

We encourage you to save the model to your profile, so it’s easy to access parts and manuals for your appliance whenever you log in.

For DIY troubleshooting advice and repair guides, visit our repair help section.

Showing 10 of 176 parts

Refrigerator Screw

See All Related Diagrams

Screw

Part #M0216515
Replaced by #WP489349
?
Manufacturer substitution
This part replaces M0216515. Substitute parts can look different from the original.
This item is not returnable
In Stock
$4.39 | 
19% OFF 
Phone Price: $5.39
Refrigerator Screw#10

Cabinet parts Diagram

Head screw

Part #M0211217
Replaced by #WP489464
?
Manufacturer substitution
This part replaces M0211217. Substitute parts can look different from the original.
This item is not returnable
In Stock
$6.49 | 
13% OFF 
Phone Price: $7.49
Appliance Nut#39

Cabinet parts Diagram

Kep nut

Part #M0282010
Replaced by #WP3400029
?
Manufacturer substitution
This part replaces M0282010. Substitute parts can look different from the original.
This item is not returnable
In Stock
$6.49 | 
13% OFF 
Phone Price: $7.49
Screw#2

Basepan assembly Diagram

Screw

Part #M0224803
Replaced by #12992301
?
Manufacturer substitution
This part replaces M0224803. Substitute parts can look different from the original.
In Stock
$24.39 | 
17% OFF 
Phone Price: $29.39
Refrigerator Nut

See All Related Diagrams

Nut

Part #M0282005
Replaced by #M0282005
?
Manufacturer substitution
This part replaces M0282005. Substitute parts can look different from the original.
This item is not returnable
In Stock
$5.99
Support P-c#10

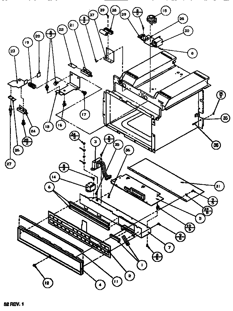
Cabinet and front parts Diagram

Support

Part #M0590602
Replaced by #M0590602
?
Manufacturer substitution
This part replaces M0590602. Substitute parts can look different from the original.
This item is not returnable
In Stock
$4.19 | 
19% OFF 
Phone Price: $5.19
Screw#20

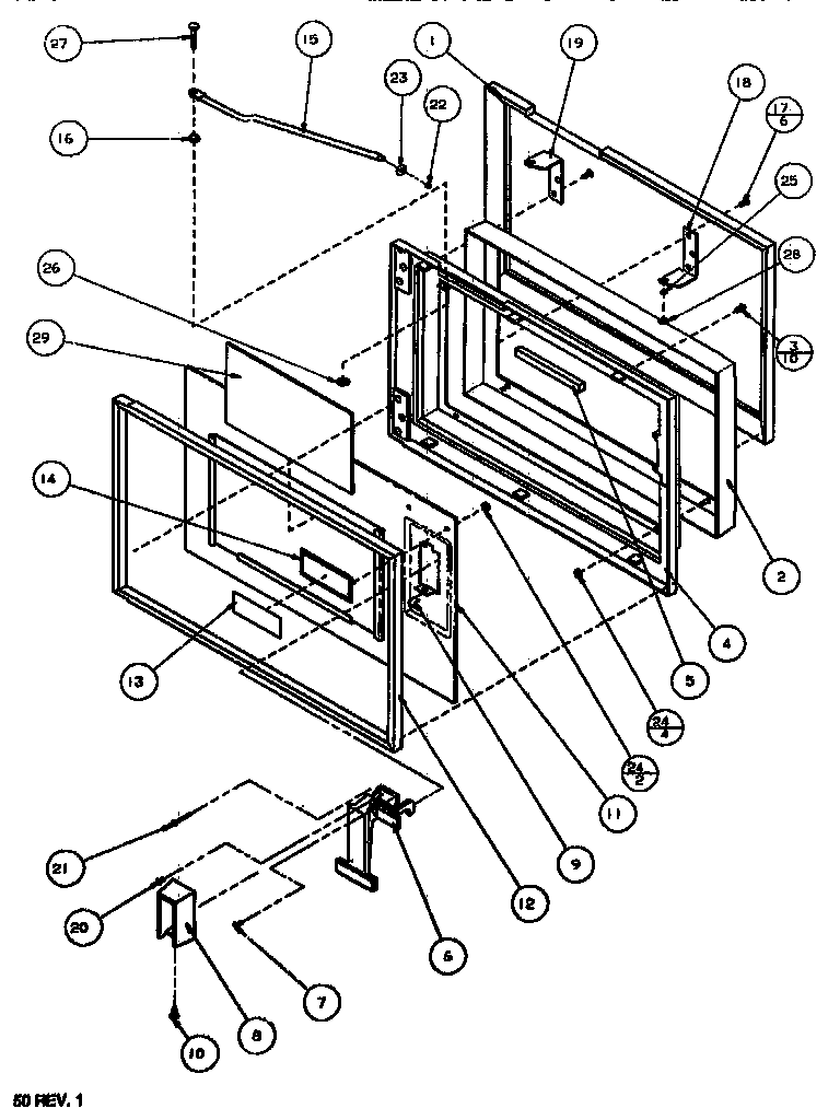
Door assembly Diagram

Screw

Part #M0234030
Replaced by #M0234030
?
Manufacturer substitution
This part replaces M0234030. Substitute parts can look different from the original.
This item is not returnable
In Stock
$3.29
Screw#4

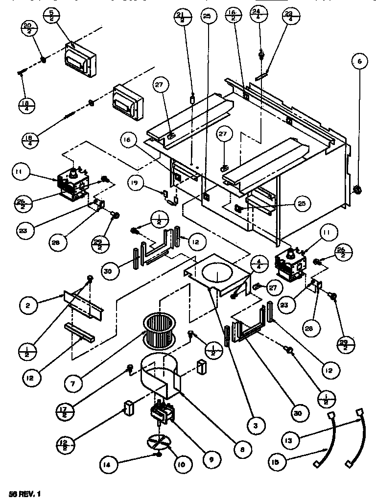
Motor blower/magnetron Diagram

Screw

Part #M0216529

The manufacturer no longer makes this part, and there's no substitute part

Microwave Rectifier#10

Basepan assembly Diagram

Diode

Part #B8383102
Replaced by #WP13091701
?
Manufacturer substitution
This part replaces B8383102. Substitute parts can look different from the original.
In Stock
$25.29 | 
17% OFF 
Phone Price: $30.29
Screw

See All Related Diagrams

Screw

Part #M0216703
Replaced by #M0216703
?
Manufacturer substitution
This part replaces M0216703. Substitute parts can look different from the original.
This item is not returnable
In Stock
$3.40

Articles and videos common to all microwaves

November 12, 2022

5 Holiday Cleaning Tasks Essential to Boosting Your Home’s Image

By Lyle Weischwill

Get tips on completing essential holiday cleaning tasks to brighten your home.

August 19, 2022

Are DIY appliance repairs safe?

By Lyle Weischwill

Find out how to stay safe when repairing your appliances.

August 5, 2022

Introducing new technical repair content that we’re developing for the Sears Technical Institute

By Lyle Weischwill

Learn about Sears Technical Institute and the advanced technical content being developed for aspiring appliance techs.